Trong lĩnh vực cân điện tử, loadcell đóng vai trò vô cùng quan trọng vì nó quyết định trực tiếp đến độ chính xác và độ tin cậy của hệ thống. Loadcell LCSST PT là một trong những dòng loadcell cao cấp, thiết kế dạng chữ S (S-type), mang lại khả năng đo tải trọng ổn định, bền bỉ, và đặc biệt phù hợp cho nhiều ứng dụng cân công nghiệp khác nhau. Với chất liệu inox chống gỉ, khả năng chịu quá tải tốt cùng độ chính xác cao, dòng loadcell này hiện được sử dụng phổ biến trong các hệ thống cân bàn, cân treo và cân sàn công nghiệp.

Đặc điểm nổi bật của Loadcell LCSST PT
Loadcell LCSST PT được chế tạo từ thép không gỉ (stainless steel), bề mặt được hàn kín và đạt tiêu chuẩn bảo vệ IP67, đảm bảo khả năng chống bụi, chống nước hiệu quả. Thiết kế dạng chữ S giúp loadcell có độ nhạy cao và dễ dàng lắp đặt trong nhiều ứng dụng cân kéo – nén khác nhau.
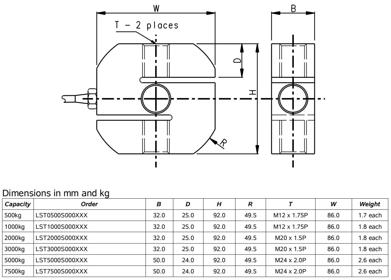
Ngoài ra, sản phẩm còn được trang bị dải công suất từ 500kg đến 7.5 tấn, mang đến sự linh hoạt cho người sử dụng trong nhiều môi trường và yêu cầu cân khác nhau. Đặc biệt, LCSST PT đạt độ tuyến tính và độ lặp lại rất thấp, nhờ đó mang đến độ chính xác vượt trội.
Ưu điểm khi sử dụng Loadcell LCSST PT
Khi lựa chọn Loadcell LCSST PT, người dùng sẽ nhận được nhiều lợi ích nổi bật:
-
Độ chính xác cao: Sai số tuyến tính, sai số kết hợp và độ trễ đều nhỏ hơn 0.02% FSO.
-
Khả năng chịu tải vượt trội: Có thể chịu quá tải an toàn đến 120% và tải phá hủy tới 150% công suất.
-
Bền bỉ trong môi trường khắc nghiệt: Hoạt động tốt ở nhiệt độ -35°C đến +65°C, bảo vệ IP67.
-
Linh hoạt ứng dụng: Thích hợp cho các loại cân kéo – nén, cân treo, cân bàn và cân sàn.
-
Tuổi thọ lâu dài: Nhờ cấu tạo inox chống gỉ và khả năng chống ăn mòn, sản phẩm đảm bảo độ bền cao.
Thông số kỹ thuật Loadcell LCSST PT
Dưới đây là bảng thông số kỹ thuật chi tiết của dòng Loadcell LCSST PT:
| Thông số kỹ thuật | Giá trị |
| Model |
LCSST PT |
| Dải tải trọng |
500kg, 1t, 2t, 3t, 5t, 7.5t |
| Tín hiệu đầu ra định mức |
2 ± 0.25% mV/V |
| Sai số tuyến tính |
< 0.020% FSO |
| Sai số lặp lại |
< 0.010% FSO |
| Sai số kết hợp |
< 0.020% FSO |
| Hysteresis |
< 0.020% FSO |
| Creep (30 phút) |
< 0.020% FSO |
| Điện trở đầu vào |
350 ± 3.5 Ω |
| Điện trở đầu ra |
351 ± 2 Ω |
| Trở kháng cách điện |
> 5000 MΩ (50VDC) |
| Zero Balance |
< 1% FSO |
| Nhiệt độ bù |
-10°C ~ +40°C |
| Nhiệt độ hoạt động |
-35°C ~ +65°C |
| Nhiệt độ lưu trữ |
-50°C ~ +85°C |
| Điện áp kích thích khuyến nghị |
5 – 12 V AC/DC |
| Điện áp kích thích tối đa |
18 V AC/DC |
| Chất liệu |
Inox (stainless steel) |
| Cấp bảo vệ |
IP67 – Hàn kín, chống bụi và chống nước |
| Chiều dài cáp |
500kg: 3m / 1t – 7.5t: 6m, đường kính 5.0mm |

Ứng dụng của Loadcell LCSST PT
Loadcell LCSST PT với thiết kế chữ S linh hoạt được ứng dụng rộng rãi trong nhiều hệ thống cân điện tử khác nhau:
-
Cân treo: Đo tải trong kho bãi, cảng biển, xưởng sản xuất.
-
Cân bàn và cân sàn công nghiệp: Đảm bảo độ chính xác cao trong quá trình sản xuất và thương mại.
-
Ứng dụng đo lực kéo – nén: Dùng trong thí nghiệm, nghiên cứu cơ học hoặc kiểm định chất lượng.
-
Hệ thống cân tự động hóa: Dễ dàng tích hợp với PLC, thiết bị điều khiển và hệ thống cân thông minh.
Kết luận
Loadcell LCSST PT là một trong những giải pháp cảm biến tải trọng tối ưu cho các hệ thống cân hiện đại. Với độ chính xác cao, khả năng chống chịu môi trường khắc nghiệt và thiết kế inox bền bỉ, sản phẩm này không chỉ mang lại hiệu quả lâu dài mà còn tối ưu chi phí cho doanh nghiệp. Nếu bạn đang tìm kiếm một thiết bị cân điện tử chất lượng cao, Loadcell LCSST PT chắc chắn sẽ là lựa chọn đáng tin cậy.
Quý khách có nhu cầu mua Loadcell LCSST PT vui lòng liên hệ cân điện tử Thái Bình Dương để được tư vấn và báo giá sản phẩm miễn phí, nhanh và tốt nhất.
Hotline: 0908 608 666 Mr. Dũng - 0908 662 643 Mrs. Dung.
Chúng tôi rất hân hạnh khi được phục vụ quý khách!.