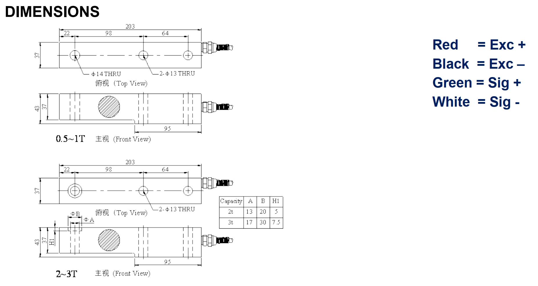
Model: NB9Thương hiệu: MavinTải trọng (Capacity): 0.5t, 1t, 2t, 3tĐầu ra định mức (Rated Output): 2.0 ± 0.005 mV/VCân bằng Zero (Zero Balance): 0.0 ± 0.020 mV/V
0908 608 666 Mr DŨNG
Lượt xem:
146
-
Phê duyệt mẫu
-
Kiểm định
-
Hiệu chuẩn
Trong lĩnh vực cân điện tử, loadcell là bộ phận quan trọng nhất, quyết định đến độ chính xác và độ ổn định của hệ thống cân. Với uy tín lâu năm trong ngành, Mavin mang đến thị trường dòng Loadcell NB9 Mavin, được thiết kế chuyên dụng cho các ứng dụng công nghiệp, đảm bảo khả năng đo lường chính xác, bền bỉ và đáng tin cậy.

Đặc điểm nổi bật của Loadcell NB9 Mavin
Loadcell NB9 không chỉ đáp ứng tốt yêu cầu kỹ thuật mà còn tối ưu cho nhiều môi trường làm việc khác nhau. Một số ưu điểm đáng chú ý:
-
Độ chính xác cao: Đạt chuẩn OIML C3 với sai số tổng hợp chỉ 0.02% R.O, phù hợp cho những ứng dụng yêu cầu độ chính xác nghiêm ngặt.
-
Hoạt động ổn định: Độ lặp lại, độ trễ và sai số rất thấp (0.02% R.O), đảm bảo kết quả cân đồng nhất trong thời gian dài.
-
Chịu tải an toàn vượt trội: Có thể chịu được tải an toàn tới 150% R.L và tải phá hủy tới 200% R.L.
-
Khả năng thích nghi môi trường: Làm việc tốt trong dải nhiệt độ từ -30°C đến +70°C, thích hợp cho nhiều môi trường công nghiệp.
-
Bền bỉ và chống chịu cao: Được chế tạo bằng hợp kim thép chắc chắn, đạt tiêu chuẩn chống nước và bụi IP67/68, hoạt động ổn định trong môi trường khắc nghiệt.
Ứng dụng thực tế của Loadcell NB9 Mavin
Với thiết kế linh hoạt, Loadcell NB9 Mavin được sử dụng rộng rãi trong nhiều hệ thống cân điện tử:
-
Cân sàn công nghiệp: Đo tải trọng hàng hóa trong nhà máy, kho vận.
-
Cân bồn chứa, cân silo: Quản lý chính xác nguyên liệu trong ngành sản xuất thực phẩm, hóa chất và dược phẩm.
-
Cân đóng gói và dây chuyền tự động: Giúp kiểm soát trọng lượng bao bì, tối ưu quy trình sản xuất.
-
Cân xe tải hoặc ứng dụng cân tải trọng trung bình: Đảm bảo độ tin cậy trong vận hành và giám sát hàng hóa.
Thông số kỹ thuật Loadcell NB9 Mavin
| Thông số | Giá trị |
| Tải trọng (Capacity) |
0.5t, 1t, 2t, 3t |
| Đầu ra định mức (Rated Output) |
2.0 ± 0.005 mV/V |
| Cân bằng Zero (Zero Balance) |
0.0 ± 0.020 mV/V |
| Cấp chính xác (Accuracy Class) |
OIML C3 |
| Sai số kết hợp (Combined Error) |
0.02% R.O |
| Độ trễ (Hysteresis) |
0.02% R.O |
| Độ lặp lại (Repeatability) |
0.02% R.O |
| Creep sau 30 phút |
0.015% R.O |
| Trở về sau 30 phút |
0.015% R.O |
| Độ phân giải (Resolution) |
< 1/5000 |
| Chia độ (Division) |
0.0004 mV/V |
| Ảnh hưởng nhiệt độ Zero |
±0.02% /10°C |
| Ảnh hưởng nhiệt độ Output |
±0.02% /10°C |
| Điện áp kích thích khuyến nghị |
5 – 12 V |
| Điện áp kích thích tối đa |
15 V |
| Điện trở ngõ vào |
390 ± 15 Ω |
| Điện trở ngõ ra |
350 ± 5 Ω |
| Điện trở cách điện |
>5000 MΩ |
| Dải nhiệt độ bù |
-10°C đến +40°C |
| Dải nhiệt độ hoạt động |
-30°C đến +70°C |
| Tải an toàn (Safety Overload) |
150% R.L |
| Tải phá hủy (Ultimate Overload) |
200% R.L |
| Cấp bảo vệ (Protection Class) |
IP67/68 |
| Vật liệu |
Hợp kim thép (Steel Alloy) |
| Chiều dài cáp |
4 m |

Vì sao nên chọn Loadcell NB9 Mavin?
So với nhiều dòng loadcell khác cùng phân khúc, NB9 Mavin nổi bật bởi khả năng cân chính xác, độ bền vượt trội và giá thành hợp lý. Đây là lựa chọn tối ưu cho các doanh nghiệp cần một cảm biến tải ổn định, chính xác và hoạt động bền bỉ trong môi trường công nghiệp nặng.
Kết luận
Loadcell NB9 Mavin là giải pháp cảm biến tải hoàn hảo cho cân công nghiệp nhờ vào thiết kế chắc chắn, khả năng chịu tải cao và sai số cực thấp. Với sự tin cậy và tuổi thọ dài lâu, sản phẩm này giúp doanh nghiệp nâng cao hiệu quả sản xuất, giảm thiểu chi phí bảo trì và đảm bảo kiểm soát trọng lượng chính xác.
Quý khách có nhu cầu mua Loadcell NB9 Mavin vui lòng liên hệ cân điện tử Thái Bình Dương để được tư vấn và báo giá sản phẩm miễn phí, nhanh và tốt nhất.
Hotline: 0908 608 666 Mr. Dũng - 0908 662 643 Mrs. Dung.
Chúng tôi rất hân hạnh khi được phục vụ quý khách!.