Tổng Quan Về Loadcell WTS Amcells
Chúng tôi giới thiệu Loadcell WTS Amcells, dòng loadcell dạng trụ (column sensor) được thiết kế chuyên sâu cho các ứng dụng đo lực, kiểm tra tải trọng và thử nghiệm công nghiệp đòi hỏi độ ổn định cao, tín hiệu chính xác và khả năng làm việc trong không gian lắp đặt hạn chế. WTS Series là lựa chọn lý tưởng cho các hệ thống đo lực tĩnh và động, đặc biệt trong môi trường sản xuất tự động hóa và công nghiệp công nghệ cao.

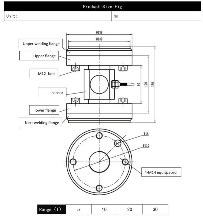
Loadcell WTS được chế tạo từ thép hợp kim chất lượng cao, tối ưu khả năng chịu lực, giảm biến dạng dư và duy trì độ lặp lại tốt trong suốt vòng đời sử dụng. Thiết kế dạng trụ giúp phân bố lực đồng đều, hạn chế sai số do lệch tải, từ đó đảm bảo kết quả đo luôn ổn định và đáng tin cậy.
Ưu Điểm Nổi Bật Của Loadcell WTS Amcells
Độ Ổn Định Cao, Phù Hợp Đo Lực Chính Xác
Loadcell WTS Amcells nổi bật với độ ổn định tín hiệu cao, đáp ứng tốt các ứng dụng kiểm tra lực nén, lực ép và tải trọng lặp lại nhiều chu kỳ. Đây là yếu tố quan trọng trong các dây chuyền sản xuất yêu cầu kiểm soát chất lượng nghiêm ngặt.
Thiết Kế Gọn Gàng, Lắp Đặt Trong Không Gian Hẹp
Một trong những ưu điểm lớn của WTS Series là khả năng lắp đặt trong không gian nhỏ, phù hợp cho các máy móc, thiết bị có kết cấu hạn chế diện tích. Điều này giúp doanh nghiệp dễ dàng tích hợp loadcell vào các hệ thống hiện có mà không cần thay đổi thiết kế tổng thể.
Khả Năng Chống Nhiễu Tốt, Tín Hiệu Ổn Định
Loadcell WTS được thiết kế với khả năng chống nhiễu cao, giúp tín hiệu đo ổn định ngay cả trong môi trường có nhiều rung động, nhiễu điện từ hoặc hoạt động liên tục của máy móc công nghiệp.
Có Thể Tùy Biến Theo Yêu Cầu Đặc Thù
WTS Amcells cho phép tùy chỉnh phi tiêu chuẩn, đáp ứng các yêu cầu riêng biệt về kích thước, phương thức lắp đặt hoặc điều kiện làm việc đặc thù. Đây là lợi thế lớn trong các dự án máy móc chuyên dụng hoặc nghiên cứu – thử nghiệm.
Ứng Dụng Thực Tế Của Loadcell WTS
Đo Lực Nén Trong Ngành Ô Tô
Loadcell WTS được sử dụng rộng rãi trong kiểm tra lực nén, lực ép linh kiện ô tô, đảm bảo các chi tiết đạt tiêu chuẩn kỹ thuật trước khi lắp ráp.
Dây Chuyền Lắp Ráp Tự Động Và Sản Xuất 3C
Trong lĩnh vực tự động hóa, sản xuất 3C (Computer – Communication – Consumer Electronics), WTS đóng vai trò quan trọng trong việc kiểm soát lực ép, lực siết, đảm bảo độ chính xác và tính đồng nhất của sản phẩm.
Kiểm Tra Sản Phẩm Và Năng Lượng Mới
Loadcell WTS Amcells được ứng dụng hiệu quả trong kiểm tra sản phẩm, lắp ráp pin, module năng lượng mới, nơi yêu cầu đo lực chính xác và ổn định trong thời gian dài.
Thiết Bị Y Tế, Chế Tạo Máy Và Khuôn Mẫu
Sản phẩm còn được sử dụng trong thiết bị y tế, chế tạo máy, lắp ráp khuôn mẫu, cũng như các hệ thống thử nghiệm động, đáp ứng tốt cả yêu cầu đo lực tĩnh và động.
Thông Số Kỹ Thuật Loadcell WTS Amcells
Bảng Thông Số Kỹ Thuật Tổng Quan WTS Series
| Thông số | Đặc điểm |
| Model |
WTS Series |
| Kiểu loadcell |
Loadcell dạng trụ (Column Sensor) |
| Vật liệu |
Thép hợp kim chất lượng cao |
| Đặc tính nổi bật |
Độ ổn định cao, tín hiệu chống nhiễu tốt |
| Khả năng lắp đặt |
Phù hợp không gian nhỏ |
| Tùy biến |
Có thể đặt hàng theo yêu cầu phi tiêu chuẩn |
| Ứng dụng chính |
Ô tô, tự động hóa, 3C, y tế, năng lượng mới |
| Môi trường làm việc |
Công nghiệp, thử nghiệm tĩnh và động |
| Kiểu lực đo |
Lực nén / tải trọng |

Lưu ý: Thông số chi tiết và kích thước lắp đặt có thể thay đổi theo từng model và yêu cầu tùy chỉnh của khách hàng.
Bộ Gá Và Phụ Kiện Lắp Đặt Đồng Bộ
Loadcell WTS Amcells được thiết kế để tương thích với các bộ gá lắp chuyên dụng, giúp việc lắp đặt nhanh chóng, chính xác và đảm bảo truyền lực đúng trục. Điều này góp phần nâng cao độ chính xác đo và kéo dài tuổi thọ cảm biến trong quá trình vận hành lâu dài.
Lợi Ích Khi Lựa Chọn Loadcell WTS Amcells
-
Độ ổn định cao, phù hợp đo lực chính xác
-
Thiết kế nhỏ gọn, dễ tích hợp vào máy móc
-
Chống nhiễu hiệu quả, tín hiệu đo tin cậy
-
Tùy biến linh hoạt, đáp ứng yêu cầu đặc thù
-
Ứng dụng đa dạng, từ sản xuất đến thử nghiệm
WTS Series được phát triển bởi Amcells, thương hiệu uy tín trong lĩnh vực cảm biến lực và giải pháp đo lường công nghiệp, được nhiều doanh nghiệp tin tưởng lựa chọn cho các dự án yêu cầu độ chính xác và độ bền cao.
Kết Luận
Loadcell WTS Amcells là giải pháp cảm biến lực dạng trụ tối ưu cho các ứng dụng công nghiệp hiện đại yêu cầu độ ổn định cao, khả năng chống nhiễu tốt và lắp đặt linh hoạt trong không gian hạn chế. Với thiết kế chắc chắn từ thép hợp kim, khả năng tùy biến theo yêu cầu và phạm vi ứng dụng rộng, WTS Amcells không chỉ đáp ứng mà còn nâng cao hiệu quả đo lực, kiểm soát chất lượng và tự động hóa trong sản xuất công nghiệp.
Quý khách có nhu cầu mua Loadcell WTS Amcells vui lòng liên hệ cân điện tử Thái Bình Dương để được tư vấn và báo giá sản phẩm miễn phí, nhanh và tốt nhất.
Hotline: 0908 608 666 Mr. Dũng - 0908 662 643 Mrs. Dung.
Chúng tôi rất hân hạnh khi được phục vụ quý khách!.