Tổng Quan Về Loadcell 0782 Trong Hệ Thống Cân Công Nghiệp Hạng Nặng
Chúng tôi giới thiệu Loadcell 0782 Mettler Toledo như một giải pháp đo lường tải trọng lớn được thiết kế chuyên sâu cho các ứng dụng cân công nghiệp yêu cầu độ chính xác cao, độ bền vượt trội và khả năng làm việc an toàn trong môi trường khắc nghiệt. Dòng loadcell này được phát triển để đáp ứng đồng thời các tiêu chuẩn đo lường quốc tế nghiêm ngặt, phục vụ hiệu quả cho cân bồn, cân silo, cân xe tải, cân đường ray và các hệ thống cân công suất lớn khác.

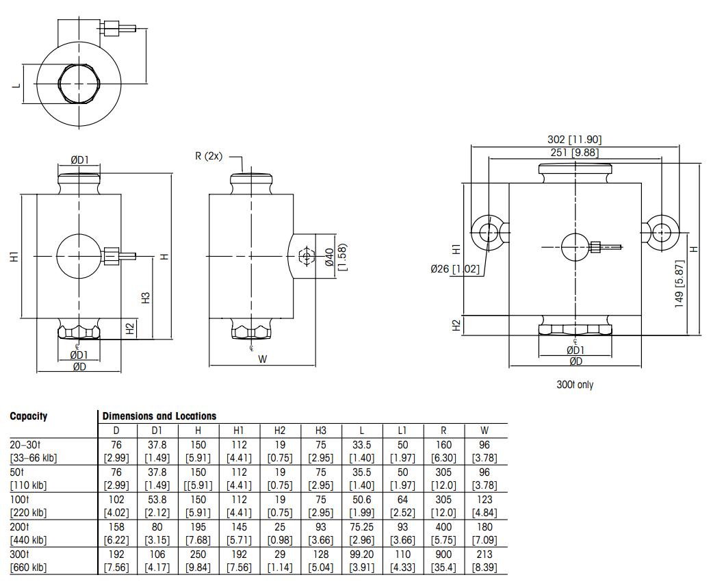
Với dải tải trọng rộng từ 20 tấn đến 300 tấn, Loadcell 0782 mang lại sự linh hoạt tối đa cho nhiều mô hình lắp đặt khác nhau, từ dự án mới đến nâng cấp, thay thế cho các hệ thống cân hiện hữu nhằm cải thiện độ chính xác và độ ổn định lâu dài.
Ưu Điểm Nổi Bật Của Loadcell 0782
Độ Chính Xác Được Chứng Nhận Toàn Cầu
Loadcell 0782 được phê duyệt theo các tiêu chuẩn quốc tế như OIML C3, NTEP Class IIILM 10.000d, cho phép ứng dụng trong thương mại và công nghiệp tại châu Âu, châu Á, châu Mỹ và nhiều quốc gia khác. Điều này giúp hệ thống cân sử dụng loadcell 0782 dễ dàng đáp ứng yêu cầu pháp lý tại nhiều thị trường.
An Toàn Tuyệt Đối Trong Môi Trường Nguy Hiểm
Sản phẩm đạt chứng nhận ATEX Zone 1/2 và Zone 21/22, FM Class I, II, III Div 1, cho phép lắp đặt an toàn trong môi trường có nguy cơ cháy nổ cao như hóa chất, dầu khí, xi măng, ngũ cốc và thực phẩm. Đây là ưu điểm then chốt giúp Loadcell 0782 trở thành lựa chọn hàng đầu trong các dự án yêu cầu tiêu chuẩn an toàn nghiêm ngặt.
Thiết Kế Kín Hoàn Toàn, Chống Ăn Mòn Cao
Thân loadcell được chế tạo từ thép không gỉ cao cấp, thiết kế hàn kín hoàn toàn, đạt chuẩn bảo vệ IP68 / NEMA 6P, giúp thiết bị hoạt động ổn định trong môi trường ẩm ướt, bụi bẩn, ngập nước hoặc ngoài trời trong thời gian dài mà không suy giảm hiệu suất.
Tuổi Thọ Cơ Học Và Độ Ổn Định Lâu Dài
Loadcell 0782 có tuổi thọ mỏi vượt quá 1.000.000 chu kỳ tại tải định mức, khả năng chịu quá tải an toàn lên đến 125% và tải phá hủy lên đến 300%, đảm bảo vận hành bền bỉ, giảm thiểu chi phí bảo trì và thay thế.
Ứng Dụng Thực Tế Của Loadcell 0782
Cân Bồn, Cân Silo Công Suất Lớn
Với dải tải trọng lên đến 300 tấn, Loadcell 0782 lý tưởng cho các hệ thống cân bồn chứa, silo nguyên liệu trong nhà máy xi măng, hóa chất, thức ăn chăn nuôi, nhựa và năng lượng. Độ kín cao và khả năng chống ăn mòn giúp loadcell hoạt động ổn định ngay cả khi tiếp xúc thường xuyên với môi trường khắc nghiệt.
Cân Xe Tải Và Cân Đường Ray
Loadcell 0782 được sử dụng phổ biến trong cân xe tải, cân tàu hỏa, cân trạm thu mua nhờ độ chính xác cao, khả năng chịu tải động tốt và độ ổn định lâu dài. Đây là lựa chọn tối ưu cho cả trạm cân mới và nâng cấp hệ thống cũ.
Mô-Đun GAGEMOUNT Đồng Bộ
Loadcell 0782 có thể kết hợp với mô-đun GAGEMOUNT (20t–100t), tích hợp sẵn chức năng chống lật, treo tải và kiểm tra cơ khí, giúp việc lắp đặt nhanh chóng, chính xác và an toàn hơn, đồng thời nâng cao độ tin cậy của toàn bộ hệ thống cân.
Thông Số Kỹ Thuật Loadcell 0782 Mettler Toledo
Bảng Thông Số Kỹ Thuật Chi Tiết Theo Model
| Thông số | 20t | 30t | 50t | 100t | 200t | 300t |
| Tải trọng danh định |
20 tấn |
30 tấn |
50 tấn |
100 tấn |
200 tấn |
300 tấn |
| Ngõ ra danh định |
2 ± 0.1 % mV/V |
2 ± 0.1 % mV/V |
2 ± 0.1 % mV/V |
2 ± 0.1 % mV/V |
2 ± 0.1 % mV/V |
2 ± 0.1 % mV/V |
| Sai số tổng hợp |
≤ 0.018 %R.C. |
≤ 0.05 %R.C. |
≤ 0.05 %R.C. |
≤ 0.06 %R.C. |
≤ 0.06 %R.C. |
≤ 0.06 %R.C. |
| Độ lặp lại |
≤ 0.01 %A.L. |
≤ 0.02 %A.L. |
≤ 0.02 %A.L. |
≤ 0.02 %A.L. |
≤ 0.02 %A.L. |
≤ 0.02 %A.L. |
| Cấp bảo vệ |
IP68 |
IP68 |
IP68 |
IP68 |
IP68 |
IP68 |
| Vật liệu |
Thép không gỉ |
Thép không gỉ |
Thép không gỉ |
Thép không gỉ |
Thép không gỉ |
Thép không gỉ |
| Nhiệt độ làm việc |
-40 ~ +65°C |
-40 ~ +65°C |
-40 ~ +65°C |
-40 ~ +65°C |
-40 ~ +65°C |
-40 ~ +65°C |


Khả Năng Kết Nối Và Tích Hợp Hệ Thống
Loadcell 0782 tương thích hoàn hảo với các thiết bị hiển thị, bộ chỉ thị cân, PLC, MES và ERP. Hệ thống cho phép kết nối linh hoạt, hỗ trợ xây dựng giải pháp cân tự động hóa, kiểm soát tồn kho, phối liệu và quản lý dữ liệu sản xuất theo thời gian thực.
Lợi Thế Khi Lựa Chọn Loadcell 0782
-
Chuẩn đo lường quốc tế, dễ dàng triển khai dự án đa quốc gia
-
An toàn cháy nổ, phù hợp môi trường nguy hiểm
-
Độ bền cơ học cao, vận hành ổn định lâu dài
-
Độ chính xác vượt trội, đáp ứng cân thương mại và công nghiệp
-
Dễ dàng bảo trì, giảm chi phí vận hành tổng thể
Sản phẩm được phát triển và chứng nhận bởi METTLER TOLEDO, một trong những tập đoàn hàng đầu thế giới trong lĩnh vực cân và đo lường công nghiệp, đảm bảo uy tín và chất lượng ở cấp độ toàn cầu.
Kết Luận
Loadcell 0782 Mettler Toledo là lựa chọn chiến lược cho các hệ thống cân tải trọng lớn yêu cầu độ chính xác cao, độ an toàn tuyệt đối và độ bền lâu dài. Với đầy đủ chứng nhận quốc tế, thiết kế chắc chắn và khả năng ứng dụng đa dạng, loadcell 0782 không chỉ đáp ứng mà còn vượt xa kỳ vọng của các dự án cân công nghiệp hiện đại. Đầu tư vào Loadcell 0782 chính là đầu tư cho sự ổn định, hiệu quả và phát triển bền vững của hệ thống cân trong dài hạn.
Quý khách có nhu cầu mua Loadcell 0782 Mettler Toledo vui lòng liên hệ cân điện tử Thái Bình Dương để được tư vấn và báo giá sản phẩm miễn phí, nhanh và tốt nhất.
Hotline: 0908 608 666 Mr. Dũng - 0908 662 643 Mrs. Dung.
Chúng tôi rất hân hạnh khi được phục vụ quý khách!.