Chúng tôi mang đến bài viết chuyên sâu, phân tích toàn diện về Loadcell AST PT, giúp người dùng hiểu rõ cấu tạo, nguyên lý hoạt động, ưu điểm kỹ thuật cũng như ứng dụng thực tế, từ đó đưa ra quyết định đầu tư chính xác và hiệu quả.
Tổng Quan Về Loadcell AST PT
Loadcell AST PT là dòng cảm biến lực chuyên dụng, được thiết kế nhằm chuyển đổi lực tác động (trọng lượng) thành tín hiệu điện tuyến tính, dễ dàng tích hợp với các đầu cân điện tử và bộ điều khiển cân hiện đại. Sản phẩm được phát triển theo tiêu chuẩn công nghiệp khắt khe, đáp ứng tốt yêu cầu vận hành liên tục trong môi trường khắc nghiệt.
Loadcell này thường được sản xuất và kiểm soát chất lượng theo tiêu chuẩn quốc tế bởi AST, đảm bảo tính ổn định lâu dài, độ chính xác cao và khả năng tương thích rộng với nhiều hệ thống cân khác nhau.

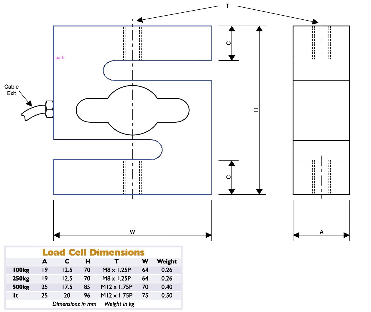
Cấu Tạo Kỹ Thuật Của Loadcell AST PT
Cấu tạo của Loadcell AST PT được tối ưu để vừa đảm bảo độ nhạy cao, vừa duy trì độ bền cơ học vượt trội trong suốt vòng đời sử dụng.
-
Thân loadcell: Gia công từ thép hợp kim hoặc thép không gỉ chất lượng cao, chịu tải tốt, chống biến dạng và ăn mòn.
-
Cảm biến strain gauge: Dán chính xác trên thân loadcell, giúp ghi nhận biến dạng vi mô khi có tải tác động.
-
Lớp bảo vệ kín: Thiết kế kín, hạn chế ảnh hưởng của bụi bẩn, độ ẩm và rung động từ môi trường bên ngoài.
-
Cáp tín hiệu: Cáp chống nhiễu, truyền tín hiệu ổn định về đầu hiển thị hoặc bộ điều khiển trung tâm.
Nhờ cấu tạo khoa học này, Loadcell AST PT luôn duy trì hiệu suất đo ổn định ngay cả khi làm việc trong điều kiện tải trọng lớn hoặc môi trường công nghiệp khắc nghiệt.
Nguyên Lý Hoạt Động Chính Xác Và Ổn Định
Nguyên lý hoạt động của Loadcell AST PT dựa trên sự thay đổi điện trở của strain gauge khi chịu lực. Khi tải trọng tác động lên loadcell, thân cảm biến sẽ biến dạng rất nhỏ, làm thay đổi giá trị điện trở của các strain gauge. Sự thay đổi này được chuyển đổi thành tín hiệu điện (mV/V) và truyền về đầu cân để xử lý và hiển thị giá trị khối lượng tương ứng.
Ưu điểm nổi bật của cơ chế này là:
Ưu Điểm Nổi Bật Của Loadcell AST PT
Độ Chính Xác Cao
Loadcell AST PT được thiết kế nhằm đáp ứng các yêu cầu cân chính xác trong sản xuất, giúp giảm thiểu sai số đo lường và đảm bảo tính minh bạch trong kiểm soát khối lượng.
Độ Bền Cơ Học Vượt Trội
Vật liệu chế tạo cao cấp giúp loadcell chịu được tải trọng lớn, va đập và rung động trong quá trình vận hành dài hạn.
Khả Năng Chống Nhiễu Tốt
Cáp tín hiệu và cấu trúc điện tử được tối ưu để hạn chế ảnh hưởng của nhiễu điện từ, đảm bảo tín hiệu ổn định.
Tương Thích Cao
Dễ dàng kết nối với nhiều loại đầu cân điện tử, bộ chuyển đổi tín hiệu và hệ thống điều khiển PLC.
Ứng Dụng Thực Tế Của Loadcell AST PT
Nhờ thiết kế linh hoạt và hiệu suất ổn định, Loadcell AST PT được ứng dụng rộng rãi trong nhiều lĩnh vực:
-
Cân sàn công nghiệp
-
Cân bồn – cân silo
-
Cân phễu – cân định lượng
-
Dây chuyền đóng gói tự động
-
Hệ thống kiểm soát tải trọng trong nhà máy
-
Ngành thực phẩm, hóa chất, vật liệu xây dựng
Ở mỗi ứng dụng, loadcell đóng vai trò là “trái tim” của hệ thống cân, quyết định trực tiếp đến độ chính xác và hiệu quả vận hành.
Thông Số Kỹ Thuật Tham Khảo Của Loadcell AST PT
| Thông số | Giá trị |
| Tải trọng định mức |
Đa dạng theo model |
| Độ chính xác |
Cấp công nghiệp |
| Tín hiệu ngõ ra |
mV/V |
| Điện áp kích thích |
Theo tiêu chuẩn |
| Vật liệu |
Thép hợp kim / Inox |
| Cấp bảo vệ |
Phù hợp môi trường công nghiệp |
| Nhiệt độ làm việc |
Dải rộng, ổn định |

Lưu ý: Thông số chi tiết có thể thay đổi tùy theo phiên bản và cấu hình loadcell.
Lý Do Nên Chọn Loadcell AST PT Cho Doanh Nghiệp
Chúng tôi đánh giá Loadcell AST PT là giải pháp cân bằng hoàn hảo giữa độ chính xác – độ bền – chi phí đầu tư. Sản phẩm không chỉ giúp doanh nghiệp tối ưu hóa quy trình sản xuất mà còn giảm thiểu chi phí bảo trì, nâng cao tuổi thọ hệ thống cân.
Đối với các doanh nghiệp đang tìm kiếm một dòng loadcell ổn định, dễ tích hợp và hoạt động bền bỉ trong thời gian dài, đây là lựa chọn đáng tin cậy.
Kết Luận
Loadcell AST PT là giải pháp cảm biến lực đáng tin cậy cho mọi hệ thống cân công nghiệp hiện đại. Với thiết kế chắc chắn, độ chính xác cao và khả năng vận hành ổn định, sản phẩm đáp ứng tốt các yêu cầu khắt khe trong đo lường và kiểm soát tải trọng. Việc lựa chọn đúng loadcell không chỉ giúp đảm bảo kết quả cân chính xác mà còn góp phần nâng cao hiệu quả vận hành và uy tín doanh nghiệp trong dài hạn.
Quý khách có nhu cầu mua Loadcell AST PT vui lòng liên hệ cân điện tử Thái Bình Dương để được tư vấn và báo giá sản phẩm miễn phí, nhanh và tốt nhất.
Hotline: 0908 608 666 Mr. Dũng - 0908 662 643 Mrs. Dung.
Chúng tôi rất hân hạnh khi được phục vụ quý khách!.