Tổng Quan Về Loadcell BCL-A Minebea Intec
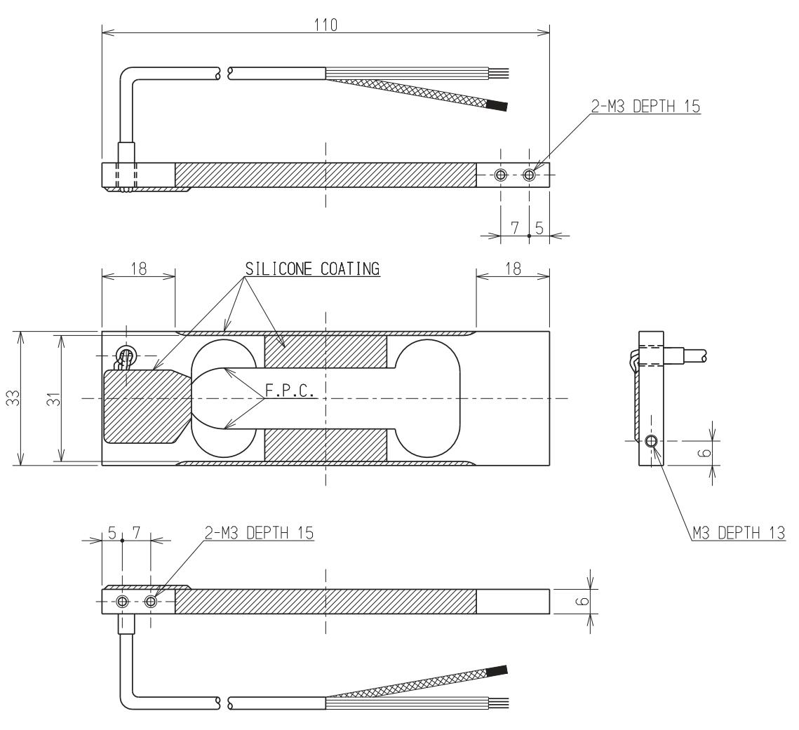
BCL-A là loadcell hợp kim nhôm, thiết kế nhỏ gọn, phù hợp cho các hệ thống cân có dải tải từ 300 g đến 4.5 kg. Với tín hiệu ngõ ra tiêu chuẩn 1.6 mV/V, BCL-A dễ dàng tích hợp với hầu hết các đầu cân, module khuếch đại và bo mạch điều khiển hiện nay.

Đặc biệt, loadcell được tối ưu để giảm ảnh hưởng tải lệch tâm, giúp đảm bảo độ chính xác cao ngay cả khi vật đặt không hoàn toàn đúng tâm.
Ưu Điểm Nổi Bật Của Loadcell BCL-A
Độ Chính Xác Cao Cho Tải Nhẹ
BCL-A đạt sai số phi tuyến, trễ và lặp chỉ ±0.02% R.O., phù hợp cho các ứng dụng cân yêu cầu độ chính xác cao trong dải tải nhỏ.
Khả Năng Chịu Quá Tải Tốt
Điều này giúp loadcell hoạt động ổn định và an toàn trong môi trường sử dụng thực tế.
Thiết Kế Nhôm Nhẹ – Kích Thước Gọn
Vật liệu hợp kim nhôm giúp loadcell có trọng lượng chỉ khoảng 40 g, rất phù hợp cho:
-
Cân điện tử để bàn
-
Thiết bị đo lực nhỏ
-
Máy đóng gói mini
-
Thiết bị OEM
Thông Số Kỹ Thuật Loadcell BCL-A Minebea Intec
1. Thông Số Hiệu Năng (Performance)
| Thông số | Giá trị |
| Dải tải định mức (R.C.) |
300 g / 600 g / 1.2 kg / 1.5 kg / 3 kg / 4.5 kg |
| Quá tải an toàn |
150% R.C. |
| Quá tải phá hủy |
200% R.C. |
| Tín hiệu ngõ ra (R.O.) |
1.6 mV/V ±0.2 mV/V |
| Độ phi tuyến |
±0.02% R.O. |
| Độ trễ |
±0.02% R.O. |
| Độ lặp |
±0.02% R.O. |
| Creep (20 phút) |
±0.02% R.O. |
| Phục hồi creep (20 phút) |
±0.02% R.O. |

2. Thông Số Điện (Electrical)
| Thông số | Giá trị |
| Điện áp kích thích khuyến nghị |
≤ 10 V |
| Điện áp kích thích tối đa |
15 V |
| Zero balance |
±0.04 mV/V |
| Điện trở ngõ vào |
420 Ω ±20 Ω |
| Điện trở ngõ ra |
350 Ω ±5 Ω |
| Điện trở cách điện |
≥ 2000 MΩ (DC 50 V) |
3. Thông Số Nhiệt Độ (Temperature)
| Thông số | Giá trị |
| Nhiệt độ bù |
-10°C đến +50°C |
| Nhiệt độ làm việc an toàn |
-10°C đến +50°C |
| Ảnh hưởng nhiệt độ lên zero |
0.04% R.O./10°C |
| Ảnh hưởng nhiệt độ lên output |
0.02% LOAD/10°C |
4. Ảnh Hưởng Tải Lệch Tâm
| Hạng mục | Giá trị |
| Kích thước bàn cân tối đa |
200 × 200 mm (300 g – 600 g) |
| |
300 × 300 mm (1.2 kg – 4.5 kg) |
| Độ chính xác đo |
±0.02% R.O. |
| Điều kiện đo |
1/2 tải định mức, đặt lệch 50 – 75 mm |
5. Thông Số Khác
| Thông số | Giá trị |
| Cáp tín hiệu |
Ø3.2 mm, 4 lõi có chống nhiễu, dài 40 cm |
| Cấp bảo vệ |
IP40 |
| Vật liệu |
Hợp kim nhôm |
| Khối lượng loadcell |
~ 40 g |
Bảng Model Loadcell BCL-A Minebea Intec
| Model | Tải trọng định mức |
| BCL-300GM-A |
300 g |
| BCL-600GM-A |
600 g |
| BCL-1.2K-A |
1.2 kg |
| BCL-1.5K-A |
1.5 kg |
| BCL-3K-A |
3 kg |
| BCL-4.5K-A |
4.5 kg |
Ứng Dụng Thực Tế Của Loadcell BCL-A
Loadcell BCL-A được sử dụng rộng rãi trong:
Nhờ thiết kế gọn nhẹ và thông số ổn định, BCL-A đặc biệt phù hợp cho các hệ thống yêu cầu độ chính xác cao nhưng không gian lắp đặt hạn chế.
Kết Luận
Loadcell BCL-A Minebea Intec là giải pháp cảm biến lực tải nhẹ chất lượng cao, đáp ứng hoàn hảo các yêu cầu về độ chính xác, độ ổn định và khả năng tích hợp linh hoạt. Với nhiều mức tải từ 300 g đến 4.5 kg, vật liệu nhôm nhẹ và thông số kỹ thuật tối ưu, BCL-A là lựa chọn lý tưởng cho các hệ thống cân nhỏ, thiết bị đo và ứng dụng OEM chuyên nghiệp.
Quý khách có nhu cầu mua Loadcell BCL-A Minebea Intec vui lòng liên hệ cân điện tử Thái Bình Dương để được tư vấn và báo giá sản phẩm miễn phí, nhanh và tốt nhất.
Hotline: 0908 608 666 Mr. Dũng - 0908 662 643 Mrs. Dung.
Chúng tôi rất hân hạnh khi được phục vụ quý khách!.