Model: PR 58Mức cân: 100kg / 250kg/ 500kgLoại loadcell: Single PointCấp chính xác: C3 (0.02% Emax)Tín hiệu ngõ ra danh định: 2 mV/V
0908 608 666 Mr DŨNG
Lượt xem:
116
-
Phê duyệt mẫu
-
Kiểm định
-
Hiệu chuẩn
Tổng Quan Về Loadcell PR 58 Minebea Intec
PR 58 là loadcell đơn điểm, cho phép lắp 1 loadcell duy nhất cho toàn bộ bàn cân mà vẫn đảm bảo độ chính xác cao trên toàn bộ bề mặt bàn cân. Dòng sản phẩm này được tối ưu cho:
Với dải tải trọng từ 100 kg đến 500 kg, PR 58 phù hợp cho nhiều ứng dụng khác nhau trong sản xuất, kho vận và thương mại công nghiệp.
Ưu Điểm Nổi Bật Của Loadcell PR 58
Độ Chính Xác Cao – Đạt Chuẩn OIML & NTEP

Loadcell PR 58 đạt cấp chính xác C3, được kiểm định theo OIML R60 và NTEP Class III, đảm bảo:
Thiết Kế Thép Không Gỉ – Chống Ăn Mòn Vượt Trội
Toàn bộ thân loadcell được chế tạo từ stainless steel, giúp:
Tối Ưu Cho Cân Sàn Kích Thước Lớn
PR 58 cho phép sử dụng với bàn cân tối đa 600 × 600 mm, phù hợp cho đa số cân sàn và cân bàn hiện nay.
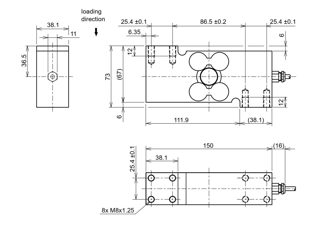
Thông Số Kỹ Thuật Loadcell PR 58 Minebea Intec
Thông Số Kỹ Thuật Chung
| Thông số | Giá trị |
| Loại loadcell |
Single Point |
| Cấp chính xác |
C3 (0.02% Emax) |
| Tín hiệu ngõ ra danh định |
2 mV/V |
| Nguồn cấp loadcell |
≤ 12 VDC |
| Nguồn tối đa |
15 VDC |
| Số loadcell trên bàn cân |
1 |
| Vật liệu |
Thép không gỉ |
| Chiều dài cáp |
3 m |
| Kích thước bàn cân tối đa |
600 × 600 mm |
| Chuẩn bảo vệ |
IP66 / IP68 |
| Chuẩn kiểm định |
OIML R60, NTEP |

Thông Số Đo Lường Chi Tiết
| Thông số | Giá trị |
| Độ lặp (Repeatability) |
< 0.01 %Cn |
| Độ trễ (Hysteresis) |
< 0.0166 %Cn |
| Độ tuyến tính |
< 0.0166 %Cn |
| Creep (30 phút) |
< 0.0166 %Cn |
| Ảnh hưởng nhiệt độ điểm 0 |
< 0.0093 %Cn / 10K |
| Ảnh hưởng nhiệt độ Span |
< 0.0117 %Cn / 10K |
| Trở kháng ngõ vào |
380 ± 38 Ω |
| Trở kháng ngõ ra |
350 ± 25 Ω |
| Điện trở cách điện |
> 5 GΩ |
| Độ võng đàn hồi tối đa |
< 0.2 mm |
Bảng Model Loadcell PR 58 Minebea Intec
Model Chuẩn C3MR
| Model | Tải trọng | Mã đặt hàng |
| PR 58/100 kg C3MR |
100 kg |
9409 258 07110 |
| PR 58/250 kg C3MR |
250 kg |
9409 258 07125 |
| PR 58/500 kg C3MR |
500 kg |
9409 258 07150 |
Model C3MRE – Phiên Bản Chống Cháy Nổ
| Model | Tải trọng | Mã đặt hàng |
| PR 58/100 kg C3MRE |
100 kg |
9409 658 07110 |
| PR 58/250 kg C3MRE |
250 kg |
9409 658 07125 |
| PR 58/500 kg C3MRE |
500 kg |
9409 658 07150 |
Model NTEP Class III – 5000 Division
| Model | Tải trọng | Mã đặt hàng |
| PR 58/100 kg III 5000 S |
100 kg |
9409 258 0C110 |
| PR 58/250 kg III 5000 S |
250 kg |
9409 258 0C125 |
| PR 58/500 kg III 5000 S |
500 kg |
9409 258 0C150 |
Ứng Dụng Thực Tế Của Loadcell PR 58
Loadcell PR 58 được ứng dụng rộng rãi trong:
Khả năng hoạt động ổn định và độ chính xác cao giúp PR 58 trở thành lựa chọn hàng đầu cho các hệ thống cân sàn hiện đại.
Kết Luận
Loadcell PR 58 Minebea Intec là giải pháp cảm biến lực đơn điểm chất lượng cao, hội tụ đầy đủ các yếu tố chính xác – bền bỉ – đạt chuẩn quốc tế. Với dải tải trọng linh hoạt, thiết kế thép không gỉ và khả năng tích hợp dễ dàng, PR 58 đáp ứng hoàn hảo cho cả cân thương mại lẫn cân công nghiệp chuyên sâu.
Quý khách có nhu cầu mua Loadcell PR 58 Minebea Intec vui lòng liên hệ cân điện tử Thái Bình Dương để được tư vấn và báo giá sản phẩm miễn phí, nhanh và tốt nhất.
Hotline: 0908 608 666 Mr. Dũng - 0908 662 643 Mrs. Dung.
Chúng tôi rất hân hạnh khi được phục vụ quý khách!.