Thuộc dòng loadcell dạng nén (Compression Type), CMX-USB không chỉ có khả năng chịu tải lớn, độ cứng cao, mà còn được trang bị hộp chuyển đổi A/D tích hợp với chuẩn USB 2.0, giúp việc kết nối đơn giản như cắm USB thông thường. Kết hợp với phần mềm WinCT-DLC, người dùng có thể theo dõi, ghi log và phân tích lực theo thời gian thực một cách dễ dàng. Đây là dòng loadcell lý tưởng cho phòng thí nghiệm, máy test lực, dây chuyền sản xuất công nghiệp và nhiều ứng dụng chuyên sâu khác.

1. Giới thiệu về Loadcell CMX-USB AND
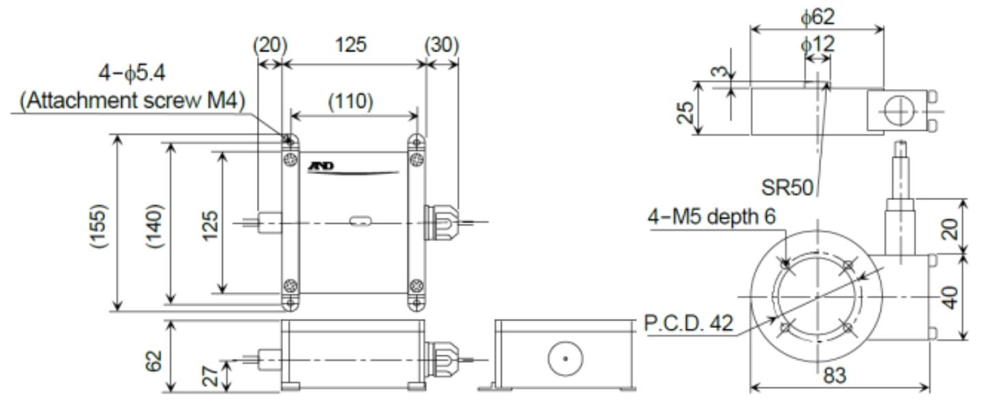
Loadcell CMX-USB là cảm biến đo lực nén dạng đĩa tròn, thiết kế nhỏ gọn, cấu trúc bằng thép không gỉ, độ bền cao và phù hợp trong nhiều môi trường công nghiệp. Điểm nổi bật nhất của dòng này chính là bộ chuyển đổi tín hiệu kỹ thuật số được tích hợp bên trong hộp Conversion Box. Nhờ đó, chỉ cần kết nối USB vào máy tính, loadcell sẽ được nhận dạng ngay lập tức và truyền dữ liệu trực tiếp đến phần mềm đo lực.
Điều này giúp loại bỏ:
Kết quả là quá trình đo lực trở nên đơn giản, tối ưu và hạn chế tối đa nhiễu tín hiệu.
Loadcell CMX-USB AND được đánh giá cao bởi khả năng đo lực từ 500 N đến 20 kN, phù hợp cho nhiều mức tải trong công nghiệp lẫn nghiên cứu chuyên sâu.
2. Những ưu điểm nổi bật của Loadcell CMX-USB AND
2.1. Kết nối USB trực tiếp – Không cần nguồn ngoài, không cần thiết bị bổ trợ
CMX-USB hoạt động hoàn toàn bằng nguồn USB 5V (USB Bus Powered), nghĩa là:
-
Không cần adapter hoặc nguồn riêng
-
Không cần amplifier loadcell
-
Không cần đầu chỉ thị cơ bản
Chỉ với một sợi cáp USB, người dùng có thể bắt đầu đo lực ngay lập tức – nhanh chóng và thuận tiện.
2.2. Đã hiệu chuẩn sẵn – Cắm vào là dùng ngay
Loadcell được A&D hiệu chuẩn tại nhà máy, đảm bảo:
Điều này giúp người dùng không cần kiến thức chuyên sâu về hiệu chuẩn loadcell.
2.3. Độ bền vượt trội – Chuẩn công nghiệp IP67
Loadcell được chế tạo bằng thép không gỉ (stainless steel), với độ bảo vệ:
Sử dụng tốt trong:
2.4. Tần số cộng hưởng cao – Phù hợp đo lực động
Tùy model, CMX-USB có tần số cộng hưởng từ 5.5 kHz đến 22.5 kHz
Điều này cho phép loadcell:
2.5. Phần mềm WinCT-DLC mạnh mẽ
CMX-USB tương thích hoàn toàn với WinCT-DLC, giúp người dùng:
2.6. Ứng dụng cực kỳ đa dạng
Loadcell phù hợp với:
-
Máy test lực nén
-
Kiểm tra độ bền vật liệu
-
Đo lực đóng nắp, ép bao bì
-
Đo lực robot
-
Đo áp suất nén trong thiết bị y tế
-
Dây chuyền sản xuất thực phẩm – dược phẩm
-
R&D kỹ thuật cơ khí – tự động hóa
Tính linh hoạt giúp CMX-USB trở thành một trong những lựa chọn tốt nhất trong phân khúc loadcell USB hiện nay.
3. Thông số kỹ thuật Loadcell CMX-USB AND
3.1. Thông số từng model
| Model | Tải trọng (Capacity) | Độ võng (Deflection) | Tần số cộng hưởng (Natural frequency) |
| CMX-50L-U |
500 N (50.99 kg) |
0.06 mm |
5.5 kHz |
| CMX-100L-U |
1 kN (102.0 kg) |
0.03 mm |
8.1 kHz |
| CMX-200L-U |
2 kN (203.9 kg) |
0.03 mm |
11.5 kHz |
| CMX-500L-U |
5 kN (509.9 kg) |
0.03 mm |
18.5 kHz |
| CMX-1-U |
10 kN (1.020 t) |
0.04 mm |
22.5 kHz |
| CMX-2-U |
20 kN (2.039 t) |
0.03 mm |
20.0 kHz |

3.2. Thông số loadcell
| Thông số | Giá trị |
| Sai số tổng (Combined error) |
0.2% R.O |
| Zero Balance |
±2% R.O |
| Ảnh hưởng nhiệt độ zero |
0.2% R.O / 10°C |
| Ảnh hưởng nhiệt độ span |
0.2% Load / 10°C |
| Nhiệt độ bù |
-10°C đến +60°C |
| Giới hạn quá tải an toàn |
150% R.C |
| Giới hạn phá hủy |
200% R.C |
| Vật liệu loadcell |
Thép không gỉ (Stainless steel) |
3.3. Thông số hộp chuyển đổi & USB
| Thông số | Giá trị |
| Điện áp nguồn |
5V DC (USB Bus Power) |
| Dòng tiêu thụ |
≤ 60 mA |
| Tốc độ A/D |
100 mẫu/giây |
| Bộ lọc số |
0.7 – 11 Hz (10 mức chọn) |
| Chuẩn USB |
USB 2.0 Full Speed |
| Baud Rate |
38400 bps |
| Data Format |
ASCII |
| Parity |
Even |
| Stop bit |
1 bit |
| Terminator |
CR LF |
3.4. Kết cấu & kích thước
| Hạng mục | Giá trị |
| Chiều dài dây loadcell |
3 m (Φ5 mm) |
| Dây USB |
1.2 m (Φ4 mm, Type-A) |
| Trọng lượng |
1 kg |
| Chống nước – bụi |
Loadcell IP67, Conversion Box IP65 |
| Vật liệu |
Loadcell bằng Inox, hộp bằng Polycarbonate |
4. Ứng dụng thực tế của Loadcell CMX-USB AND
Nhờ tính năng mạnh mẽ, CMX-USB được ứng dụng trong nhiều ngành nghề:
• Kiểm tra cơ tính vật liệu
• Máy test lực và R&D
-
Phân tích lực theo thời gian
-
Chạy nhiều loadcell đồng thời
-
Phục vụ nghiên cứu thử nghiệm
• Công nghiệp sản xuất
• Tự động hóa & robot
• Thiết bị y tế và phục hồi chức năng
-
Đo lực tay, lực chân
-
Kiểm tra tải trọng khớp
Quý khách có nhu cầu mua Loadcell CMX-USB AND vui lòng liên hệ cân điện tử Thái Bình Dương để được tư vấn và báo giá sản phẩm miễn phí, nhanh và tốt nhất.
Hotline: 0908 608 666 Mr. Dũng - 0908 662 643 Mrs. Dung.
Chúng tôi rất hân hạnh khi được phục vụ quý khách!.