Trong các ứng dụng đo lường hiện đại, đặc biệt là trong lĩnh vực kiểm tra lực nén, nghiên cứu cơ học vật liệu hoặc thiết kế thiết bị có không gian lắp đặt nhỏ, nhu cầu sử dụng cảm biến lực mini nhưng vẫn đảm bảo độ chính xác cao đang tăng mạnh. Loadcell LCC32 AND ra đời như một giải pháp chuyên biệt cho những nhu cầu này: nhỏ gọn – mạnh mẽ – đo lực tin cậy – phù hợp thí nghiệm và công nghiệp.
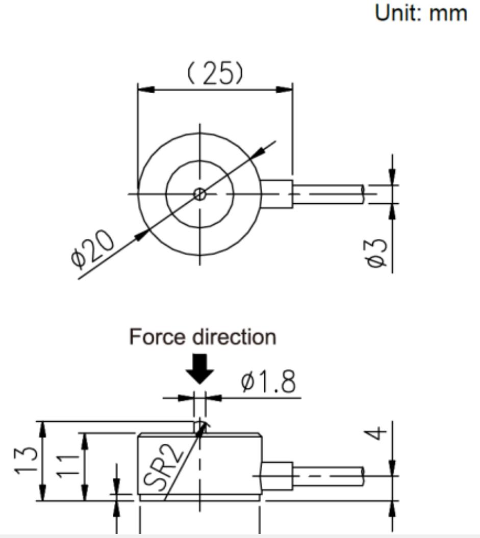
Với đường kính chỉ 20 mm, chiều cao khoảng 13 mm và trọng lượng chỉ 23 g, LCC32 là một trong những dòng loadcell dạng nút (button loadcell) nhỏ nhất của A&D. Tuy có kích thước mini, tải trọng của nó lại rất ấn tượng, từ 200 N đến 5 kN, đáp ứng tốt nhiều ứng dụng kỹ thuật, đặc biệt trong các hệ thống đo tích hợp.

1. Giới thiệu về Loadcell LCC32 AND
Loadcell LCC32 thuộc nhóm cảm biến lực dạng nén (Compression Load Cell), thiết kế theo kiểu “button type” – phần tiếp lực nhỏ, truyền lực trực tiếp theo trục thẳng đứng. Nhờ cấu trúc chắc chắn bằng thép không gỉ (stainless steel), dòng loadcell này hoạt động bền bỉ trong nhiều điều kiện môi trường.
Điểm mạnh của LCC32 không chỉ ở kích thước nhỏ mà còn ở khả năng giảm thiểu sai số khi lực tác động không hoàn toàn đồng trục, rất quan trọng trong các bài test lực nhỏ và thiết bị độ chính xác cao.
2. Công năng nổi bật của Loadcell LCC32 AND
2.1. Kích thước mini – tối ưu cho lắp đặt trong không gian chật hẹp
Theo tài liệu gốc, LCC32 có:
-
Đường kính: 20 mm
-
Chiều cao: 13 mm
-
Trọng lượng: 23 g
Thông số này giúp loadcell phù hợp với các ứng dụng:
2.2. Dải tải rộng từ 200 N đến 5 kN
LCC32 cung cấp 4 mức tải trọng:
Nhờ vậy, sản phẩm linh hoạt từ thí nghiệm nhỏ cho đến các bài test yêu cầu lực nén lớn hơn.
2.3. Độ cộng hưởng cao – độ cứng lớn
Dòng LCC32 có tần số cộng hưởng từ:
Tần số cộng hưởng cao đồng nghĩa với:
2.4. Độ chính xác ổn định – sai số thấp
LCC32 là lựa chọn đáng tin cậy trong các bài đo yêu cầu độ chính xác cao nhờ:
-
Combined error: 0.5% R.O
-
Nonlinearity: 0.3% R.O
-
Hysteresis: 0.3% R.O
-
Repeatability: 0.2% R.O
Những giá trị này đảm bảo mẫu dữ liệu đo có độ lặp lại và độ tin cậy cao.
2.5. Vật liệu thép không gỉ – chịu lực và bền bỉ
Loadcell được chế tạo hoàn toàn bằng stainless steel, mang lại:
-
Chống ăn mòn
-
Độ ổn định lâu dài
-
Khả năng chịu tải tốt
3. Ứng dụng thực tế của Loadcell LCC32
• Phòng thí nghiệm – R&D
• Sản xuất điện tử – thiết bị tiêu dùng
• Tự động hóa – robot
• Công nghiệp nhẹ
4. Bảng thông số kỹ thuật Loadcell LCC32 AND
4.1. Thông số từng model
| Model | Tải trọng (R.C.) | Độ võng | Tần số cộng hưởng |
| LCC32-N200 |
200 N (20.39 kg) |
0.01 mm |
44 kHz |
| LCC32-N500 |
500 N (50.99 kg) |
0.02 mm |
48 kHz |
| LCC32-KN002 |
2 kN (203.9 kg) |
0.03 mm |
44 kHz |
| LCC32-KN005 |
5 kN (509.9 kg) |
0.03 mm |
48 kHz |

4.2. Độ chính xác & sai số
| Thông số | Giá trị |
| Rated output |
1 mV/V ±20% |
| Combined error |
0.5% R.O |
| Non-linearity |
0.3% R.O |
| Hysteresis |
0.3% R.O |
| Repeatability |
0.2% R.O |
| Zero balance |
±10% R.O |
4.3. Thông số điện và môi trường
| Thông số | Giá trị |
| Voltage khuyến nghị |
5–12 VDC |
| Voltage tối đa |
15 VDC |
| Input resistance |
1 kΩ ±0.1 kΩ |
| Output resistance |
1 kΩ ±0.01 kΩ |
| Insulation resistance |
> 500 MΩ tại 50 VDC |
| Nhiệt độ bù |
0°C đến 50°C |
| Nhiệt độ hoạt động |
-10°C đến 60°C |
| Ảnh hưởng nhiệt độ zero |
0.1% R.O / 10°C |
| Ảnh hưởng nhiệt độ span |
0.1% Load / 10°C |
4.4. Cấu trúc & vật liệu
| Thông số | Giá trị |
| Vật liệu |
Thép không gỉ |
| Cáp |
Φ3 mm – dài 0.3 m |
| Trọng lượng |
~23 g |
| Đường kính |
20 mm |
| Chiều cao |
13 mm |
5. Ưu điểm khi chọn Loadcell LCC32 AND
-
Thiết kế mini cực kỳ linh hoạt
-
Hoạt động ổn định, sai số thấp
-
Độ bền cao nhờ vật liệu inox
-
Phù hợp các bài test lực nén nhỏ
-
Dải tải rộng từ 200 N – 5 kN
-
Dễ lắp đặt vào nhiều hệ thống
Quý khách có nhu cầu mua Loadcell LCC32 AND vui lòng liên hệ cân điện tử Thái Bình Dương để được tư vấn và báo giá sản phẩm miễn phí, nhanh và tốt nhất.
Hotline: 0908 608 666 Mr. Dũng - 0908 662 643 Mrs. Dung.
Chúng tôi rất hân hạnh khi được phục vụ quý khách!.