Loadcell SBT Flintec được thiết kế chuyên dụng cho các ứng dụng cân xe trực tiếp trên phương tiện (on-board weighing). Với cấu trúc thép hợp kim chịu lực cao, phủ niken không điện (electroless nickel-plated) và khả năng chống nước đạt chuẩn IP68, SBT mang đến độ tin cậy vượt trội, hoạt động ổn định ngay cả trong điều kiện môi trường khắc nghiệt nhất.

Giới thiệu chung về Loadcell SBT Flintec
Flintec SBT là loadcell dầm chịu cắt (beam type) có thiết kế thấp (low profile), chuyên dùng trong các hệ thống cân gắn trực tiếp dưới thân xe tải hoặc rơ-moóc. Với tải trọng danh định 10.000kg (10 tấn), SBT mang lại độ chính xác cao và khả năng chịu quá tải lớn, giúp cân xe nhanh, ổn định và an toàn.
Cấu trúc bằng thép công cụ (tool steel) kết hợp với công nghệ đổ keo chống ẩm (potted) giúp bảo vệ toàn bộ cảm biến bên trong khỏi nước, bụi, và rung động mạnh. Chính vì vậy, loadcell này có thể hoạt động tin cậy trong nhiều năm liên tục mà không cần bảo trì phức tạp.
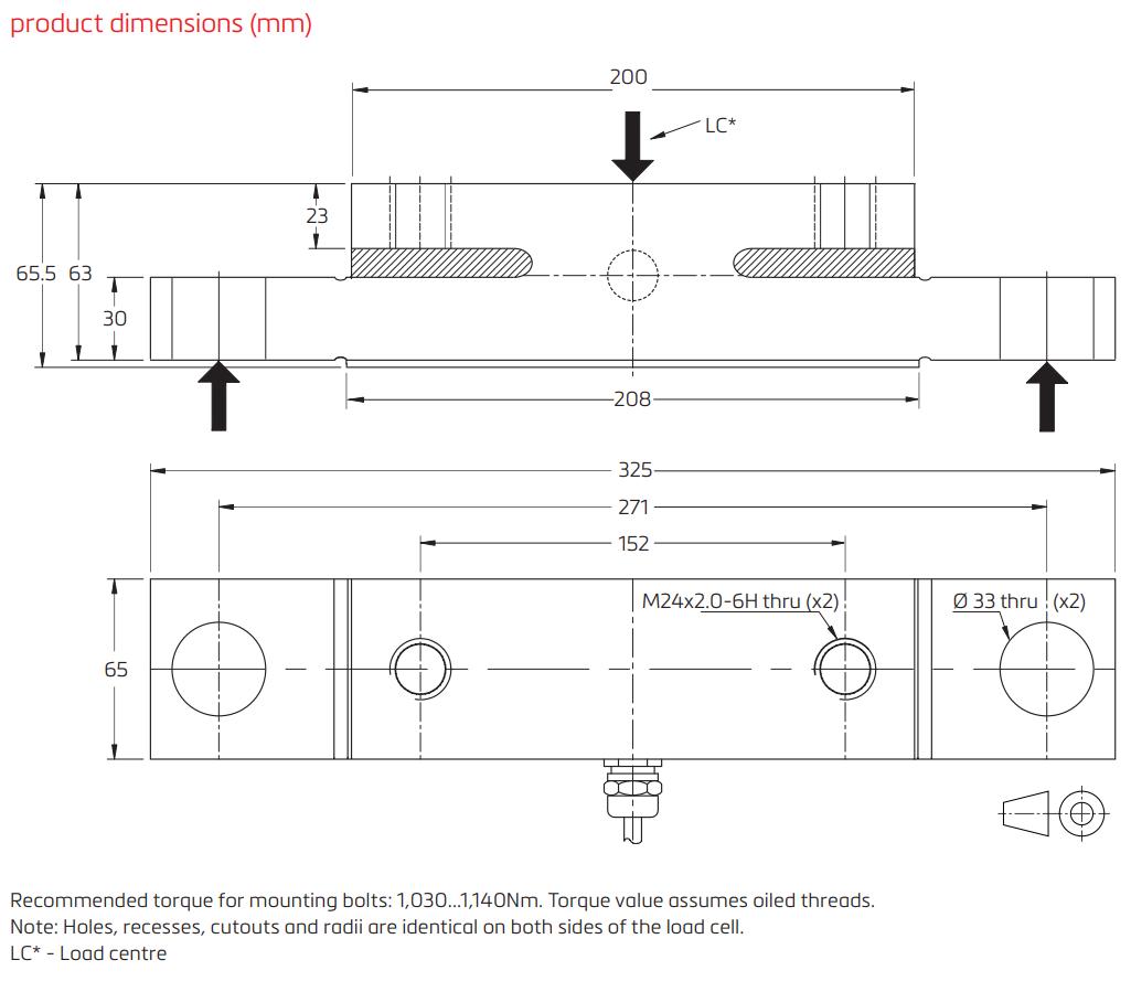
Bên cạnh đó, SBT còn được thiết kế để dễ dàng lắp đặt dưới khung xe hoặc thùng rơ-moóc nhờ các lỗ ren tiêu chuẩn M24 và kích thước đồng nhất giữa hai mặt. Flintec cũng cung cấp tùy chọn phiên bản SBT-B với lỗ ren hệ inch (UNF) để phù hợp với tiêu chuẩn quốc tế.
Ứng dụng thực tế của Loadcell SBT Flintec
Nhờ đặc tính bền, chịu tải cao và độ chính xác ổn định, Loadcell SBT được ứng dụng rộng rãi trong các hệ thống cân gắn trên phương tiện vận tải (on-board weighing systems). Cụ thể:
-
Cân xe ben và rơ-moóc tự đổ (Tipper Trucks & Trailers): đo khối lượng vật liệu trực tiếp trên xe, giúp kiểm soát tải trọng tức thời.
-
Xe bồn chở hàng rời (Bulk Tanker Vehicles): giám sát khối lượng hàng hóa vận chuyển, tránh quá tải.
-
Xe thu gom rác (Waste Collection Vehicles): cân tải trọng thực tế của rác thải để tối ưu hóa số chuyến thu gom.
-
Xe nông nghiệp và máy kéo (Agricultural Trailers & Machinery): cân khối lượng vật tư, nông sản hoặc phân bón ngay trên xe.
-
Thiết bị vận chuyển công nghiệp: dùng trong các hệ thống cân động, cân di chuyển hoặc các thiết bị nâng tải.
Nhờ khả năng chịu rung, chịu tải bên tốt và chống nước IP68, SBT đặc biệt phù hợp cho môi trường làm việc ngoài trời, nơi điều kiện thời tiết và va đập cơ học thường xuyên xảy ra.
Đặc điểm nổi bật của Loadcell SBT Flintec
Không chỉ mạnh mẽ về cấu tạo, SBT Flintec còn thể hiện độ chính xác và độ tin cậy vượt trội nhờ công nghệ sản xuất tiên tiến. Dưới đây là những ưu điểm nổi bật:
-
Tải trọng lớn 10.000kg (10 tấn): phù hợp cho xe tải, rơ-moóc hoặc thiết bị công nghiệp nặng.
-
Cấu tạo thép hợp kim (Tool Steel): tăng cường khả năng chịu lực và chống biến dạng khi chịu tải liên tục.
-
Bề mặt phủ niken không điện: chống ăn mòn, bảo vệ khỏi môi trường ẩm, muối hoặc hóa chất.
-
Chống nước và bụi chuẩn IP68: đảm bảo hoạt động ổn định ngay cả khi tiếp xúc với mưa, bùn hoặc môi trường khắc nghiệt.
-
Dễ lắp đặt: có sẵn các lỗ ren M24x2.0-6H, kích thước đối xứng giúp gắn dưới khung xe dễ dàng.
-
Độ an toàn cao: có thể chịu quá tải lên đến 300% tải trọng định mức mà không hư hại.
-
Độ tin cậy cao: Flintec – thương hiệu nổi tiếng toàn cầu về cảm biến cân chính xác cho ngành công nghiệp nặng.


Thông số kỹ thuật Loadcell SBT Flintec
Dưới đây là bảng thông số kỹ thuật chi tiết của Loadcell SBT Flintec:
| Thông số | Giá trị |
| Tải trọng định mức (Emax) |
10.000 kg |
| Kiểu cảm biến |
Dầm chịu cắt (Beam Type) |
| Vật liệu chế tạo |
Thép công cụ (Tool Steel) |
| Bề mặt hoàn thiện |
Mạ niken không điện (Electroless Nickel-Plated) |
| Độ kín bảo vệ |
IP68 (đổ keo bảo vệ – Potted) |
| Độ chính xác |
Class GP (General Precision) |
| Độ nhạy (Rated Output) |
0.82 mV/V ±10% |
| Sai số tổng hợp |
±1.0% RO |
| Sai số do trôi (Creep 30 phút) |
±0.06% RO |
| Sai số tuyến tính |
±1.0% RO |
| Nhiệt độ bù |
-10°C đến +40°C |
| Nhiệt độ hoạt động |
-30°C đến +70°C |
| Ảnh hưởng nhiệt độ lên Zero (TC0) |
±0.04% RO / 10°C |
| Ảnh hưởng nhiệt độ lên độ nhạy (TCRO) |
±0.02% RO / 10°C |
| Điện áp kích thích |
5…15 VDC |
| Điện trở đầu vào |
385 ±20 Ω |
| Điện trở đầu ra |
350 ±3 Ω |
| Điện trở cách điện |
≥ 5.000 MΩ (100V DC) |
| Giới hạn tải an toàn |
150% Emax |
| Giới hạn tải phá hủy |
300% Emax |
| Giới hạn tải lệch bên |
100% Emax |
| Trọng lượng |
8.5 kg |
| Chiều dài cáp tiêu chuẩn |
7.5 m (4 lõi, đầu nối M12 male) |
| Màu dây kết nối |
Nâu: +Exc / Trắng: +Sig / Xanh: -Exc / Đen: -Sig |

Kết luận
Loadcell SBT Flintec là lựa chọn tối ưu cho các hệ thống cân xe tải, xe ben, xe nông nghiệp và thiết bị vận chuyển cần độ chính xác cao cùng độ bền vượt trội. Với khả năng chịu tải đến 10 tấn, chống nước IP68, vật liệu thép hợp kim cao cấp và độ ổn định cực tốt, SBT giúp các doanh nghiệp kiểm soát tải trọng dễ dàng, giảm hao mòn phương tiện và nâng cao an toàn vận hành.
Quý khách có nhu cầu mua Loadcell SBT Flintec vui lòng liên hệ cân điện tử Thái Bình Dương để được tư vấn và báo giá sản phẩm miễn phí, nhanh và tốt nhất.
Hotline: 0908 608 666 Mr. Dũng - 0908 662 643 Mrs. Dung.
Chúng tôi rất hân hạnh khi được phục vụ quý khách!.