1. Tổng quan Loadcell SLB215 Mettler Toledo
Loadcell SLB215 là cảm biến dầm cắt (shear beam) nổi bật của thương hiệu Mettler Toledo – Mỹ, được chế tạo với độ chính xác cao và tính ổn định lâu dài. Nhờ thiết kế hàn kín hoàn toàn (hermetically sealed), SLB215 hoạt động bền bỉ trong môi trường có độ ẩm cao, bụi bẩn hoặc điều kiện công nghiệp nặng.
Sản phẩm có dải tải rộng từ 110 kg đến 4.4 t, thích hợp cho nhiều loại cân công nghiệp từ cân sàn đến cân bồn và silo. Đặc biệt, SLB215 có lỗ ren dẫn tải, dễ lắp đặt với chân cân hoặc bộ phụ kiện chống rung – chống giãn nở đi kèm.
Không chỉ bền bỉ, SLB215 còn là dòng loadcell đạt chuẩn quốc tế toàn cầu, giúp doanh nghiệp dễ dàng sử dụng cho các dự án đa quốc gia hoặc các dây chuyền sản xuất theo tiêu chuẩn nghiêm ngặt.

2. Đặc điểm nổi bật của Loadcell SLB215 Mettler Toledo
2.1 Hàn kín hoàn toàn – chống ẩm vượt trội
SLB215 được hàn kín hermetic bằng vật liệu thép mạ niken, giúp tăng độ bền, giảm độ trôi tín hiệu và đảm bảo hoạt động ổn định trong điều kiện:
Đây là ưu điểm thường chỉ có ở loadcell inox cao cấp.
2.2 Chứng nhận toàn cầu – an toàn trong môi trường nguy hiểm
Loadcell SLB215 được trang bị đầy đủ các chứng nhận quốc tế:
-
OIML C3, C1 – sử dụng cho cân thương mại
-
NTEP Class III M – tiêu chuẩn Hoa Kỳ
-
ATEX Zone 1/2 và 21/22 – dùng trong môi trường dễ cháy nổ
-
IECEx – tiêu chuẩn quốc tế về an toàn cháy nổ
-
FM Approval – chuẩn phòng cháy nổ cho Mỹ/Canada
Nhờ đó, SLB215 phù hợp cho các ngành:
2.3 Dễ lắp đặt – tích hợp nhanh
Nhờ có lỗ ren tiếp lực, SLB215 dễ dàng:
-
Lắp vào chân cân
-
Tích hợp với kit chống rung, kit giãn nở nhiệt
-
Lắp đặt trong cân bồn, phễu, silo
Mettler Toledo cũng cung cấp Foot Kit, Base Plate, Expansion & Vibration Kit giúp tối ưu hiệu suất và kéo dài tuổi thọ loadcell.
2.4 Hoạt động ổn định – tuổi thọ cao
-
Đạt trên 1.000.000 chu kỳ tải
-
Khả năng chịu quá tải an toàn 150%, phá hủy ở 300%
-
Chịu tải ngang đến 100% tải định mức
-
Bảo vệ IP67 – chống nước, chống bụi hiệu quả
3. Ứng dụng của Loadcell SLB215 Mettler Toledo
Với thiết kế mạnh mẽ và đa chứng nhận, SLB215 phù hợp cho:
SLB215 cũng được sử dụng phổ biến tại các nhà máy thực phẩm, gỗ, dược phẩm, thủy sản, luyện kim, dầu khí…
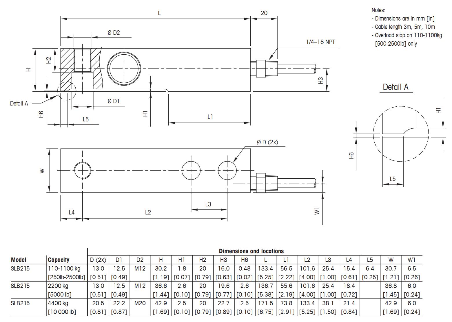
4. Thông số kỹ thuật Loadcell SLB215 Mettler Toledo
4.1 Thông số cơ bản
| Thông số | Giá trị / Mô tả |
| Dải tải (kg/lb) |
110 / 220 / 550 / 1100 / 2200 / 4400 kg |
| Tín hiệu ngõ ra (mV/V) |
0.97 ± 0.002 hoặc 1.94 ± 0.002 |
| Zero Balance |
≤ 1% R.C. |
| Sai số tổng hợp |
≤ 0.018 – 0.03 %R.C. |
| Lặp lại |
≤ 0.01 – 0.02 %A.L. |
| Creep 30 phút |
≤ 0.0167 %A.L. |
| Điện trở ngõ vào / ngõ ra |
350 Ω |
| Điện áp kích hoạt |
5 – 15 VDC (Max 20V) |
| Nhiệt độ bù |
-10°C đến +40°C |
| Nhiệt độ hoạt động |
-40°C đến +65°C |
| Nhiệt độ lưu trữ |
-40°C đến +80°C |
| Vật liệu lò xo |
Thép hợp kim |
| Vỏ loadcell |
Inox 304 |
| Lớp mạ |
Nickel plated |
| Chống nước – bụi |
IP67 – NEMA 6 |
| Quá tải an toàn |
150% R.C. |
| Quá tải phá hủy |
300% R.C. |
| Tải ngang an toàn |
100% R.C. |
| Tuổi thọ |
>1.000.000 chu kỳ |
| Chiều dài cáp |
5m hoặc 10m |
| Phụ kiện tùy chọn |
Foot Kit, Base Plate Kit, EVKT |

5. Lý do nên chọn Loadcell SLB215 Mettler Toledo
-
Hoạt động cực kỳ ổn định, phù hợp môi trường khắc nghiệt
-
Chứng nhận đầy đủ, phù hợp hệ thống quốc tế
-
Hàn kín hermetic, bền hơn các loại shear beam thông thường
-
Lắp đặt nhanh, nhiều phụ kiện tùy chọn
-
Độ chính xác cao, đáp ứng tiêu chuẩn kiểm định thương mại
-
Giải pháp kinh tế – tuổi thọ cao giúp tiết kiệm chi phí bảo trì
Kết luận
Loadcell SLB215 Mettler Toledo là một trong những dòng loadcell dầm cắt tốt nhất thị trường hiện nay, lý tưởng cho các ứng dụng công nghiệp đòi hỏi độ chính xác, độ bền và khả năng hoạt động trong điều kiện khắc nghiệt. Nhờ thiết kế hàn kín, vật liệu cao cấp và chứng nhận toàn cầu, SLB215 mang lại hiệu suất vượt trội và độ tin cậy dài lâu cho mọi hệ thống cân.
Quý khách có nhu cầu mua Loadcell SLB215 Mettler Toledo vui lòng liên hệ cân điện tử Thái Bình Dương để được tư vấn và báo giá sản phẩm miễn phí, nhanh và tốt nhất.
Hotline: 0908 608 666 Mr. Dũng - 0908 662 643 Mrs. Dung.
Chúng tôi rất hân hạnh khi được phục vụ quý khách!.