Trong các ngành công nghiệp đặc thù như hóa chất, thực phẩm, dược phẩm, xăng dầu, nông nghiệp và sản xuất OEM, yêu cầu về an toàn cháy nổ luôn được đặt lên hàng đầu. Loadcell chống cháy nổ PR 53 Minebea Intec là dòng loadcell đơn điểm (Single Point) được thiết kế chuyên biệt cho các hệ thống cân hoạt động trong khu vực nguy hiểm, nơi có nguy cơ cháy nổ cao do khí, bụi hoặc hóa chất dễ bay hơi.

Sản phẩm được nghiên cứu, phát triển tại Đức và sản xuất bởi Minebea Intec – thương hiệu toàn cầu trong lĩnh vực công nghệ cân điện tử công nghiệp, nổi tiếng với độ chính xác, độ bền và sự tuân thủ nghiêm ngặt các tiêu chuẩn quốc tế như OIML, NTEP, ATEX và IECEx.
Tổng Quan Về Loadcell Chống Cháy Nổ PR 53
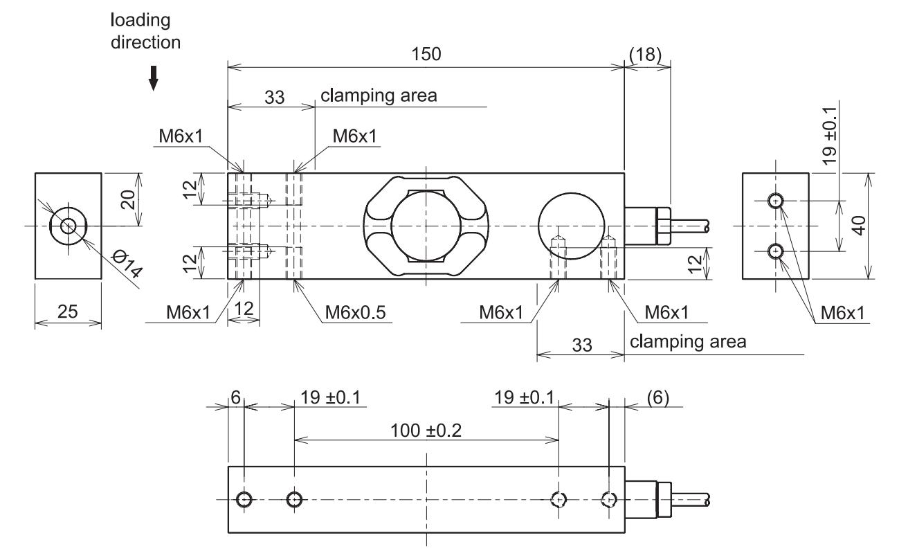
Loadcell PR 53 thuộc dòng Single Point Load Cell bằng thép không gỉ, cho phép sử dụng một loadcell duy nhất cho bàn cân, đồng thời vẫn đảm bảo độ chính xác cao ngay cả khi tải đặt lệch tâm.
Dòng PR 53 được thiết kế cho dải tải trọng từ 10 kg đến 100 kg, phù hợp với các loại:
-
Cân bàn chống cháy nổ
-
Cân sàn nhỏ trong khu vực ATEX
-
Cân đóng gói – chiết rót hóa chất
-
Hệ thống cân OEM trong nhà máy nguy hiểm
-
Cân thực phẩm, dược phẩm yêu cầu an toàn cao
Ưu Điểm Nổi Bật Của Loadcell PR 53 Minebea Intec
-
Thiết kế chống cháy nổ đạt chuẩn ATEX & IECEx
-
Độ chính xác cao – đạt cấp C3 theo OIML R60
-
Cấu trúc Single Point, giảm số lượng loadcell
-
Vật liệu inox cao cấp, chống ăn mòn vượt trội
-
Hoạt động ổn định trong môi trường khắc nghiệt
-
Chuẩn bảo vệ IP66 / IP68 / IP69
-
Dễ dàng tích hợp với đầu cân, transmitter và PLC
Thông Số Kỹ Thuật Loadcell Chống Cháy Nổ PR 53
Dưới đây là bảng thông số kỹ thuật chi tiết của Loadcell PR 53, được trình bày rõ ràng, đầy đủ và chính xác theo tài liệu kỹ thuật của nhà sản xuất.
Bảng Thông Số Kỹ Thuật Chung – Loadcell PR 53
| Thông số | Giá trị |
| Model |
PR 53 |
| Loại loadcell |
Single Point – Đơn điểm |
| Cấp chính xác |
C3 – 0.02 % Emax |
| Tải trọng định mức (Emax) |
10 / 15 / 20 / 30 / 50 / 100 kg |
| Tải sử dụng tối đa |
150 % Emax |
| Tải phá hủy |
300 % Emax |
| Tín hiệu ngõ ra |
2 mV/V |
| Sai số lặp lại |
< 0.01 %Cn |
| Sai số tuyến tính |
< 0.0166 %Cn |
| Sai số trễ |
< 0.0166 %Cn |
| Điện trở ngõ vào |
380 ± 38 Ω |
| Điện trở ngõ ra |
350 ± 25 Ω |
| Nguồn cấp danh định |
≤ 12 VDC |
| Nguồn cấp tối đa |
15 VDC |
| Nhiệt độ làm việc |
-30 °C đến +70 °C |
| Nhiệt độ lưu trữ |
-50 °C đến +80 °C |
| Độ võng danh định |
< 0.3 mm |
| Chiều dài cáp |
3.5 m |
| Vật liệu |
Thép không gỉ 1.4545 (DIN EN 10088-3) |
| Kích thước bàn cân tối đa |
500 × 400 mm |
| Cấp bảo vệ |
IP66 / IP68 / IP69 |
Danh Sách Model Loadcell PR 53 Và Mã Đặt Hàng
Bảng Model PR 53 – Chuẩn OIML C3
| Model | Tải trọng | Chuẩn | Mã đặt hàng |
| PR 53/10 kg C3MR |
10 kg |
OIML C3 |
9409 253 07010 |
| PR 53/15 kg C3MR |
15 kg |
OIML C3 |
9409 253 07015 |
| PR 53/20 kg C3MR |
20 kg |
OIML C3 |
9409 253 07020 |
| PR 53/30 kg C3MR |
30 kg |
OIML C3 |
9409 253 07030 |
| PR 53/50 kg C3MR |
50 kg |
OIML C3 |
9409 253 07050 |
| PR 53/100 kg C3MR |
100 kg |
OIML C3 |
9409 253 07110 |

Phiên Bản Chống Cháy Nổ – PR 53 C3MRE (ATEX / IECEx)
| Model | Chuẩn | Ghi chú |
| PR 53/xx kg C3MRE |
OIML C3 |
Chống cháy nổ ATEX / IECEx |
Phiên Bản NTEP – PR 53
| Model | Chuẩn | Ghi chú |
| PR 53/xx kg III 5000 S |
NTEP |
Dùng cho thị trường Bắc Mỹ |
Chứng Nhận An Toàn Cháy Nổ Quốc Tế
Loadcell PR 53 đáp ứng đầy đủ các tiêu chuẩn an toàn và kiểm định:
-
ATEX Zone 0, 1, 20, 21
-
IECEx
-
OIML R60 – C3
-
NTEP Class III
-
IP66 / IP68 / IP69
Nhờ đó, PR 53 có thể sử dụng an toàn trong khu vực có khí dễ cháy, bụi nổ hoặc môi trường hóa chất nguy hiểm.
Ứng Dụng Thực Tế Của Loadcell Chống Cháy Nổ PR 53
-
Cân bàn chống cháy nổ
-
Cân đóng gói hóa chất, dung môi
-
Cân thực phẩm – dược phẩm
-
Nhà máy hóa chất, sơn, phân bón
-
Hệ thống cân OEM trong khu vực ATEX
Kết Luận
Loadcell chống cháy nổ PR 53 Minebea Intec là giải pháp tối ưu cho các hệ thống cân yêu cầu độ an toàn tuyệt đối, độ chính xác cao và độ bền lâu dài. Với thiết kế Single Point, vật liệu inox cao cấp, dải tải trọng 10 – 100 kg, cùng các chứng nhận ATEX, IECEx, OIML và NTEP, PR 53 đáp ứng hoàn hảo cho mọi ứng dụng cân trong môi trường nguy hiểm và khắt khe nhất.
Quý khách có nhu cầu mua Loadcell chống cháy nổ PR 53 Minebea Intec vui lòng liên hệ cân điện tử Thái Bình Dương để được tư vấn và báo giá sản phẩm miễn phí, nhanh và tốt nhất.
Hotline: 0908 608 666 Mr. Dũng - 0908 662 643 Mrs. Dung.
Chúng tôi rất hân hạnh khi được phục vụ quý khách!.