Giới thiệu về Loadcell CN3 Flintec
Loadcell CN3 Flintec là cảm biến lực dạng nén (compression load cell) được thiết kế nhỏ gọn nhưng có độ bền cực cao. Sản phẩm được chứng nhận OIML và NTEP cho ứng dụng thương mại, đồng thời đạt chuẩn ATEX cho phép sử dụng trong môi trường dễ cháy nổ. Với dải tải rộng từ 0.5 tấn đến 50 tấn, CN3 phù hợp cho nhiều ứng dụng từ sản xuất, lưu trữ đến vận tải.

Đặc biệt, CN3 có thể cung cấp dưới dạng module lắp sẵn (CN3 Weigh Point) giúp tối ưu hiệu suất và độ chính xác, hoặc chỉ riêng cảm biến (CN3 sensor only) để tùy biến cho từng hệ thống.
Đặc điểm nổi bật của Loadcell CN3 Flintec
So với nhiều dòng loadcell nén khác, CN3 Flintec mang đến những ưu điểm vượt trội:
-
Dải tải rộng: từ 0.5 tấn đến 50 tấn, đáp ứng nhiều yêu cầu công nghiệp khác nhau.
-
Cấu tạo toàn bộ bằng thép không gỉ: tăng độ bền và khả năng chống ăn mòn.
-
Kín hoàn toàn, đạt chuẩn IP68/IP69K: hoạt động ổn định trong môi trường bụi bẩn, ẩm ướt, thậm chí khi rửa bằng áp lực cao.
-
Chứng nhận quốc tế: OIML C3, C4 và NTEP, đảm bảo độ tin cậy trong thương mại.
-
Chứng nhận ATEX & FM: an toàn trong môi trường dễ cháy nổ.
-
Thiết kế nhỏ gọn, thấp: thuận tiện lắp đặt trong nhiều hệ thống cân silo, bồn chứa, băng tải.
-
Bề mặt điện hóa (Electro-polished): dễ vệ sinh, phù hợp với môi trường yêu cầu sạch sẽ như thực phẩm và dược phẩm.
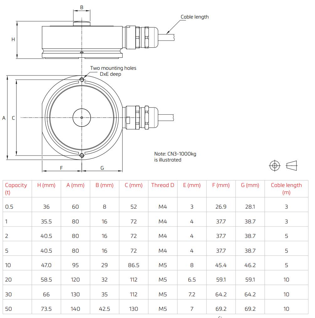
Thông số kỹ thuật Loadcell CN3 Flintec
Bảng sau đây tổng hợp thông số kỹ thuật chính của CN3 Flintec
cn3_datasheet_en_3b1a451acd
:
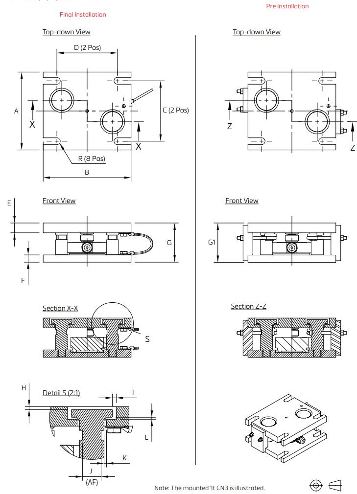
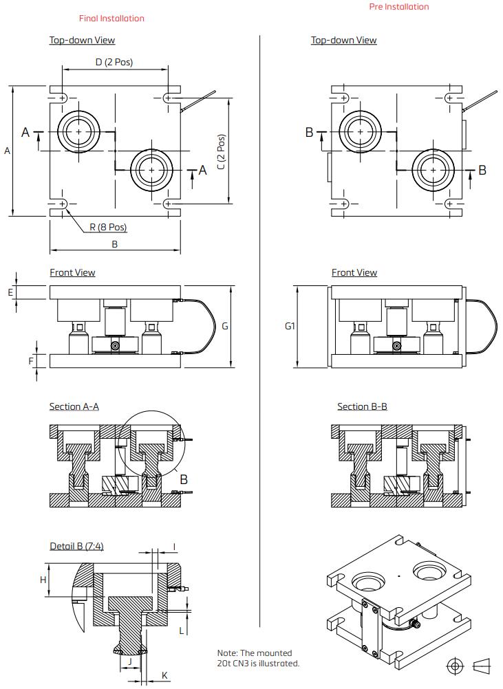
Kích thước và thiết kế module lắp sẵn
Ngoài phiên bản loadcell rời, CN3 còn có các module lắp sẵn với tính năng:
-
Chống xoay (anti-rotation).
-
Chống nhấc tải (built-in lift-off), an toàn khi có lực tác động ngược.
-
Dây nối đất (earth strap) để bảo vệ hệ thống.
-
Khóa vận chuyển (shipping stops) giữ an toàn khi di chuyển.
Trọng lượng module lắp sẵn thay đổi theo tải: từ 4kg (0.5t) đến 94.5kg (50t).
Ứng dụng thực tế của Loadcell CN3 Flintec
Với thiết kế chắc chắn và độ chính xác cao, CN3 Flintec được ứng dụng rộng rãi trong nhiều ngành công nghiệp:
-
Cân bồn chứa và silo: đo khối lượng nguyên liệu trong sản xuất thực phẩm, hóa chất và dược phẩm.
-
Cân sàn và cân công suất lớn: dùng trong kho bãi, cảng biển và logistics.
-
Quy trình tự động hóa: tích hợp vào dây chuyền cân định lượng trong sản xuất.
-
Môi trường nguy hiểm: nhờ chuẩn ATEX, loadcell có thể dùng trong khu vực dễ cháy nổ.
Lý do nên chọn Loadcell CN3 Flintec
Khi cân nhắc lựa chọn loadcell cho hệ thống cân công nghiệp, CN3 Flintec là giải pháp tối ưu bởi:
-
Độ chính xác và độ tin cậy cao, đã được chứng nhận quốc tế.
-
Khả năng chống chịu môi trường khắc nghiệt, tuổi thọ lâu dài.
-
Dải tải đa dạng, phù hợp cho nhiều ứng dụng.
-
Thiết kế thông minh với module lắp sẵn, giúp tiết kiệm thời gian và chi phí lắp đặt.
Kết luận
Loadcell CN3 Flintec là một trong những lựa chọn hàng đầu cho các ứng dụng cân công suất lớn trong công nghiệp. Với thiết kế bằng thép không gỉ, khả năng chống nước bụi IP68/IP69K, dải tải rộng và chứng nhận OIML – NTEP – ATEX, CN3 không chỉ mang lại độ chính xác tuyệt đối mà còn đảm bảo an toàn và bền bỉ trong mọi môi trường làm việc.
Quý khách có nhu cầu mua Loadcell CN3 Flintec vui lòng liên hệ cân điện tử Thái Bình Dương để được tư vấn và báo giá sản phẩm miễn phí, nhanh và tốt nhất.
Hotline: 0908 608 666 Mr. Dũng - 0908 662 643 Mrs. Dung.
Chúng tôi rất hân hạnh khi được phục vụ quý khách!.