Giới thiệu tổng quan về Loadcell Dạng Kéo UB1 Flintec
Trong lĩnh vực cân điện tử công nghiệp, việc sử dụng cảm biến lực chất lượng cao là yếu tố then chốt để đảm bảo độ chính xác và độ tin cậy lâu dài. Loadcell Dạng Kéo UB1 Flintec là dòng cảm biến lực tension và compression (hai chiều) cao cấp, được thiết kế đặc biệt để hoạt động trong môi trường khắc nghiệt với yêu cầu đo lường chính xác.
UB1 được chế tạo hoàn toàn từ thép không gỉ 17-4PH (inox 1.4548), có khả năng hàn kín tuyệt đối (Hermetically Sealed), đạt tiêu chuẩn IP68 và IP69K, cho phép hoạt động ổn định dưới nước ở độ sâu 2m và chịu được áp lực rửa trôi áp suất cao. Với dải tải trọng rộng từ 10kN đến 100kN (tương đương 1.020kg – 10.197kg), sản phẩm này là lựa chọn lý tưởng cho các ứng dụng cân bồn treo, cân phễu, cân cầu trục hoặc đo lực trong quy trình sản xuất.

Đặc điểm nổi bật của Loadcell Dạng Kéo UB1 Flintec
Trước khi đi sâu vào bảng thông số kỹ thuật, hãy cùng điểm qua những tính năng nổi bật giúp UB1 Flintec trở thành một trong những dòng loadcell được tin dùng hàng đầu hiện nay:
-
🔹 Cấu trúc inox hàn kín tuyệt đối: Toàn thân được làm từ thép không gỉ 17-4PH, hàn kín hermetic giúp bảo vệ hoàn toàn trước nước, bụi và hóa chất.
-
🔹 Hoạt động hai chiều: Có thể đo được cả lực kéo (tension) và lực nén (compression) trong cùng một cảm biến.
-
🔹 Độ chính xác cao: Đạt chuẩn OIML C3 (Y = 5.700) và NTEP Class III & IIIL, phù hợp cho các hệ thống cân thương mại và kỹ thuật cao.
-
🔹 Chống nước IP68/IP69K: Hoạt động ổn định trong môi trường ẩm ướt, công nghiệp hoặc ngoài trời.
-
🔹 Dải tải trọng lớn: Từ 1.000kg đến 10.000kg – đáp ứng các ứng dụng tải cao như cân bồn, cần cẩu, silo, hoặc cân kết cấu.
-
🔹 Cấu tạo chắc chắn: Thiết kế cơ khí chính xác, có nhiều lựa chọn ren theo chuẩn Metric (M) và UNF để dễ dàng lắp đặt.
-
🔹 Tuân thủ tiêu chuẩn an toàn: Đạt chứng nhận ATEX và FM – được phép sử dụng trong môi trường có nguy cơ cháy nổ.


Ứng dụng của Loadcell UB1 Flintec
Nhờ thiết kế bền bỉ, chống nước tuyệt đối và độ chính xác cao, UB1 Flintec được ứng dụng trong nhiều lĩnh vực công nghiệp và thương mại như:
-
⚙️ Cân bồn treo, cân phễu (Suspended Tanks & Hoppers): Đo trọng lượng nguyên liệu trong quá trình phối trộn hoặc chiết rót.
-
🏗️ Cân cầu trục, cân treo (Crane Scale): Đo lực kéo trong dây cáp, móc treo hoặc thiết bị nâng hạ.
-
🧱 Đo lực trong thử nghiệm cơ học: Kiểm tra sức chịu tải hoặc đo lực kéo nén trong nghiên cứu vật liệu.
-
🧃 Ngành thực phẩm và dược phẩm: Đảm bảo cân định lượng chính xác trong môi trường cần vệ sinh thường xuyên.
-
🚢 Công nghiệp hàng hải và vận tải: Ứng dụng trong giám sát lực tải dây cáp, neo tàu, hoặc thiết bị vận chuyển.
Chứng nhận và tiêu chuẩn quốc tế
Flintec UB1 không chỉ nổi bật nhờ thiết kế bền bỉ mà còn được công nhận bởi nhiều tổ chức tiêu chuẩn quốc tế:
-
OIML C3 (Y = 5.700) – Tiêu chuẩn đo lường quốc tế đảm bảo độ chính xác cao.
-
NTEP Class III & IIIL – Được phép sử dụng trong các ứng dụng thương mại tại Hoa Kỳ.
-
ATEX & FM Certified – Được phê duyệt sử dụng trong môi trường có nguy cơ cháy nổ (zones 0, 1, 2, 20, 21, 22).
-
RoHS Compliant – Không chứa vật liệu độc hại, thân thiện với môi trường.
Bảng thông số kỹ thuật Loadcell Dạng Kéo UB1 Flintec
| Thông số kỹ thuật | Giá trị / Mô tả |
| Hãng sản xuất |
Flintec |
| Model |
UB1 |
| Loại Loadcell |
Dạng kéo và nén (Tension & Compression) |
| Tải trọng định mức (Emax) |
10 / 20 / 50 / 100 kN (≈ 1.020 / 2.039 / 5.099 / 10.197 kg) |
| Độ chính xác (OIML) |
C3 (Y = 5.700) |
| Giá trị đầu ra định mức (RO) |
2 mV/V ± 0.1% |
| Nguồn kích thích (Excitation Voltage) |
5 – 15 VDC |
| Điện trở ngõ vào (RLC) |
1.100 ± 50 Ω |
| Điện trở ngõ ra (Rout) |
1.000 ± 2 Ω |
| Điện trở cách ly (100V DC) |
≥ 5.000 MΩ |
| Sai số tổng hợp (Combined Error) |
± 0.05%RO (chuẩn), ± 0.02%RO (cao cấp) |
| Sai số phi tuyến (Non-linearity) |
± 0.04%RO |
| Độ trễ (Hysteresis) |
± 0.04%RO |
| Creep 30 phút |
± 0.06%RO |
| Ảnh hưởng nhiệt độ điểm 0 (TC0) |
± 0.04%RO/10°C |
| Ảnh hưởng nhiệt độ độ nhạy (TCRO) |
± 0.02%RO/10°C |
| Phạm vi bù nhiệt |
-10°C đến +40°C |
| Nhiệt độ làm việc |
-40°C đến +80°C (ATEX: -40°C đến +60°C) |
| Giới hạn tải an toàn (Safe Load Limit) |
200% Emax |
| Giới hạn phá hủy (Ultimate Load) |
300% Emax |
| Vật liệu chế tạo |
Thép không gỉ 17-4PH (Inox 1.4548) |
| Cấu trúc bảo vệ |
Hàn kín tuyệt đối (Hermetic Sealed) |
| Mức bảo vệ môi trường |
IP68 (2m) / IP69K |
| Kích thước ren |
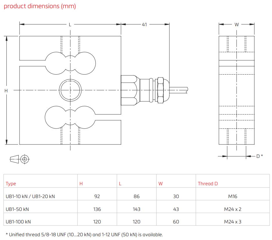
M16 (10–20kN) / M24 (50–100kN) |
| Tùy chọn ren |
UNF 5/8-18 hoặc 1-12 |
| Chiều dài cáp tín hiệu |
6 mét (4 lõi, AWG 24, vỏ polyurethane) |
| Trọng lượng |
1.8 kg (10–20kN) / 5.9 kg (50kN) / 8.4 kg (100kN) |

Ưu điểm khi sử dụng Loadcell Dạng Kéo UB1 Flintec
Khi lựa chọn Flintec UB1, doanh nghiệp không chỉ sở hữu một cảm biến lực chính xác mà còn có được một giải pháp bền vững và kinh tế:
-
✅ Độ chính xác cao và ổn định lâu dài, phù hợp cho các hệ thống cân tải trọng lớn.
-
✅ Khả năng chống nước, chống bụi tuyệt đối, hoạt động tốt trong môi trường công nghiệp nặng.
-
✅ Thích hợp cho cả ứng dụng đo lực kéo và lực nén, giúp linh hoạt trong nhiều thiết kế.
-
✅ Độ bền cơ học vượt trội, chịu tải an toàn lên tới 200% Emax.
-
✅ Bảo trì dễ dàng, tương thích với nhiều loại phụ kiện và thiết bị điện tử Flintec.
Kết luận
Loadcell Dạng Kéo UB1 Flintec là giải pháp hoàn hảo cho các ứng dụng đo lực kéo – nén công nghiệp cần độ chính xác, độ bền và khả năng chống nước vượt trội. Với thiết kế inox 17-4PH, cấu trúc hàn kín IP68/IP69K và chứng nhận quốc tế OIML, NTEP, ATEX, sản phẩm này đáp ứng xuất sắc mọi yêu cầu trong cân điện tử công nghiệp hiện đại.
Quý khách có nhu cầu mua Loadcell Dạng Kéo UB1 Flintec vui lòng liên hệ cân điện tử Thái Bình Dương để được tư vấn và báo giá sản phẩm miễn phí, nhanh và tốt nhất.
Hotline: 0908 608 666 Mr. Dũng - 0908 662 643 Mrs. Dung.
Chúng tôi rất hân hạnh khi được phục vụ quý khách!.