Giới thiệu tổng quan về Loadcell Dạng Thanh Planar ZLB Flintec
Trong các hệ thống cân điện tử hiện đại, đặc biệt là cân bàn thấp, cân dây chuyền, hoặc cân định lượng dạng phẳng, yêu cầu về cảm biến lực (loadcell) có độ cao thấp, chính xác và dễ lắp đặt ngày càng cao. Loadcell dạng thanh Planar ZLB Flintec ra đời để đáp ứng trọn vẹn những yêu cầu đó.
ZLB là dòng planar beam loadcell (loadcell dạng thanh phẳng) được thiết kế nhỏ gọn, độ cao cực thấp, nhưng vẫn đảm bảo độ chính xác cao đạt chuẩn OIML C3 (3.000 division). Sản phẩm được chế tạo từ hợp kim nhôm cường lực, phủ lớp keo chống ẩm hoàn toàn (potted seal) đạt chuẩn IP67, giúp hoạt động ổn định ngay cả trong môi trường ẩm hoặc nhiều bụi.
Đặc biệt, ZLB Flintec còn tương thích hoàn toàn với các dòng loadcell khác như SB6, SB8 và SB61C, giúp việc thay thế và nâng cấp hệ thống trở nên đơn giản, không cần hiệu chỉnh lại. Đây chính là dòng loadcell lý tưởng cho các thiết bị cân có không gian hạn chế, nhưng vẫn yêu cầu hiệu suất cao.

Đặc điểm nổi bật của Loadcell Dạng Thanh Planar ZLB Flintec
Trước khi đi sâu vào thông số kỹ thuật, hãy cùng điểm qua những ưu điểm khiến ZLB Flintec được tin dùng trong nhiều hệ thống cân hiện nay:
-
🔹 Thiết kế siêu mỏng – tiết kiệm không gian: Với chiều cao cực thấp, ZLB phù hợp cho các ứng dụng cân có hạn chế chiều cao hoặc cần bố trí nhiều loadcell song song.
-
🔹 Độ chính xác cao chuẩn OIML C3: Đảm bảo kết quả đo ổn định, đáng tin cậy trong mọi điều kiện hoạt động.
-
🔹 Cấu trúc nhôm bền nhẹ: Giúp cân dễ lắp đặt, di chuyển và giảm trọng lượng tổng thể của thiết bị.
-
🔹 Khả năng chống bụi, chống ẩm IP67: Bảo vệ cảm biến khỏi hơi nước, bụi và hóa chất nhẹ trong môi trường công nghiệp.
-
🔹 Tương thích cơ học với SB6, SB8, SB61C: Dễ dàng thay thế, không cần hiệu chỉnh hoặc thay đổi thiết kế khung cân.
-
🔹 Dải tải linh hoạt: Có các mức tải từ 20kg đến 200kg, phù hợp cho nhiều loại cân khác nhau.
-
🔹 Điện trở đầu vào cao (1180Ω): Tối ưu cho các thiết bị chạy pin hoặc hệ thống cân di động.
Ứng dụng của Loadcell Dạng Thanh Planar ZLB Flintec
Với thiết kế nhỏ gọn, bền bỉ và hiệu suất đo ổn định, ZLB Flintec là giải pháp lý tưởng cho nhiều ứng dụng cân công nghiệp và thương mại, bao gồm:
-
⚙️ Cân bàn thấp (Low Profile Platform Scales): Phù hợp cho các ứng dụng có không gian hẹp, cần độ cao nhỏ.
-
🏭 Cân dây chuyền sản xuất: Ứng dụng trong đóng gói, kiểm tra khối lượng sản phẩm theo thời gian thực.
-
📦 Cân định lượng – cân chiết rót: Dùng trong các dây chuyền chiết rót tự động hoặc máy đóng bao.
-
🧪 Cân phân tích công nghiệp: Dùng trong phòng thí nghiệm, nghiên cứu vật liệu hoặc cân mẫu chính xác cao.
-
🧱 Cân kiểm tra (Checkweigher): Đảm bảo khối lượng sản phẩm đúng tiêu chuẩn trước khi đóng gói.


Chứng nhận và tiêu chuẩn quốc tế
Flintec – thương hiệu đến từ Đức – luôn đảm bảo mỗi sản phẩm đáp ứng tiêu chuẩn quốc tế cao nhất. Loadcell ZLB được chứng nhận bởi nhiều tổ chức uy tín:
-
OIML C3 (Y = 10.000) – Chuẩn đo lường quốc tế về độ chính xác cao.
-
ATEX Approval – Được phép sử dụng trong khu vực có nguy cơ cháy nổ (zones 0, 1, 2, 20, 21, 22).
-
FM Approval – Chứng nhận an toàn điện và môi trường công nghiệp.
-
RoHS Compliant – Sản xuất thân thiện với môi trường, không chứa vật liệu độc hại.
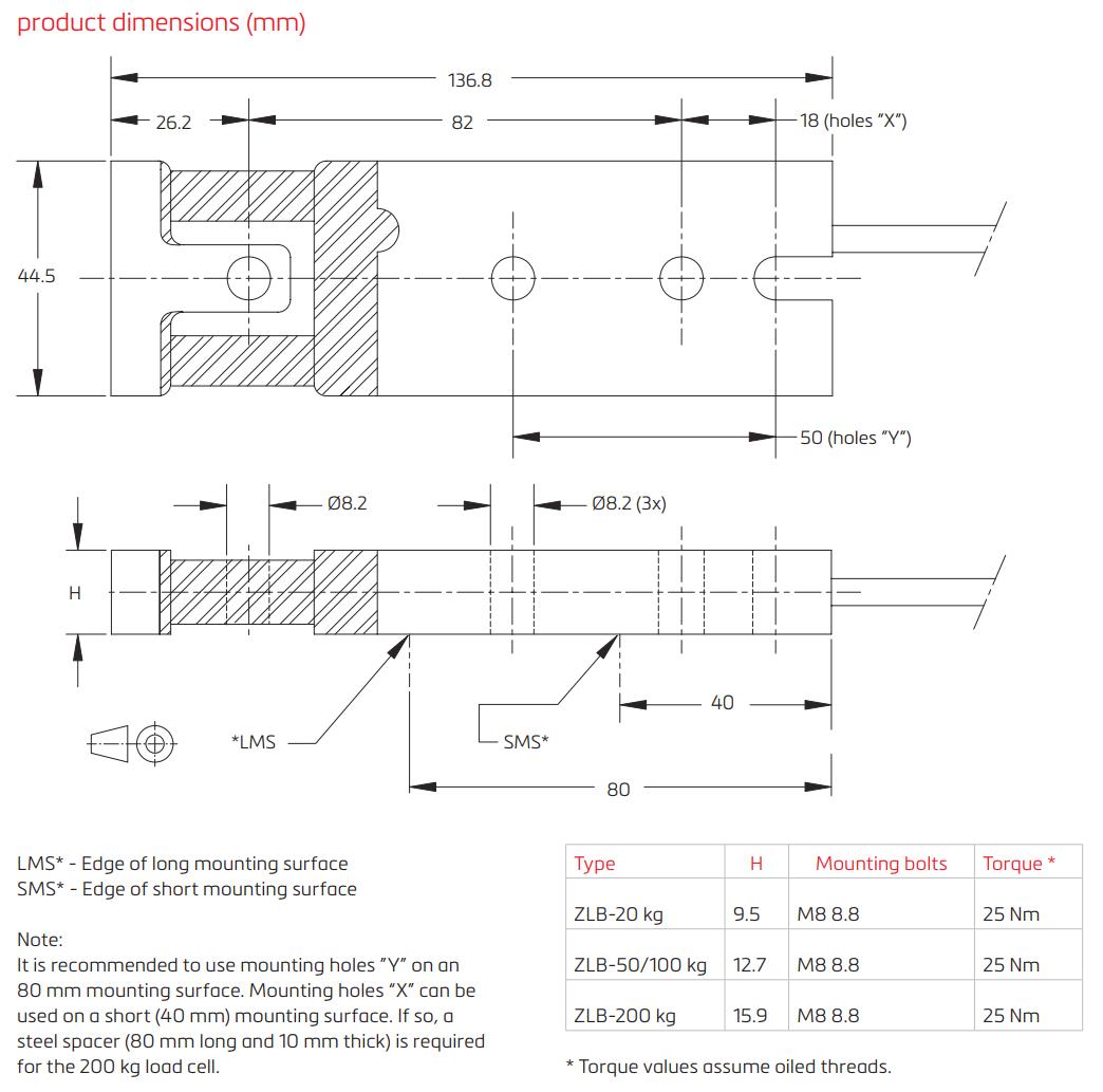
Bảng Thông Số Kỹ Thuật Loadcell Dạng Thanh Planar ZLB Flintec
| Thông số kỹ thuật | Giá trị / Mô tả |
| Hãng sản xuất |
Flintec |
| Model |
ZLB |
| Loại Loadcell |
Dạng thanh phẳng (Planar Beam) |
| Tải trọng định mức (Emax) |
20 / 50 / 100 / 200 kg |
| Cấp chính xác (OIML) |
C1 / C3 (Y = 10.000) |
| Số bước chia kiểm định (nLC) |
1.000 (C1) / 3.000 (C3) |
| Độ chia nhỏ nhất (vmin) |
Emax / 5.000 (C1) / Emax / 10.000 (C3) |
| Ảnh hưởng nhiệt độ điểm 0 (TC0) |
±0.0400%RO/10°C (C1), ±0.0140%RO/10°C (C3) |
| Ảnh hưởng nhiệt độ độ nhạy (TCRO) |
±0.0200%RO/10°C (C1), ±0.0100%RO/10°C (C3) |
| Sai số tổng hợp (Combined Error) |
±0.0500%RO (C1), ±0.0200%RO (C3) |
| Độ phi tuyến (Non-Linearity) |
±0.0400%RO (C1), ±0.0166%RO (C3) |
| Độ trễ (Hysteresis) |
±0.0400%RO (C1), ±0.0166%RO (C3) |
| Creep sau 30 phút |
±0.0600%RO (C1), ±0.0166%RO (C3) |
| Tín hiệu đầu ra định mức (RO) |
2 mV/V ± 0.1% |
| Điện áp kích thích (Excitation) |
5 – 15 VDC |
| Điện trở đầu vào (RLC) |
1.180 ± 50 Ω |
| Điện trở đầu ra (Rout) |
1.000 ± 2 Ω |
| Điện trở cách ly (100V DC) |
≥ 5.000 MΩ |
| Giới hạn tải an toàn (Elim) |
200% Emax |
| Giới hạn phá hủy (Ultimate Load) |
300% Emax |
| Giới hạn tải lệch (Safe Side Load) |
100% Emax |
| Phạm vi bù nhiệt |
-10°C đến +40°C |
| Nhiệt độ hoạt động |
-20°C đến +65°C (ATEX: -20°C đến +60°C) |
| Vật liệu chế tạo |
Hợp kim nhôm (Aluminium) |
| Phương pháp bảo vệ |
Đổ keo chống ẩm (Potted) |
| Cấp bảo vệ môi trường |
IP67 |
| Cáp tín hiệu |
4 lõi, dài 3 mét, vỏ polyurethane |
| Trọng lượng |
0.46 kg (20kg), 0.49 kg (50–100kg), 0.53 kg (200kg) |
| Tương thích cơ khí |
SB6, SB8, SB61C Flintec |

Ưu điểm khi sử dụng Loadcell Dạng Thanh Planar ZLB Flintec
Không chỉ nổi bật ở thiết kế và hiệu suất, ZLB Flintec còn mang lại nhiều lợi ích thực tế cho người sử dụng:
-
✅ Thiết kế phẳng, siêu mỏng, dễ dàng lắp đặt trong không gian giới hạn.
-
✅ Độ chính xác và ổn định cao, đảm bảo dữ liệu đo luôn đáng tin cậy.
-
✅ Khả năng chống bụi và nước tốt, phù hợp môi trường công nghiệp nặng.
-
✅ Chi phí hợp lý, hiệu quả cho các hệ thống cân quy mô vừa và nhỏ.
-
✅ Dễ dàng thay thế, tương thích với nhiều dòng loadcell Flintec phổ biến.
Kết luận
Loadcell Dạng Thanh Planar ZLB Flintec là lựa chọn tối ưu cho các hệ thống cân công nghiệp hiện đại cần thiết kế thấp, độ chính xác cao và khả năng hoạt động bền bỉ. Với chứng nhận quốc tế OIML C3, ATEX và IP67, cùng khả năng tương thích linh hoạt, ZLB không chỉ giúp tối ưu chi phí đầu tư mà còn mang lại hiệu suất đo lường ổn định lâu dài.
Quý khách có nhu cầu mua Loadcell Dạng Thanh Planar ZLB Flintec vui lòng liên hệ cân điện tử Thái Bình Dương để được tư vấn và báo giá sản phẩm miễn phí, nhanh và tốt nhất.
Hotline: 0908 608 666 Mr. Dũng - 0908 662 643 Mrs. Dung.
Chúng tôi rất hân hạnh khi được phục vụ quý khách!.