Trong các hệ thống đo lường công nghiệp hiện nay, xu hướng chuyển đổi từ giải pháp có dây sang không dây đang ngày càng được ưa chuộng. Loadcell Không Dây CC1W Flintec chính là bước tiến mới, giúp loại bỏ hoàn toàn kết nối cáp truyền thống, mang lại sự tiện lợi, độ chính xác cao và an toàn ngay cả trong môi trường khắc nghiệt. Đây là một trong những sản phẩm đột phá, được đánh giá cao trong các ứng dụng cân công nghiệp, đặc biệt là trong kiểm soát bơm dầu (pump off control).

Giới thiệu về Loadcell Không Dây CC1W Flintec
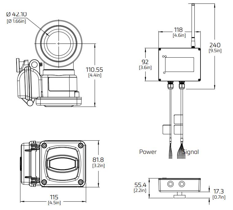
CC1W Flintec được thiết kế dựa trên nền tảng loadcell nén CC1 nổi tiếng, nhưng cải tiến thêm công nghệ truyền dữ liệu không dây tiên tiến. Sản phẩm gồm hai phần: cảm biến loadcell và bộ thu phát cơ sở (base unit). Cảm biến được cấp nguồn bằng pin D-cell lithium có tuổi thọ 12–18 tháng, dễ dàng thay thế. Bộ thu phát được gắn cố định và kết nối với hệ thống điều khiển, cho phép truyền dữ liệu mã hóa an toàn trong phạm vi từ 30 đến 300 mét.
Điểm nổi bật của CC1W là khả năng tiêu thụ điện năng cực thấp, nhưng vẫn duy trì tốc độ truyền dữ liệu lên đến 100 lần/giây, giúp hệ thống hoạt động liên tục, ổn định và chính xác. Ngoài ra, loadcell còn được tích hợp cảm biến vị trí, loại bỏ nhu cầu sử dụng thêm cảm biến Hall hoặc cảm biến nghiêng, từ đó giảm chi phí và tăng độ bền.

Đặc điểm nổi bật của Loadcell Không Dây CC1W Flintec
Khi lựa chọn loadcell không dây, doanh nghiệp thường quan tâm đến độ ổn định, tuổi thọ pin và khả năng chống chịu môi trường. CC1W Flintec mang đến nhiều ưu điểm vượt trội:
-
Công nghệ không dây hiện đại: loại bỏ hoàn toàn dây cáp, tránh hỏng hóc, gãy đứt và giảm chi phí bảo trì.
-
Tuổi thọ pin dài: hoạt động liên tục 12 – 18 tháng chỉ với pin D-cell thông dụng.
-
Truyền dữ liệu nhanh và ổn định: tốc độ 100 phép đo/giây, tín hiệu mạnh và mã hóa an toàn.
-
Tích hợp cảm biến vị trí: đồng bộ với phép đo tải, không cần thêm thiết bị phụ.
-
Chống chịu môi trường khắc nghiệt: đạt chuẩn IP67, hoạt động từ -55°C đến +80°C.
-
Độ bền cao: được chế tạo từ thép không gỉ 17-4 PH, đạt chuẩn mỏi với tối thiểu 50 triệu chu kỳ nén.
-
Ứng dụng an toàn: đạt chứng nhận UL Class 1, Div 1, phù hợp với môi trường nguy hiểm, dễ cháy nổ.
Thông số kỹ thuật Loadcell Không Dây CC1W Flintec
Bảng dưới đây tổng hợp các thông số kỹ thuật quan trọng của CC1W Flintec
Ứng dụng thực tế của Loadcell Không Dây CC1W Flintec
Nhờ thiết kế mạnh mẽ và công nghệ không dây tiên tiến, CC1W Flintec được ứng dụng rộng rãi trong nhiều lĩnh vực:
-
Ngành dầu khí: sử dụng trong kiểm soát bơm dầu (pump off control), thay thế cảm biến có dây truyền thống.
-
Công nghiệp nặng: giám sát tải trọng trong môi trường nguy hiểm, nhiều rung chấn.
-
Kho vận và logistics: cân container, kho bãi, giảm chi phí lắp đặt dây cáp phức tạp.
-
Ứng dụng ngoài trời: phù hợp với môi trường khắc nghiệt nhờ chống nước, chống bụi chuẩn IP67.
Lý do nên chọn Loadcell Không Dây CC1W Flintec
Khi cân nhắc lựa chọn một thiết bị cân công nghiệp, doanh nghiệp sẽ thấy CC1W Flintec là lựa chọn đáng đầu tư nhờ những lợi ích sau:
-
Tối ưu chi phí: không cần dây dẫn, giảm rủi ro hỏng hóc và chi phí bảo dưỡng.
-
An toàn hơn: phù hợp với môi trường dễ cháy nổ nhờ chuẩn UL và ATEX.
-
Linh hoạt lắp đặt: dễ dàng di chuyển, thay thế và lắp đặt mà không cần thi công phức tạp.
-
Độ chính xác cao, ổn định lâu dài: phù hợp cho cả cân tĩnh và cân động.
Kết luận
Loadcell Không Dây CC1W Flintec là một trong những giải pháp tiên tiến nhất hiện nay cho các ứng dụng cân công nghiệp. Với khả năng truyền dữ liệu không dây ổn định, tuổi thọ pin dài, thiết kế chống chịu môi trường và độ chính xác cao, CC1W giúp doanh nghiệp tối ưu hiệu quả sản xuất, tăng tính an toàn và giảm chi phí vận hành. Đây chắc chắn là lựa chọn lý tưởng cho các ngành công nghiệp hiện đại cần sự linh hoạt và tin cậy.
Quý khách có nhu cầu mua Loadcell Không Dây CC1W Flintec vui lòng liên hệ cân điện tử Thái Bình Dương để được tư vấn và báo giá sản phẩm miễn phí, nhanh và tốt nhất.
Hotline: 0908 608 666 Mr. Dũng - 0908 662 643 Mrs. Dung.
Chúng tôi rất hân hạnh khi được phục vụ quý khách!.