Tên sản phẩm: Loadcell LCC20 ANDThương hiệu / Xuất xứ: A&D – Nhật BảnKiểu cấu trúc: Column Type (Dạng cột nén)Ứng dụng chính: Cân xe tải, cân bồn, cân sàn công nghiệp, cân siloTải trọng định mức (Rated Capacity): 30 tấn (294.2 kN)
0908 608 666 Mr DŨNG
Lượt xem:
172
-
Phê duyệt mẫu
-
Kiểm định
-
Hiệu chuẩn
Trong các hệ thống cân xe tải, cân bồn hay các ứng dụng đo lường tải trọng công nghiệp nặng, việc lựa chọn loadcell có độ chính xác cao, khả năng chịu tải lớn và hoạt động ổn định trong điều kiện khắc nghiệt là vô cùng quan trọng. Một trong những dòng cảm biến nổi bật đáp ứng đầy đủ các yêu cầu này chính là Loadcell LCC20 AND – sản phẩm chất lượng cao đến từ A&D – Nhật Bản, thương hiệu nổi tiếng toàn cầu trong lĩnh vực thiết bị cân đo và cảm biến trọng lượng.

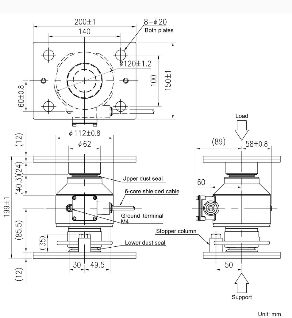
Với thiết kế kiểu cột (Column Type), vỏ thép hợp kim chắc chắn cùng lớp bảo vệ chống nước – chống bụi đạt chuẩn IP68, LCC20 được xem là lựa chọn lý tưởng cho các hệ thống cân xe tải, cân bồn công nghiệp, cân silo và cân sàn chịu tải trọng lớn. Sản phẩm không chỉ mang đến độ chính xác vượt trội mà còn có tuổi thọ cao, phù hợp với môi trường công nghiệp khắc nghiệt, nơi độ bền và ổn định là yếu tố hàng đầu.
Đặc điểm nổi bật của Loadcell LCC20 AND
Không chỉ đơn thuần là một cảm biến tải trọng, Loadcell LCC20 AND còn là giải pháp đo lường thông minh, tối ưu cho các hệ thống cân tải trọng lớn. Dưới đây là những điểm mạnh khiến dòng sản phẩm này được tin dùng trên toàn thế giới:
-
Thiết kế kiểu cột (Column Type Loadcell):
Cấu trúc chịu nén được thiết kế chuyên biệt giúp phân bố lực đồng đều, đảm bảo độ chính xác cao khi đo tải trọng lớn như xe tải, container hoặc bồn chứa công nghiệp.
-
Vỏ ngoài hợp kim thép chống ăn mòn:
Phần thân loadcell được chế tạo bằng hợp kim thép chịu lực cao (Alloy Steel), trong khi vỏ bảo vệ bằng thép không gỉ (Stainless Steel Case) giúp chống lại tác động từ hơi ẩm, nước và môi trường hóa chất.
-
Khả năng chống nước và bụi đạt chuẩn IP68:
Có thể hoạt động ổn định khi ngâm nước sâu 1.5m trong 100 giờ, đảm bảo độ kín tuyệt đối, phù hợp với môi trường ngoài trời hoặc nơi ẩm ướt.
-
Độ chính xác vượt trội:
Với sai số tổng hợp chỉ 0.025% R.O, LCC20 đảm bảo kết quả đo ổn định, tin cậy và phù hợp với tiêu chuẩn OIML quốc tế.
-
Cáp tín hiệu chống nhiễu, chiều dài lên tới 18m:
Sử dụng cáp 6 lõi bọc chống nhiễu (Shielded Cable Φ8), cho phép kết nối linh hoạt trong các hệ thống cân lớn.
-
Tùy chọn lắp đặt linh hoạt:
Có thể đặt có hoặc không có tấm đế (mounting plate), giúp phù hợp với nhiều dạng nền móng hoặc khung cân xe tải.
Thông số kỹ thuật của Loadcell LCC20 AND
| Hạng mục | Thông tin chi tiết |
| Tên sản phẩm |
Loadcell LCC20 AND |
| Thương hiệu / Xuất xứ |
A&D – Nhật Bản |
| Kiểu cấu trúc |
Column Type (Dạng cột nén) |
| Ứng dụng chính |
Cân xe tải, cân bồn, cân sàn công nghiệp, cân silo |
| Tải trọng định mức (Rated Capacity) |
30 tấn (294.2 kN) |
| Đầu ra định mức (Rated Output) |
2 mV/V ± 0.1% |
| Giới hạn tải an toàn (Safe Load Limit) |
150% R.C. |
| Giới hạn tải phá hủy (Ultimate Overload) |
300% R.C. |
| Sai số tổng hợp (Combined Error) |
0.025% R.O. |
| Điện áp kích thích khuyến nghị |
5 – 12 V DC |
| Điện áp kích thích tối đa |
15 V DC |
| Cân bằng không tải (Zero Balance) |
±1% R.O. |
| Điện trở ngõ vào (Input Resistance) |
800 ± 80 Ω |
| Điện trở ngõ ra (Output Resistance) |
700 ± 10 Ω |
| Điện trở cách ly (Insulation Resistance) |
≥ 5000 MΩ / DC 50V |
| Dải bù nhiệt độ (Temperature Compensation Range) |
–10°C đến +40°C |
| Ảnh hưởng nhiệt độ lên zero |
0.019% R.O / 10°C |
| Ảnh hưởng nhiệt độ lên span |
0.010% Load / 10°C |
| Cáp tín hiệu |
6 lõi chống nhiễu, Φ8 / 18m |
| Vật liệu chế tạo |
Thân: Alloy Steel / Vỏ: Stainless Steel |
| Khả năng chống nước – bụi |
IP68 (1.5m / 100 giờ) |
| Trọng lượng |
~11kg (có tấm đế) / ~6kg (không tấm đế) |
| Phụ kiện tùy chọn |
AD4960-6 (hộp nối 6 ngõ) / Cáp AX-KO162-xxM (5m – 100m) |
| Chứng nhận |
OIML / CE / ISO9001 |
| Bảo hành |
12 – 24 tháng |

Ứng dụng thực tế của Loadcell LCC20 AND
Nhờ khả năng chịu tải lớn và độ bền cao, Loadcell LCC20 AND được sử dụng rộng rãi trong nhiều lĩnh vực đo lường công nghiệp, đặc biệt trong các ứng dụng yêu cầu độ chính xác cao và môi trường khắc nghiệt:
-
Cân xe tải (Truck Scales):
Là dòng loadcell lý tưởng để lắp trong hệ thống cân xe tải, cân cầu, giúp đo chính xác khối lượng phương tiện vận chuyển trong các bến cảng, trạm cân hoặc khu công nghiệp.
-
Cân bồn, cân silo chứa nguyên liệu:
Dùng để đo tải trọng của các bồn chứa nguyên liệu rời, hóa chất hoặc chất lỏng trong dây chuyền sản xuất tự động.
-
Cân sàn công nghiệp tải trọng lớn:
Kết hợp nhiều loadcell LCC20 để tạo thành cân sàn chịu tải 60–120 tấn cho các ứng dụng nặng.
-
Cân định lượng trong nhà máy:
Khi kết hợp với bộ hiển thị kỹ thuật số, loadcell giúp kiểm soát khối lượng vật liệu trong quy trình đóng gói, phối trộn hoặc vận chuyển.
Lợi ích khi sử dụng Loadcell LCC20 AND
Sở hữu hàng loạt tính năng kỹ thuật cao cấp, Loadcell LCC20 AND mang đến cho người dùng nhiều lợi ích vượt trội:
-
Độ chính xác cực cao và ổn định lâu dài.
-
Chống nước – chống bụi hoàn hảo (IP68), đảm bảo hoạt động trong mọi điều kiện.
-
Tương thích với nhiều bộ chỉ thị cân và hệ thống PLC công nghiệp.
-
Chi phí bảo trì thấp, dễ lắp đặt, dễ thay thế.
-
Giải pháp tối ưu cho cân tải trọng lớn mà vẫn đảm bảo độ an toàn và tuổi thọ.
Hướng dẫn lắp đặt và sử dụng Loadcell LCC20 AND
Để đảm bảo loadcell hoạt động chính xác và bền bỉ, người dùng nên tuân thủ các hướng dẫn cơ bản sau:
-
Lắp đặt trên mặt phẳng ổn định, chịu lực đều: tránh tình trạng lệch tải hoặc rung động mạnh.
-
Sử dụng phụ kiện chính hãng (mounting plate, cable, junction box) do A&D cung cấp để đảm bảo tín hiệu chính xác.
-
Kết nối tín hiệu đúng chiều và chống nhiễu: dây shield cần được nối đất an toàn.
-
Tránh quá tải đột ngột (shock load): vì có thể làm hỏng cấu trúc cột nén của loadcell.
-
Bảo trì định kỳ 6–12 tháng/lần: kiểm tra dây dẫn, mối nối và vệ sinh bề mặt loadcell.
Quý khách có nhu cầu mua Loadcell LCC20 AND vui lòng liên hệ cân điện tử Thái Bình Dương để được tư vấn và báo giá sản phẩm miễn phí, nhanh và tốt nhất.
Hotline: 0908 608 666 Mr. Dũng - 0908 662 643 Mrs. Dung.
Chúng tôi rất hân hạnh khi được phục vụ quý khách!.