Model: LCT31 SeriesDung lượng tải định mức (R.C.): 5 kN (509.9 kg) / 10 kN (1020 kg)Độ võng (Deflection): < 0.08 mmTần số dao động tự nhiên: 16 kHzTín hiệu đầu ra (R.O.): 0.75 mV/V ±10% (5kN) / 1.5 mV/V ±10% (10kN)
0908 608 666 Mr DŨNG
Lượt xem:
163
-
Phê duyệt mẫu
-
Kiểm định
-
Hiệu chuẩn
Giới thiệu về Loadcell LCT31 AND
Loadcell LCT31 là sản phẩm chất lượng cao đến từ A&D – thương hiệu Nhật Bản uy tín trong lĩnh vực thiết bị đo lường và cân điện tử. Với thiết kế dạng Miniature Threaded Load Cell, sản phẩm được tối ưu cho cả hai chế độ đo kéo (tension) và nén (compression).
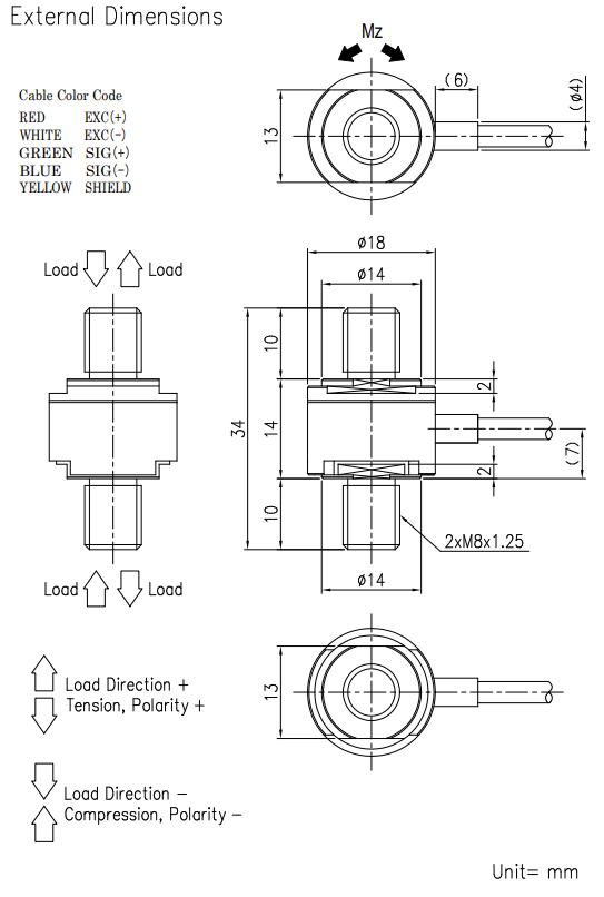
Thân loadcell được làm từ thép không gỉ (stainless steel), đảm bảo khả năng chống ăn mòn và thích hợp cho các môi trường công nghiệp khắc nghiệt. Với trọng lượng chỉ khoảng 25g và đường kính ngoài φ18mm, LCT31 AND đặc biệt phù hợp cho các thiết bị hoặc máy móc cần cảm biến lực nhỏ nhưng độ chính xác cao.

Ưu điểm nổi bật của Loadcell LCT31 AND
Trước khi lựa chọn cảm biến lực, người dùng thường quan tâm đến độ chính xác, độ bền và khả năng thích ứng của thiết bị. Dưới đây là những điểm nổi bật giúp LCT31 AND được đánh giá cao trong cùng phân khúc:
-
Thiết kế nhỏ gọn, dễ lắp đặt: Đường kính chỉ 18mm, ren M8 giúp việc lắp ráp đơn giản ngay cả trong không gian hẹp.
-
Đo được cả lực kéo và lực nén: Đáp ứng đa dạng ứng dụng trong kiểm tra lực, thử nghiệm vật liệu, hoặc hệ thống đo tự động.
-
Độ chính xác cao: Sai số phi tuyến, độ lặp lại và trễ đều chỉ 0.5% R.O, đảm bảo kết quả đo ổn định.
-
Tần số dao động tự nhiên cao (16 kHz): Giúp phản ứng nhanh và chính xác trong các ứng dụng động lực.
-
Vật liệu thép không gỉ: Bền bỉ, chống ăn mòn và đảm bảo tuổi thọ dài lâu.
-
Dải nhiệt hoạt động rộng: Hoạt động ổn định trong điều kiện nhiệt độ từ -20°C đến 70°C.
Ứng dụng thực tế của Loadcell LCT31 AND
Nhờ đặc tính nhỏ gọn và khả năng đo lực hai chiều, Loadcell LCT31 AND được ứng dụng phổ biến trong nhiều lĩnh vực kỹ thuật và công nghiệp như:
-
Các hệ thống kiểm tra lực kéo/nén trong phòng thí nghiệm.
-
Thiết bị đo lực siết, lực nén vít, lực kéo dây cáp.
-
Ứng dụng trong máy đo cơ khí chính xác, robot, thiết bị tự động hóa.
-
Dùng trong kiểm định hoặc hiệu chuẩn máy móc công nghiệp.
-
Các thiết bị thử nghiệm vật liệu, nghiên cứu động lực học.
Thông số kỹ thuật của Loadcell LCT31 AND
| Thông số | Giá trị / Mô tả |
| Model |
LCT31 Series |
| Dung lượng tải định mức (R.C.) |
5 kN (509.9 kg) / 10 kN (1020 kg) |
| Độ võng (Deflection) |
< 0.08 mm |
| Tần số dao động tự nhiên |
16 kHz |
| Tín hiệu đầu ra (R.O.) |
0.75 mV/V ±10% (5kN) / 1.5 mV/V ±10% (10kN) |
| Độ phi tuyến |
±0.5% R.O |
| Độ trễ (Hysteresis) |
±0.5% R.O |
| Độ lặp lại (Repeatability) |
±0.5% R.O |
| Điện áp kích thích khuyến nghị |
5 VDC |
| Điện áp kích thích tối đa |
10 VDC |
| Cân bằng không tải (Zero balance) |
±10% R.O |
| Điện trở đầu vào / đầu ra |
Khoảng 850 Ω |
| Điện trở cách điện |
>1000 MΩ tại 50 VDC |
| Ảnh hưởng nhiệt độ lên điểm 0 |
±0.5% R.O / 10°C |
| Ảnh hưởng nhiệt độ lên khoảng đo |
±0.5% tải / 10°C |
| Phạm vi bù nhiệt |
-10°C đến 60°C |
| Nhiệt độ làm việc cho phép |
-20°C đến 70°C |
| Quá tải an toàn |
150% R.C |
| Cáp kết nối |
Cáp 4 lõi, bọc chống nhiễu, dài 3m (φ3mm) |
| Vật liệu chế tạo |
Thép không gỉ (Stainless Steel) |
| Kích thước ren |
M8 |
| Đường kính ngoài |
φ18 mm |
| Khối lượng |
Khoảng 25 g |
| Nhà sản xuất |
A&D Company, Ltd (Japan) |

Lý do nên chọn Loadcell LCT31 AND
Khi tìm kiếm một cảm biến lực mini chất lượng cao, việc lựa chọn Loadcell LCT31 AND mang lại nhiều lợi thế vượt trội:
-
Thương hiệu uy tín từ Nhật Bản: A&D là nhà sản xuất nổi tiếng với hơn 40 năm kinh nghiệm trong lĩnh vực cảm biến và cân điện tử.
-
Hiệu suất ổn định, chính xác lâu dài: Được kiểm định nghiêm ngặt theo tiêu chuẩn quốc tế.
-
Thiết kế linh hoạt: Dễ dàng tích hợp vào nhiều hệ thống đo khác nhau.
-
Dịch vụ hỗ trợ kỹ thuật toàn cầu: A&D có chi nhánh tại nhiều quốc gia như Mỹ, Hàn Quốc, Thái Lan, Ấn Độ, giúp khách hàng an tâm khi sử dụng.
Kết luận
Loadcell LCT31 AND là giải pháp hoàn hảo cho những ứng dụng yêu cầu độ chính xác cao trong không gian lắp đặt hạn chế. Với thiết kế ren tiện lợi, vật liệu thép không gỉ bền bỉ và khả năng đo lực hai chiều, sản phẩm này mang lại độ tin cậy vượt trội cho mọi nhu cầu đo lường công nghiệp hoặc nghiên cứu kỹ thuật.
Quý khách có nhu cầu mua Loadcell LCT31 AND vui lòng liên hệ cân điện tử Thái Bình Dương để được tư vấn và báo giá sản phẩm miễn phí, nhanh và tốt nhất.
Hotline: 0908 608 666 Mr. Dũng - 0908 662 643 Mrs. Dung.
Chúng tôi rất hân hạnh khi được phục vụ quý khách!.