Loadcell MBC Flintec chính là lựa chọn nổi bật nhờ thiết kế nhỏ gọn, cấu tạo thép không gỉ chắc chắn, độ chính xác cao và khả năng vận hành bền bỉ trong nhiều môi trường khắc nghiệt.

Giới thiệu Loadcell MBC Flintec
MBC Flintec là dòng loadcell dạng xuyên lỗ (through-hole force transducer) được thiết kế cho các ứng dụng đo lực nén trong máy móc đóng gói, máy lắp ráp, thiết bị kiểm tra cuối dây chuyền và hệ thống giám sát công nghiệp.
Với thiết kế low-profile, đường kính nhỏ và trọng lượng nhẹ, MBC có thể dễ dàng gắn trực tiếp lên các bộ phận máy móc mà không chiếm nhiều diện tích. Công nghệ full-bridge bonded foil strain gauge giúp loadcell duy trì độ chính xác lâu dài và hoạt động ổn định trên hơn 1 triệu chu kỳ tải trọng.
Ngoài ra, MBC còn hỗ trợ tùy chọn TEDS (Transducer Electronic Data Sheet) – chip thông minh lưu trữ dữ liệu hiệu chuẩn, giúp việc tích hợp với hệ thống điều khiển tự động trở nên đơn giản và nhanh chóng.

Ứng dụng thực tế
Loadcell MBC Flintec được ứng dụng rộng rãi trong nhiều lĩnh vực công nghiệp nhờ sự linh hoạt và độ bền cao:
-
Máy đóng gói và lắp ráp công nghiệp: Đo và giám sát lực nén trong quá trình vận hành.
-
Thiết bị kiểm tra cuối dây chuyền (End-of-line test equipment): Đảm bảo chất lượng sản phẩm trước khi xuất xưởng.
-
Giám sát máy móc: Theo dõi lực nén trong các hệ thống cơ khí, giúp tăng tuổi thọ thiết bị.
-
Ứng dụng nghiên cứu và thử nghiệm: Dùng trong phòng thí nghiệm để đo lực nén trong các thí nghiệm cơ học.
Với dải tải trọng rộng từ 100 lb đến 50.000 lb, MBC phù hợp cho cả các ứng dụng tải nhỏ và tải nặng.

Đặc điểm nổi bật
Một số ưu điểm giúp MBC Flintec trở thành dòng loadcell được nhiều kỹ sư và doanh nghiệp lựa chọn:
-
Dải tải rộng: từ 100 lb đến 50.000 lb.
-
Độ chính xác cao ±0.25%, đảm bảo dữ liệu đo lường tin cậy.
-
Thiết kế xuyên lỗ (through-hole), dễ dàng tích hợp vào bu-lông, trục hoặc xy-lanh.
-
Cấu tạo thép không gỉ 17-4 PH, chống ăn mòn và chịu lực bền bỉ.
-
Bảo vệ môi trường IP65, chống bụi và chống ẩm tốt.
-
Bù nhiệt độ -10°C đến +40°C, hoạt động ổn định trong nhiều điều kiện.
-
Quá tải an toàn 150% Emax, phá hủy tới 300% Emax, đảm bảo an toàn khi vận hành.
-
Tùy chọn TEDS, hỗ trợ lưu trữ dữ liệu hiệu chuẩn và đồng bộ hệ thống.
Thông số kỹ thuật Loadcell MBC Flintec
Bảng sau tổng hợp chi tiết thông số kỹ thuật chính của sản phẩm:
| Thông số | Giá trị |
| Dải tải (Capacity) |
100 lb – 50.000 lb |
| Đầu ra định mức (RO) |
2 mV/V |
| Sai số phi tuyến |
≤ ±0.25% RO |
| Hysteresis |
≤ ±0.25% RO |
| Độ lặp lại |
≤ ±0.1% RO |
| Zero balance |
≤ ±5% RO |
| Điện áp kích thích |
5 – 10 VDC |
| Điện trở đầu vào |
700 Ω |
| Điện trở đầu ra |
700 Ω |
| Điện trở cách điện |
≥ 5.000 MΩ (100 VDC) |
| Quá tải an toàn |
150% Emax |
| Quá tải phá hủy |
300% Emax |
| Tải ngang an toàn |
100% Emax |
| Hệ số nhiệt độ Zero |
≤ ±0.018 %RO/°C |
| Hệ số nhiệt độ Span |
≤ ±0.009 %RO/°C |
| Dải bù nhiệt độ |
-10°C đến +40°C |
| Dải nhiệt độ hoạt động |
-40°C đến +90°C |
| Vật liệu |
Thép không gỉ 17-4 PH |
| Chuẩn bảo vệ |
IP65 |
| Chu kỳ tải |
>1.000.000 lần |
| Cáp tín hiệu |
3m, 4 lõi chống nhiễu, vỏ polyurethane (tùy chọn vỏ Teflon) |


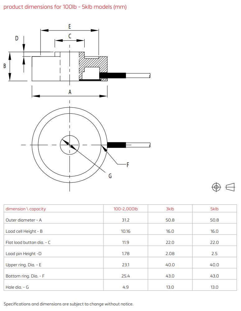
Kích thước và lắp đặt
MBC Flintec có nhiều kích thước khác nhau tùy theo tải trọng, với đường kính ngoài từ 31.2mm đến 76.2mm và chiều cao từ 10.16mm đến 38.1mm. Đường kính lỗ xuyên trung tâm dao động từ 4.9mm đến 26mm, phù hợp cho nhiều loại bu-lông, trục hoặc xy-lanh. Thiết kế profile thấp giúp sản phẩm dễ dàng gắn vào thiết bị ngay cả trong không gian hạn chế.
Kết luận
Loadcell MBC Flintec là cảm biến lực xuyên lỗ bền bỉ, chính xác và linh hoạt, đáp ứng hoàn hảo nhu cầu đo lường trong công nghiệp và nghiên cứu. Với dải tải rộng, độ chính xác cao, chuẩn bảo vệ IP65 và tùy chọn TEDS thông minh, MBC là sự lựa chọn đáng tin cậy cho nhiều hệ thống máy móc và thiết bị đo lường hiện đại.
Quý khách có nhu cầu mua Loadcell MBC Flintec vui lòng liên hệ cân điện tử Thái Bình Dương để được tư vấn và báo giá sản phẩm miễn phí, nhanh và tốt nhất.
Hotline: 0908 608 666 Mr. Dũng - 0908 662 643 Mrs. Dung.
Chúng tôi rất hân hạnh khi được phục vụ quý khách!.