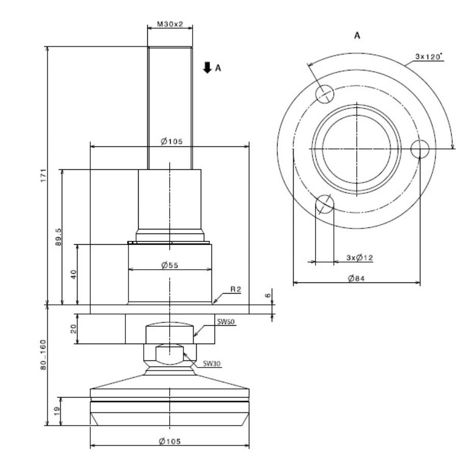
Model: PR 6261Kiểu loadcell: Module cân nén, all-in-oneCấp chính xác: D1 / C3 (theo OIML R60)Dải tải trọng (Emax): 125 kg – 2.000 kgQuá tải an toàn: 150% Emax
0908 608 666 Mr DŨNG
Lượt xem:
149
-
Phê duyệt mẫu
-
Kiểm định
-
Hiệu chuẩn
Tổng quan về Loadcell Novego Minebea Intec
Novego® không chỉ là một loadcell đơn lẻ mà là module cân hoàn chỉnh, tích hợp loadcell, cơ cấu chống lực ngang, bộ điều chỉnh độ cao và cơ chế hiệu chỉnh độ nghiêng ngay trong một thiết kế thống nhất. Nhờ đó, Novego mang lại khả năng lắp đặt nhanh, chính xác và giảm thiểu tối đa sai số phát sinh trong quá trình vận hành thực tế.

Điểm khác biệt nổi bật của dòng Novego là khả năng chịu lực ngang lên đến 20% tải trọng mà vẫn đảm bảo độ chính xác đo lường – một lợi thế vượt trội so với nhiều giải pháp loadcell truyền thống trên thị trường.
Ưu điểm nổi bật của Loadcell Novego
-
Thiết kế vệ sinh theo tiêu chuẩn EHEDG: Bề mặt nhẵn, độ nhám tối đa Ra 0.8 µm, hạn chế bám bẩn.
-
Chống ăn mòn vượt trội: Sử dụng thép không gỉ 1.4418, cao cấp hơn vật liệu thường dùng trong loadcell tiêu chuẩn.
-
Độ chính xác cao ngay cả khi có lực ngang: Hệ thống 6 strain gauge phân bố tối ưu.
-
Lắp đặt nhanh, không sai lệch: Bộ chặn 360° tích hợp sẵn, không cần căn chỉnh phức tạp.
-
Dễ dàng vệ sinh và bảo trì: Thiết kế mở, không tạo điểm đọng nước.
-
Độ bền và độ ổn định lâu dài: Giảm chi phí bảo trì và thời gian dừng máy.
Cấu hình module cân Novego
Module cân Novego bao gồm:
-
Loadcell Novego® (PR 6261)
-
Đế pendulum (lắp sàn hoặc lắp khung)
-
Tấm adapter
-
Bộ chỉnh độ cao tích hợp (lên đến 8 cm)
-
Cơ chế hiệu chỉnh độ nghiêng cho bề mặt dốc tối đa 3°
Thiết kế này giúp hệ thống cân sẵn sàng vận hành ngay sau khi lắp đặt, giảm đáng kể thời gian commissioning.
Thông số kỹ thuật chung của Loadcell Novego
| Thông số | Giá trị |
| Kiểu loadcell |
Module cân nén, all-in-one |
| Cấp chính xác |
D1 / C3 (theo OIML R60) |
| Dải tải trọng (Emax) |
125 kg – 2.000 kg |
| Quá tải an toàn |
150% Emax |
| Quá tải phá hủy |
>300% Emax |
| Khả năng chịu lực ngang danh định |
<20% tải |
| Tín hiệu ngõ ra định mức |
2 mV/V |
| Điện áp cấp khuyến nghị |
4 – 20 VDC |
| Điện áp tối đa |
24 VDC |
| Điện trở ngõ vào |
1.080 ±10 Ω |
| Điện trở ngõ ra |
1.010 ±1 Ω |
| Nhiệt độ làm việc danh định |
-10 … +40 °C |
| Nhiệt độ làm việc cho phép |
-30 … +95 °C |
| Cấp bảo vệ |
IP66 / IP68 / IP69 |
| Vật liệu loadcell |
Thép không gỉ 1.4418 |
| Vật liệu đế |
Thép không gỉ 1.4301 & 1.4418 |

Bảng model Loadcell Novego Minebea Intec
| Model | Tải trọng | Cấp chính xác |
| PR 6261 / 125 kg |
125 kg |
D1 / C3 |
| PR 6261 / 250 kg |
250 kg |
C3 |
| PR 6261 / 500 kg |
500 kg |
C3 |
| PR 6261 / 1 t |
1.000 kg |
C3 |
| PR 6261 / 2 t |
2.000 kg |
C3 |

Ngoài ra, Novego còn có các phiên bản chống cháy nổ (Ex), đáp ứng ATEX, IECEx, FM cho các khu vực nguy hiểm.
Khả năng chống nước và môi trường khắc nghiệt
-
Loadcell Novego có thể ngâm nước ở độ sâu 1,5 m trong 10.000 giờ (IP68).
-
Chịu được rửa áp lực cao và hóa chất tẩy rửa mạnh (IP69).
-
Phù hợp môi trường thường xuyên vệ sinh bằng nước nóng và dung dịch sát khuẩn.
Tích hợp bộ chuyển đổi số Connexx® (tùy chọn)
Khi kết hợp với Converter Connexx®, loadcell Novego mang lại nhiều lợi ích vượt trội:
-
Truyền thông CANopen, không cần hộp nối tín hiệu.
-
Đường truyền lên đến 200 m.
-
Dễ dàng xác định loadcell lỗi nhờ đọc dữ liệu từng loadcell riêng lẻ.
-
Tối ưu cho các hệ thống cân định lượng và dosing tốc độ cao.
Ứng dụng thực tế của Loadcell Novego
-
Cân bồn, cân silo trong ngành thực phẩm & đồ uống
-
Cân bồn trộn có cánh khuấy
-
Hệ thống cân trong dược phẩm và mỹ phẩm
-
Ngành hóa chất, môi trường ăn mòn cao
-
Máy móc OEM yêu cầu thiết kế vệ sinh
Kết luận
Loadcell Novego Minebea Intec là giải pháp module cân cao cấp – vệ sinh – chính xác – bền bỉ, được thiết kế để đáp ứng các tiêu chuẩn khắt khe nhất của ngành công nghiệp hiện đại. Với khả năng chống lực ngang vượt trội, vật liệu thép không gỉ cao cấp, cấp bảo vệ IP69 và thiết kế all-in-one thông minh, Novego giúp doanh nghiệp tối ưu độ chính xác cân, giảm thời gian dừng máy và đảm bảo an toàn vệ sinh trong suốt vòng đời vận hành.
Quý khách có nhu cầu mua Loadcell Novego Minebea Intec vui lòng liên hệ cân điện tử Thái Bình Dương để được tư vấn và báo giá sản phẩm miễn phí, nhanh và tốt nhất.
Hotline: 0908 608 666 Mr. Dũng - 0908 662 643 Mrs. Dung.
Chúng tôi rất hân hạnh khi được phục vụ quý khách!.