Trong các lĩnh vực sản xuất công nghiệp, đóng gói và thiết bị y tế, nhu cầu đo lường với tải trọng nhỏ nhưng đòi hỏi độ chính xác cao ngày càng trở nên quan trọng. Các dòng loadcell đơn điểm mini chính là giải pháp tối ưu, mang lại khả năng tích hợp dễ dàng vào nhiều hệ thống cân và máy móc hiện đại. Loadcell PA2 Flintec nổi bật nhờ thiết kế nhỏ gọn, độ bền cao và khả năng đo chính xác trong dải tải từ 1 đến 5kg.

Giới thiệu Loadcell PA2 Flintec
PA2 Flintec là dòng loadcell single-point mini bằng hợp kim nhôm, được thiết kế cho các ứng dụng đo lường tải thấp. Với thiết kế mỏng và gọn nhẹ, sản phẩm có thể dễ dàng lắp đặt trong nhiều hệ thống yêu cầu không gian hạn chế, từ các loại cân nhỏ, máy đóng gói, thiết bị y tế cho đến máy tự động hóa trong sản xuất.
Sử dụng công nghệ full-bridge bonded-foil strain gauge, PA2 mang lại hiệu suất đo ổn định lâu dài, đồng thời được bảo vệ theo chuẩn IP66 giúp hoạt động tin cậy trong môi trường công nghiệp. Đây là lựa chọn lý tưởng cho các doanh nghiệp cần một cảm biến nhỏ nhưng mạnh mẽ.
Ứng dụng thực tế
Nhờ thiết kế nhỏ gọn và dải tải trọng thấp, Loadcell PA2 Flintec được sử dụng rộng rãi trong:
-
Cân điện tử mini: Dùng cho cân bàn nhỏ, cân đóng gói sản phẩm nhẹ.
-
Thiết bị y tế: Tích hợp trong máy xét nghiệm, máy đo liều lượng và các hệ thống cần kiểm soát trọng lượng chính xác.
-
Máy đóng gói và lắp ráp: Đo và giám sát tải trọng trong các công đoạn sản xuất.
-
Hệ thống kiểm tra cuối dây chuyền: Đảm bảo chất lượng sản phẩm trước khi xuất xưởng.
Với khả năng chịu tải từ 1kg đến 5kg, PA2 đáp ứng tốt cả nhu cầu trong phòng thí nghiệm lẫn sản xuất công nghiệp nhẹ.
Đặc điểm nổi bật
Một số ưu điểm giúp PA2 Flintec được nhiều doanh nghiệp tin dùng:
-
Dải tải trọng nhỏ: 1kg – 5kg, phù hợp cho các ứng dụng yêu cầu độ nhạy cao.
-
Thiết kế siêu nhỏ gọn, dễ lắp đặt ngay cả trong không gian hạn chế.
-
Chính xác cao và ổn định lâu dài, nhờ công nghệ strain gauge tiên tiến.
-
Cấu tạo hợp kim nhôm chất lượng cao, vừa nhẹ vừa bền.
-
Bảo vệ chuẩn IP66, chống bụi và chống tia nước.
-
Độ bền vượt trội: chịu được quá tải an toàn đến 150% và phá hủy tới 300% tải trọng định mức.


Thông số kỹ thuật Loadcell PA2 Flintec
Bảng sau tổng hợp thông số kỹ thuật chi tiết của sản phẩm:
| Thông số | Giá trị |
| Dải tải (Emax) |
1 / 2 / 3 / 5 kg |
| Đầu ra định mức (RO) |
2 mV/V ±0.2 |
| Zero balance |
±0.1 mV/V |
| Sai số phi tuyến |
±0.04% RO (1–2kg), ±0.0166% RO (3–5kg) |
| Hysteresis |
±0.04% RO (1–2kg), ±0.0166% RO (3–5kg) |
| Sai số do creep (5 phút) |
±0.06% RO |
| Sai số tổng hợp |
±0.05% RO (1–2kg), ±0.02% RO (3–5kg) |
| Ảnh hưởng nhiệt độ Zero |
±0.1% RO/10°C (1–2kg), N/A với dải khác |
| Ảnh hưởng nhiệt độ Span |
±0.03% RO/10°C |
| Nhiệt độ bù |
-10°C đến +40°C |
| Nhiệt độ hoạt động |
-20°C đến +65°C |
| Điện áp kích thích |
5 – 15 VDC |
| Điện trở đầu vào |
403 Ω ±20 |
| Điện trở đầu ra |
330 Ω ±25 |
| Điện trở cách điện |
≥ 5000 MΩ (100 VDC) |
| Tải lệch tâm an toàn |
0.04% RO (theo tiêu chuẩn OIML) |
| Kích thước sàn cân tối đa |
200 x 200 mm |
| Khoảng cách lệch tâm tối đa |
100 mm tại tải cực đại |
| Quá tải an toàn |
150% Emax |
| Quá tải phá hủy |
300% Emax |
| Tải ngang an toàn |
100% Emax |
| Vật liệu |
Hợp kim nhôm |
| Kiểu bảo vệ |
Potting, chuẩn IP66 |
| Momen siết bu-lông khuyến nghị |
1.3 Nm (M3 8.8) |
| Cáp tín hiệu |
0.5m, 4 lõi PVC (28AWG) |

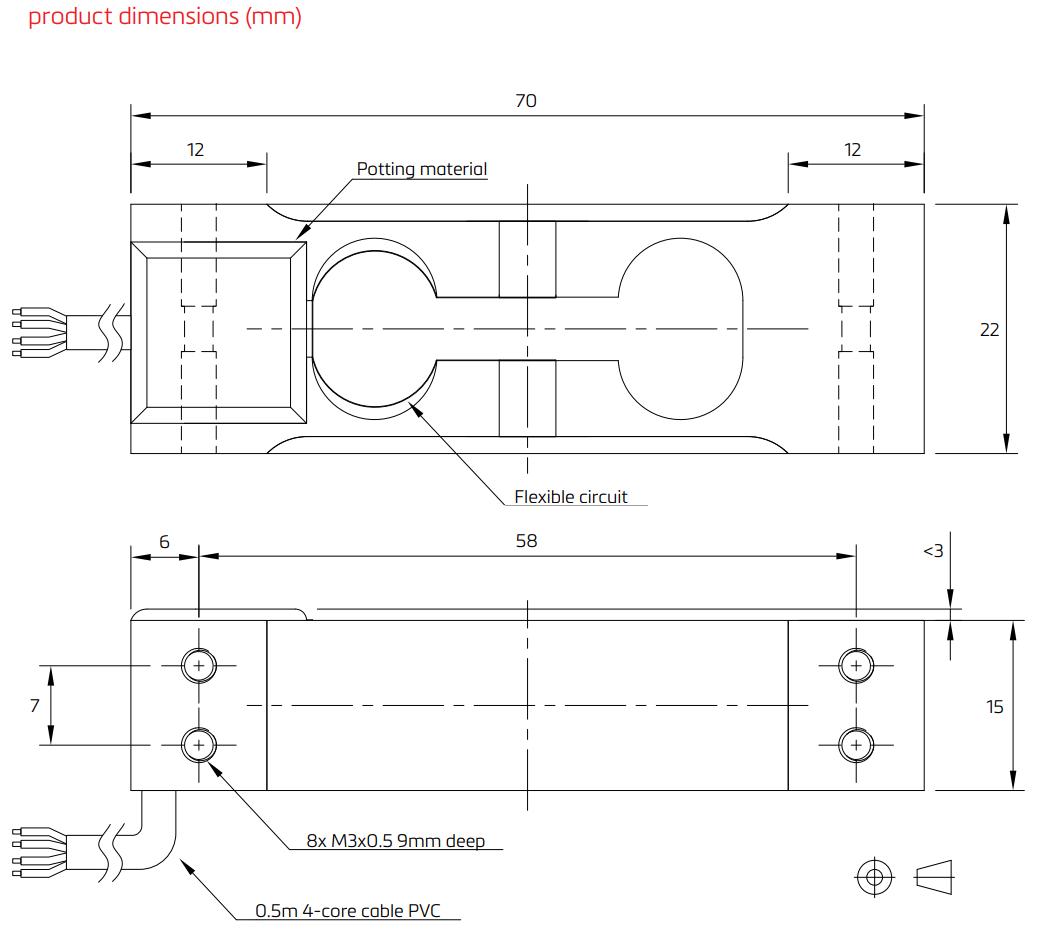
Kích thước và lắp đặt
Loadcell PA2 Flintec có kích thước nhỏ gọn, phù hợp để lắp trong các cụm máy hoặc thiết bị cần không gian tối giản. Sản phẩm được thiết kế với 8 lỗ ren M3x0.5 sâu 9mm, dễ dàng cố định. Cáp tín hiệu dài 0.5m, lõi 4 dây, thuận tiện kết nối với thiết bị điện tử.
Kết luận
Loadcell PA2 Flintec là cảm biến đơn điểm mini lý tưởng cho các ứng dụng tải nhỏ, đòi hỏi độ chính xác và độ ổn định cao. Với thiết kế nhỏ gọn, cấu tạo hợp kim nhôm, chuẩn bảo vệ IP66 và dải tải từ 1kg đến 5kg, PA2 là giải pháp hoàn hảo cho cân điện tử mini, thiết bị y tế, máy đóng gói và hệ thống giám sát công nghiệp.
Quý khách có nhu cầu mua Loadcell PA2 Flintec vui lòng liên hệ cân điện tử Thái Bình Dương để được tư vấn và báo giá sản phẩm miễn phí, nhanh và tốt nhất.
Hotline: 0908 608 666 Mr. Dũng - 0908 662 643 Mrs. Dung.
Chúng tôi rất hân hạnh khi được phục vụ quý khách!.