Model: PC12Thương hiệu: FlintecTải trọng tối đa (Emax): 20 kgCấp chính xác (OIML): C3 (Y = 20,000)Số vạch kiểm định tối đa (nLC): 3,000
0908 608 666 Mr DŨNG
Lượt xem:
185
-
Phê duyệt mẫu
-
Kiểm định
-
Hiệu chuẩn
Loadcell PC12 Flintec được nghiên cứu và phát triển nhằm đáp ứng hoàn hảo những yêu cầu đó. Với thiết kế bằng thép không gỉ, độ bền vượt trội, chống nước – bụi tuyệt đối và chứng nhận OIML C3, PC12 là lựa chọn tối ưu cho các hệ thống cân công nghiệp đòi hỏi sự tin cậy và chính xác.

Giới thiệu về Loadcell PC12 Flintec
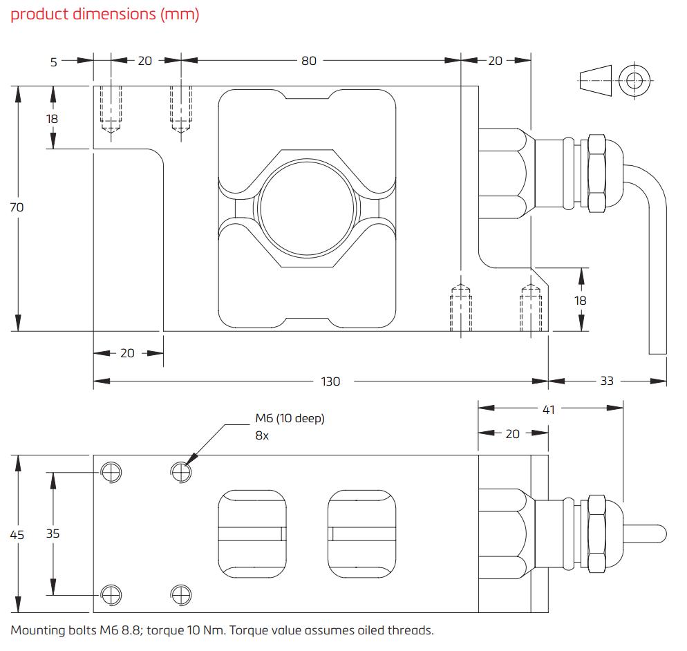
Loadcell PC12 Flintec là loại loadcell đơn điểm có tải trọng 20 kg, được tối ưu cho các ứng dụng cân động với tốc độ cao, chẳng hạn như cân kiểm tra tốc độ (checkweigher) và cân nhiều đầu (multi-head weigher). Với khả năng chống tải lệch tâm hoàn toàn, loadcell mang lại kết quả cân ổn định ngay cả khi tải trọng phân bố không đồng đều trên bàn cân.
Đặc biệt, PC12 được chế tạo từ thép không gỉ 17-4 PH, hàn kín hoàn toàn theo chuẩn IP68/IP69K, cho phép hoạt động bền bỉ trong môi trường ẩm ướt, bụi bẩn, thậm chí khi rửa bằng áp lực cao. Ngoài ra, PC12 còn được phê duyệt OIML C3 và ATEX cho khu vực nguy hiểm, mở rộng phạm vi ứng dụng trong các ngành công nghiệp đặc thù.


Ứng dụng của Loadcell PC12 Flintec
Với đặc tính kỹ thuật nổi bật, PC12 Flintec được ứng dụng rộng rãi trong nhiều hệ thống cân công nghiệp:
-
Cân kiểm tra tốc độ cao (High-speed Checkweigher): Đảm bảo chính xác trong dây chuyền đóng gói, kiểm soát khối lượng sản phẩm liên tục.
-
Cân nhiều đầu (Multi-head Weigher): Thường dùng trong ngành thực phẩm, đóng gói tự động.
-
Ứng dụng trong môi trường nguy hiểm (ATEX): Có thể hoạt động an toàn trong các khu vực có khí dễ cháy nổ, bụi hoặc hóa chất.
-
Ngành công nghiệp cần độ chính xác cao: Thực phẩm, dược phẩm, hóa chất và tự động hóa sản xuất.
Đặc điểm nổi bật của Loadcell PC12 Flintec
Một số ưu điểm giúp Loadcell PC12 Flintec trở thành lựa chọn hàng đầu cho cân công nghiệp:
-
Tải trọng tối đa 20 kg, phù hợp cho các ứng dụng cân động.
-
Thiết kế thép không gỉ chắc chắn, chống ăn mòn, độ bền cao.
-
Hàn kín tuyệt đối, đạt chuẩn IP68/IP69K, có thể hoạt động trong điều kiện rửa áp lực hoặc ngâm nước.
-
Chứng nhận OIML C3 (Y = 20,000) – đảm bảo độ chính xác thương mại.
-
Phê duyệt ATEX – an toàn trong môi trường dễ cháy nổ.
-
Bàn cân hỗ trợ kích thước lên đến 600 x 600 mm.
-
Sai số nhỏ, độ ổn định cao, phù hợp cho cân tốc độ nhanh.
Thông số kỹ thuật Loadcell PC12 Flintec
| Thông số | Giá trị |
| Tải trọng tối đa (Emax) |
20 kg |
| Cấp chính xác (OIML) |
C3 (Y = 20,000) |
| Số vạch kiểm định tối đa (nLC) |
3,000 |
| Khoảng vạch nhỏ nhất (vmin) |
Emax / 20,000 |
| Độ nhạy định mức (RO) |
2 mV/V ± 5% |
| Điện áp kích thích |
5 – 15 V |
| Điện trở đầu vào (RLC) |
1100 Ω ± 50 |
| Điện trở đầu ra (Rout) |
960 Ω ± 50 |
| Điện trở cách điện |
≥ 5000 MΩ (100 VDC) |
| Độ sai lệch tuyến tính (Non-Linearity) |
±0.04% RO |
| Độ trễ (Hysteresis) |
±0.04% RO |
| Độ trôi sau 30 phút |
±0.06% RO |
| Quá tải an toàn (Elim) |
200% Emax |
| Tải phá hủy (Ultimate Load) |
300% Emax |
| Tải ngang an toàn |
100% Emax |
| Kích thước bàn cân tối đa |
600 x 600 mm |
| Nhiệt độ bù |
-10°C đến +40°C |
| Nhiệt độ hoạt động |
-40°C đến +80°C (ATEX -40°C đến +60°C) |
| Vật liệu chế tạo |
Thép không gỉ 17-4 PH |
| Tiêu chuẩn bảo vệ |
IP68 (ngâm 2m) / IP69K (chịu rửa áp lực cao) |
| Khối lượng |
1.6 kg |
| Chiều dài cáp |
3m, 6 lõi, vỏ polyurethane |

Kết luận
Loadcell PC12 Flintec là giải pháp lý tưởng cho các ứng dụng cân động tốc độ cao và cân công nghiệp trong môi trường khắc nghiệt. Với thiết kế bền bỉ, chống nước – bụi tuyệt đối, chứng nhận OIML C3 và ATEX, PC12 mang đến sự an tâm về độ chính xác và độ bền dài hạn.
Quý khách có nhu cầu mua Loadcell PC12 Flintec vui lòng liên hệ cân điện tử Thái Bình Dương để được tư vấn và báo giá sản phẩm miễn phí, nhanh và tốt nhất.
Hotline: 0908 608 666 Mr. Dũng - 0908 662 643 Mrs. Dung.
Chúng tôi rất hân hạnh khi được phục vụ quý khách!.