Giới thiệu tổng quan về Loadcell PC4 Flintec
Trong lĩnh vực cân điện tử, Loadcell PC4 Flintec được xem là một trong những dòng cảm biến lực đơn điểm (Single Point Loadcell) cao cấp nhất hiện nay, mang lại hiệu suất vượt trội và độ tin cậy cao trong mọi ứng dụng. Với thiết kế hoàn toàn bằng inox 17-4PH, được hàn kín tuyệt đối (Hermetic Seal) và đạt chuẩn chống nước IP68, PC4 không chỉ đảm bảo độ bền vượt trội mà còn thích hợp cho môi trường công nghiệp, chế biến thực phẩm, dược phẩm và đóng gói.
Dòng loadcell này được Flintec phát triển với độ chính xác chuẩn OIML C3, đồng thời đạt chứng nhận NTEP Class III, giúp PC4 đáp ứng yêu cầu nghiêm ngặt trong các hệ thống cân thương mại hoặc công nghiệp đòi hỏi độ chính xác cao. Với các mức tải trọng từ 20kg, 50kg và 100kg, PC4 mang lại sự linh hoạt tối đa cho nhiều loại thiết bị cân hiện đại.

Đặc điểm nổi bật của Loadcell PC4 Flintec
Trước khi đi sâu vào thông số kỹ thuật, cùng điểm qua những ưu điểm nổi bật giúp PC4 Flintec được tin dùng rộng rãi trên toàn cầu:
-
Vật liệu inox 17-4PH cao cấp: Chống ăn mòn tuyệt đối, thích hợp cho môi trường ẩm, hóa chất và thực phẩm.
-
Hàn kín hoàn toàn (Hermetically sealed): Bảo vệ linh kiện bên trong, ngăn bụi và nước xâm nhập, đạt chuẩn IP68.
-
Độ chính xác cao (OIML C3, NTEP Class III): Đáp ứng yêu cầu thương mại và công nghiệp quốc tế.
-
Dải tải linh hoạt: Có 3 mức tải trọng chính – 20kg, 50kg và 100kg, phù hợp nhiều loại cân khác nhau.
-
Thiết kế nhỏ gọn, bền chắc: Dễ dàng lắp đặt cho các bàn cân, băng tải hoặc hệ thống chiết rót.
-
Bề mặt đánh bóng điện phân: Giúp dễ vệ sinh, phù hợp cho ngành thực phẩm và dược phẩm.


Ứng dụng của Loadcell PC4 Flintec
Với độ chính xác cao, khả năng chống nước toàn diện và thiết kế tối ưu, PC4 Flintec được ứng dụng phổ biến trong nhiều lĩnh vực khác nhau:
-
⚙️ Cân bàn (Bench Scales): Đảm bảo kết quả nhanh, ổn định và độ chính xác tuyệt đối.
-
🧱 Cân sàn và cân băng tải (Platform/Floor/Conveyor Scales): Phù hợp trong nhà máy, kho hàng hoặc dây chuyền sản xuất.
-
🧃 Máy chiết rót và đóng gói (Bag & Bottle Filling): Ứng dụng trong sản xuất thực phẩm, đồ uống, mỹ phẩm.
-
🏭 Cân định lượng và cân kiểm tra (Checkweigher): Dùng trong dây chuyền kiểm soát chất lượng.
-
🧫 Ngành dược phẩm và sinh học: Bề mặt đánh bóng giúp hạn chế bám bụi và dễ vệ sinh.
Chứng nhận và tiêu chuẩn quốc tế
Loadcell PC4 Flintec được chứng nhận bởi nhiều tổ chức quốc tế uy tín, đảm bảo chất lượng và độ tin cậy trong mọi ứng dụng:
-
OIML C3 (Y = 20,000) – Tiêu chuẩn đo lường quốc tế cho độ chính xác cao.
-
NTEP Class III & IIIL – Chứng nhận hợp pháp sử dụng trong thương mại tại Hoa Kỳ.
-
ATEX Approval – Được phép sử dụng trong khu vực có nguy cơ cháy nổ.
-
RoHS Compliant – Thân thiện môi trường, không chứa vật liệu độc hại.
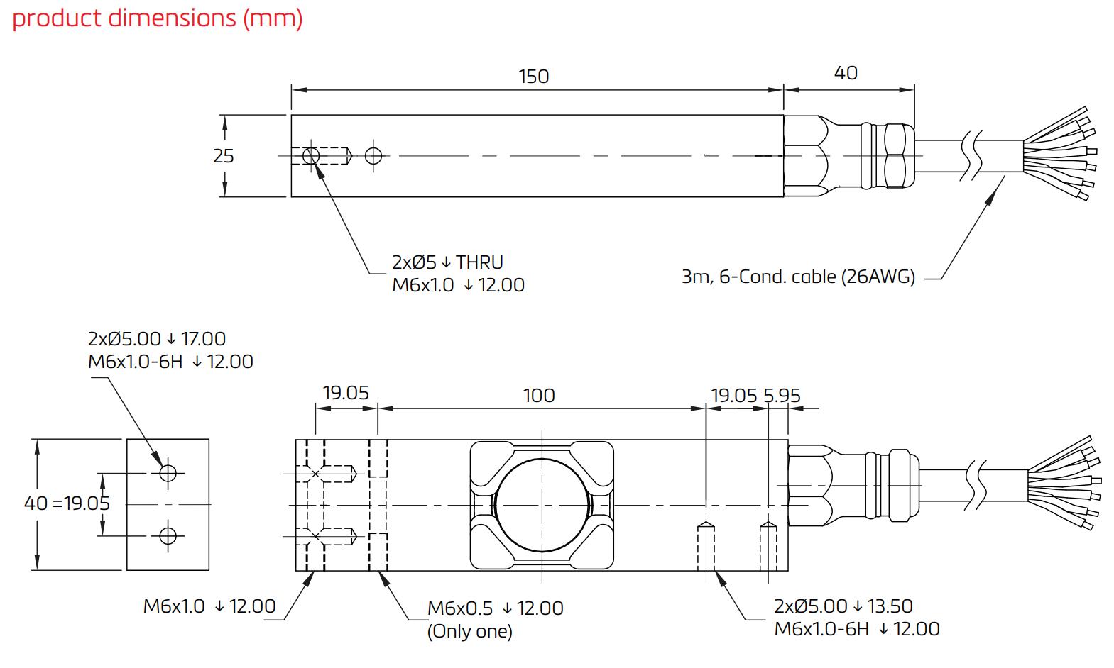
Bảng thông số kỹ thuật Loadcell PC4 Flintec
| Thông số kỹ thuật | Giá trị / Mô tả |
| Hãng sản xuất |
Flintec |
| Model |
PC4 |
| Loại Loadcell |
Đơn điểm (Single Point) |
| Tải trọng định mức (Emax) |
20 / 50 / 100 kg |
| Độ chính xác OIML |
C3 |
| Giá trị đầu ra (RO) |
2 mV/V ± 0.2 |
| Nguồn kích thích (Excitation Voltage) |
5 – 15 VDC |
| Điện trở ngõ vào (RLC) |
1,100 ± 50 Ω |
| Điện trở ngõ ra (Rout) |
960 ± 50 Ω |
| Điện trở cách ly (100V DC) |
≥ 5,000 MΩ |
| Giới hạn tải an toàn (Elim) |
200% Emax |
| Giới hạn phá hủy (Ultimate Load) |
300% Emax |
| Giới hạn tải lệch tâm an toàn |
100% Emax |
| Ảnh hưởng nhiệt độ đến điểm 0 (TC0) |
± 0.0400 %RO/10°C |
| Ảnh hưởng nhiệt độ đến độ nhạy (TCRO) |
± 0.0200 %RO/10°C |
| Sai số tổng hợp (Combined Error) |
± 0.0500 %RO |
| Creep (30 phút) |
± 0.0600 %RO |
| Phạm vi bù nhiệt |
-10°C đến +40°C |
| Nhiệt độ làm việc |
-40°C đến +80°C |
| Kích thước bàn cân tối đa |
500 x 400 mm |
| Khoảng cách lệch tâm tối đa |
200 mm (20kg), 100 mm (50kg & 100kg) |
| Vật liệu chế tạo |
Thép không gỉ 17-4PH (inox nguyên khối) |
| Bề mặt hoàn thiện |
Đánh bóng điện phân (Electro-polished) |
| Cấu trúc bảo vệ |
Hàn kín hoàn toàn (Hermetic, Glass-to-Metal) |
| Mức bảo vệ môi trường |
IP68 |
| Chiều dài cáp tín hiệu |
3 mét (6 lõi, AWG 26) |
| Trọng lượng |
1.2 kg |
| Màu dây tín hiệu |
+Exc (Xanh lục), -Exc (Đen), +Sig (Trắng), -Sig (Đỏ), +Sense (Xanh dương), -Sense (Nâu) |

Ưu điểm nổi bật khi sử dụng Loadcell PC4 Flintec
Không chỉ sở hữu thiết kế mạnh mẽ và bền bỉ, PC4 Flintec còn mang đến hàng loạt lợi ích thiết thực trong quá trình sử dụng:
-
🔹 Độ chính xác cao và ổn định lâu dài, giúp duy trì kết quả đo lường tin cậy theo thời gian.
-
🔹 Hoạt động bền bỉ trong môi trường ẩm hoặc có nước, nhờ cấu trúc hàn kín IP68.
-
🔹 Dễ dàng tích hợp với thiết bị Flintec hoặc các hệ thống điện tử cân thông dụng khác.
-
🔹 Chi phí bảo trì thấp, tuổi thọ cao, giảm thiểu rủi ro hỏng hóc.
-
🔹 Bề mặt dễ vệ sinh, phù hợp cho ngành thực phẩm, hóa chất và dược phẩm.
Kết luận
Loadcell PC4 Flintec là dòng cảm biến lực inox cao cấp, được thiết kế để mang lại hiệu suất đo lường chính xác, bền bỉ và an toàn tuyệt đối. Với khả năng chống nước IP68, chứng nhận OIML C3 và NTEP, cùng dải tải linh hoạt từ 20kg đến 100kg, sản phẩm này hoàn toàn phù hợp cho các hệ thống cân bàn, cân sàn, cân băng tải, máy chiết rót và ứng dụng công nghiệp nặng nhẹ khác.
Quý khách có nhu cầu mua Loadcell PC4 Flintec vui lòng liên hệ cân điện tử Thái Bình Dương để được tư vấn và báo giá sản phẩm miễn phí, nhanh và tốt nhất.
Hotline: 0908 608 666 Mr. Dũng - 0908 662 643 Mrs. Dung.
Chúng tôi rất hân hạnh khi được phục vụ quý khách!.