Loadcell PD3 Flintec ra đời để đáp ứng những nhu cầu đó, mang lại giải pháp lý tưởng cho các ứng dụng cần đo lường lực ở dải tải trọng nhỏ nhưng đòi hỏi độ chính xác tuyệt đối.
Sản phẩm không chỉ nổi bật nhờ khả năng chịu quá tải gấp nhiều lần công suất định mức mà còn có thiết kế nhỏ gọn, dễ dàng tích hợp vào nhiều loại máy móc và hệ thống đo kiểm. Với sự tin cậy đến từ thương hiệu Flintec – một trong những nhà sản xuất loadcell hàng đầu thế giới – PD3 chắc chắn sẽ là lựa chọn đáng cân nhắc cho nhiều doanh nghiệp.

Giới thiệu Loadcell PD3 Flintec
Loadcell PD3 Flintec là loadcell kiểu parallelogram được thiết kế đặc biệt cho các ứng dụng đo lực chính xác cao trong cả hai chế độ nén và kéo. Thiết bị có độ phi tuyến chỉ 0.05%, đảm bảo tín hiệu đo ổn định và đáng tin cậy.
Điểm mạnh nổi bật của PD3 chính là khả năng chịu quá tải lên đến 1000% tải trọng định mức – một thông số hiếm thấy ở dòng loadcell công suất thấp. Điều này giúp tăng tuổi thọ và đảm bảo an toàn trong quá trình vận hành. Ngoài ra, với kích thước chỉ 1.75 inch chiều dài và 1.27 inch chiều cao, loadcell này cực kỳ nhỏ gọn, phù hợp với các ứng dụng cần tiết kiệm không gian lắp đặt.

Ứng dụng của Loadcell PD3 Flintec
Nhờ thiết kế chuyên dụng và độ bền cao, Loadcell PD3 Flintec được sử dụng rộng rãi trong nhiều ngành nghề khác nhau. Một số ứng dụng tiêu biểu có thể kể đến:
-
Máy thử lực trong các phòng thí nghiệm hoặc dây chuyền kiểm định chất lượng.
-
Thiết bị đo lực trong ngành công nghiệp như kiểm tra độ bền vật liệu, linh kiện điện tử, cơ khí chính xác.
-
Hệ thống kiểm soát lực sản xuất trong các dây chuyền tự động.
-
Các ứng dụng đặc thù cần đo lực kéo – nén ở mức tải nhỏ nhưng yêu cầu độ chính xác cao.

Đặc điểm nổi bật của Loadcell PD3 Flintec
Trước khi đi sâu vào thông số kỹ thuật, chúng ta hãy điểm qua những ưu điểm nổi bật làm nên giá trị của sản phẩm:
-
Dải tải rộng từ 2.2 lb đến 100 lb (tương đương 9.8 N đến 445 N).
-
Độ chính xác cao với sai số phi tuyến < ±0.05% RO.
-
Chống quá tải vượt trội lên đến 1000% tải trọng định mức.
-
Chất liệu hợp kim nhôm cao cấp, đảm bảo độ bền và trọng lượng nhẹ.
-
Chuẩn bảo vệ IP65, chống bụi và hơi ẩm hiệu quả.
-
Tùy chọn lắp đặt linh hoạt: thiết kế lỗ ren trung tâm hoặc dạng “saddle” cho khả năng cố định dễ dàng.
-
Phụ kiện đa dạng: dây cáp nhiều kích thước, đầu nối theo yêu cầu và module điện tử đi kèm.
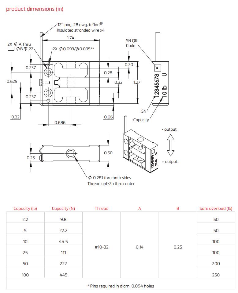
Thông số kỹ thuật Loadcell PD3 Flintec
Bảng dưới đây tóm tắt các thông số quan trọng của Loadcell PD3 Flintec:
| Thông số | Giá trị |
| Tải trọng tối đa (Emax) |
2.2 / 5 / 10 / 25 / 50 / 100 lb (9.8 – 445 N) |
| Độ nhạy định mức (RO) |
2.0 mV/V |
| Sai số phi tuyến |
< ±0.05% RO |
| Độ trễ (Hysteresis) |
< ±0.05% RO |
| Cân bằng zero |
< ±2% RO |
| Ảnh hưởng nhiệt độ lên Zero |
< ±0.005% RO/°F |
| Ảnh hưởng nhiệt độ lên độ nhạy |
< ±0.005% RO/°F |
| Độ lặp lại |
< ±0.01% RO |
| Điện áp kích thích |
5...15 VAC/VDC |
| Điện trở đầu vào/ra |
1000 Ω danh định |
| Điện trở cách điện |
> 10 GΩ (50 VDC) |
| Nhiệt độ bù |
60...160 °F |
| Nhiệt độ hoạt động |
0...160 °F |
| Vật liệu chế tạo |
Nhôm cao cấp |
| Chuẩn bảo vệ |
IP65 |
| Quá tải an toàn |
120% RO |
| Quá tải tối đa |
50 – 250 lb (tùy mức tải) |

Vì sao nên chọn Loadcell PD3 Flintec?
Khi cần một giải pháp đo lực ở dải tải nhỏ, nhiều doanh nghiệp thường lo ngại vấn đề độ chính xác và độ bền. Loadcell PD3 Flintec giải quyết cả hai nhược điểm này bằng thiết kế tối ưu, độ bền cao và khả năng chống quá tải vượt trội.
Bên cạnh đó, sự uy tín của thương hiệu Flintec – nổi tiếng toàn cầu trong lĩnh vực sản xuất loadcell – là yếu tố đảm bảo rằng sản phẩm này có thể hoạt động ổn định lâu dài, giảm thiểu chi phí bảo trì và mang lại giá trị kinh tế cao cho người sử dụng.
Kết luận
Với sự kết hợp giữa độ chính xác, độ bền và thiết kế nhỏ gọn, Loadcell PD3 Flintec là lựa chọn lý tưởng cho các ứng dụng đo lực chuyên nghiệp. Sản phẩm không chỉ mang lại sự ổn định trong quá trình đo mà còn giúp nâng cao hiệu quả vận hành của hệ thống. Nếu bạn đang tìm kiếm một loadcell nhỏ nhưng mạnh mẽ, PD3 chính là giải pháp hoàn hảo.
Quý khách có nhu cầu mua Loadcell PD3 Flintec vui lòng liên hệ cân điện tử Thái Bình Dương để được tư vấn và báo giá sản phẩm miễn phí, nhanh và tốt nhất.
Hotline: 0908 608 666 Mr. Dũng - 0908 662 643 Mrs. Dung.
Chúng tôi rất hân hạnh khi được phục vụ quý khách!.