Tổng quan về Loadcell PR 6201 Minebea Intec
Trước khi đi sâu vào chi tiết kỹ thuật, cần hiểu rõ bản chất thiết kế của PR 6201. Đây là dòng loadcell nén được Minebea Intec phát triển riêng cho cân silo và cân bồn tải trọng rất lớn, nơi mà các yếu tố như giãn nở nhiệt, rung động kết cấu hay lực ngang luôn tồn tại.
Điểm nổi bật của Loadcell PR 6201 Minebea Intec nằm ở nguyên lý kết cấu đặc biệt, cho phép bù trừ các chuyển động cơ học của silo hoặc khung đỡ mà gần như không ảnh hưởng đến kết quả cân, từ đó duy trì độ chính xác ổn định trong thời gian dài.

Ưu điểm nổi bật của Loadcell PR 6201 Minebea Intec
Không chỉ đơn thuần là một loadcell chịu tải lớn, PR 6201 còn được đánh giá cao nhờ nhiều ưu điểm kỹ thuật vượt trội, đáp ứng các tiêu chuẩn cân công nghiệp khắt khe.

Chịu tải cực lớn, phù hợp silo quy mô công nghiệp
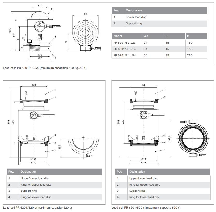
Loadcell PR 6201 Minebea Intec hỗ trợ dải tải trọng rất rộng, từ 500 kg đến 520 tấn trên mỗi loadcell. Điều này cho phép sử dụng linh hoạt cho các silo nhỏ đến các silo công nghiệp siêu lớn mà không cần thay đổi nguyên lý thiết kế hệ thống cân.
Độ chính xác cao, ổn định lâu dài
Sản phẩm đạt các cấp chính xác cao (L, N) theo tiêu chuẩn OIML R60, với sai số thấp, độ lặp lại tốt và độ trễ tối thiểu. Đây là yếu tố quan trọng giúp hệ thống cân silo hoạt động ổn định, giảm sai lệch trong kiểm soát nguyên liệu.
Bền bỉ trong môi trường khắc nghiệt
Vỏ loadcell được chế tạo từ thép không gỉ 1.4301 (AISI 304), kết hợp cấp bảo vệ IP66 / IP68 / IP69, giúp Loadcell PR 6201 Minebea Intec hoạt động bền bỉ trong môi trường bụi, ẩm, hóa chất hoặc ngoài trời.
Khả năng bù trừ chuyển vị với bộ gá FlexLock
Một trong những điểm khác biệt lớn nhất của Loadcell PR 6201 Minebea Intec chính là khả năng kết hợp hoàn hảo với các bộ gá FlexLock, MiniFLEXLOCK, Seismic Mount.
Các bộ gá này cho phép:
-
Bù trừ giãn nở nhiệt của silo và kết cấu thép
-
Hạn chế ảnh hưởng của lực ngang và lực lệch tâm
-
Cho phép silo “chuyển động tự do có kiểm soát” mà không làm sai lệch kết quả cân
Ứng dụng thực tế của Loadcell PR 6201 Minebea Intec
Với khả năng chịu tải lớn, độ chính xác cao và độ bền vượt trội, PR 6201 được sử dụng rộng rãi trong nhiều lĩnh vực công nghiệp nặng.
Một số ứng dụng tiêu biểu bao gồm:
-
Cân silo xi măng, clinker, vật liệu xây dựng
-
Cân bồn chứa hóa chất, nguyên liệu lỏng và rắn
-
Cân silo nông sản, thức ăn chăn nuôi
-
Cân bồn phản ứng trong ngành hóa chất, thực phẩm
Tùy chọn tín hiệu và phiên bản đặc biệt
Để phù hợp với nhiều hệ thống điều khiển khác nhau, Loadcell PR 6201 Minebea Intec cung cấp nhiều phiên bản linh hoạt:
-
Tín hiệu mV/V truyền thống
-
Tích hợp sẵn tín hiệu analog 4–20 mA (phù hợp truyền xa, chống nhiễu tốt)
-
Phiên bản Dual Bridge tăng độ an toàn và độ tin cậy
-
Phiên bản chống cháy nổ ATEX / IECEx / FM cho môi trường nguy hiểm
Nhờ đó, loadcell dễ dàng tích hợp với PLC, DCS và các đầu cân công nghiệp hiện đại.
Thông số kỹ thuật Loadcell PR 6201 Minebea Intec
Thông số cơ bản
| Thông số | Giá trị |
| Thương hiệu |
Minebea Intec |
| Model |
PR 6201 |
| Kiểu loadcell |
Loadcell nén (Compression) |
| Dải tải trọng |
500 kg – 520 t |
| Cấp chính xác |
L, N (OIML R60) |
| Vật liệu |
Thép không gỉ 1.4301 (AISI 304) |
| Cấp bảo vệ |
IP66 / IP68 / IP69 |
| Tín hiệu đầu ra |
mV/V hoặc 4–20 mA |
| Nhiệt độ làm việc |
-30 °C đến +55 °C |
| Chịu quá tải an toàn |
Lên đến 200% Emax |
| Ứng dụng |
Cân silo, cân bồn tải trọng lớn |


Chứng nhận & tiêu chuẩn
| Chứng nhận | Nội dung |
| OIML R60 |
Chuẩn loadcell cân |
| ATEX / IECEx |
Môi trường nguy hiểm |
| FM |
Khu vực cháy nổ |
| IP69 |
Rửa áp lực cao |
Vì sao nên chọn Loadcell PR 6201 Minebea Intec
So với các dòng loadcell silo thông thường, PR 6201 mang lại giá trị sử dụng lâu dài, giảm thiểu rủi ro hư hỏng, hạn chế thời gian dừng hệ thống và tối ưu chi phí vận hành. Đây là lựa chọn lý tưởng cho các dự án cân silo yêu cầu độ chính xác cao – tải trọng lớn – độ bền vượt trội.
Quý khách có nhu cầu mua Loadcell PR 6201 Minebea Intec vui lòng liên hệ cân điện tử Thái Bình Dương để được tư vấn và báo giá sản phẩm miễn phí, nhanh và tốt nhất.
Hotline: 0908 608 666 Mr. Dũng - 0908 662 643 Mrs. Dung.
Chúng tôi rất hân hạnh khi được phục vụ quý khách!.