Sản phẩm được sản xuất hoàn toàn bằng thép không gỉ, kết hợp nguyên lý lực cắt thực (real shear force) và con lắc treo (pendulum support) – một thiết kế độc quyền giúp PR 6241 đạt độ chính xác vượt trội, đặc biệt phù hợp cho các hệ thống cân hiện đại trong công nghiệp thực phẩm, dược phẩm và hóa chất.

Tổng quan về Loadcell PR 6241 Minebea Intec
Loadcell PR 6241 là dòng loadcell nén dạng S (Compression S-type load cell), được Minebea Intec phát triển nhằm đáp ứng các ứng dụng cân yêu cầu độ chính xác cao, độ lặp lại tốt và khả năng hoạt động ổn định lâu dài.
PR 6241 được thiết kế tối ưu cho:
-
Cân bồn quy trình nhỏ và trung bình
-
Hệ thống chiết rót – định lượng
-
Cân kiểm soát khối lượng trong dây chuyền sản xuất
Thiết kế gọn, linh hoạt giúp loadcell dễ dàng tích hợp với nhiều loại bộ gá khác nhau, từ đó tối ưu không gian lắp đặt và hiệu suất vận hành.
Ưu điểm nổi bật của Loadcell PR 6241
Không chỉ nổi bật về độ chính xác, PR 6241 còn sở hữu nhiều ưu điểm kỹ thuật quan trọng, giúp sản phẩm trở thành lựa chọn hàng đầu trong phân khúc loadcell nén cao cấp.

Độ chính xác cực cao, đạt chuẩn OIML R60
Loadcell PR 6241 có nhiều cấp chính xác:
-
D1 – 0.04%
-
C3 – 0.015%
-
C6 – 0.008%
Điều này cho phép người dùng lựa chọn loadcell phù hợp với từng yêu cầu cụ thể, từ cân công nghiệp thông thường đến các ứng dụng định lượng yêu cầu độ chính xác rất cao.
Thiết kế S-type kết hợp lực cắt và con lắc treo
Thiết kế độc đáo kết hợp nguyên lý lực cắt thực và nguyên lý con lắc treo giúp loadcell:
Nhờ đó, PR 6241 đặc biệt phù hợp cho các quy trình cân động và chiết rót liên tục.
Vật liệu thép không gỉ – bền bỉ, chống ăn mòn
Toàn bộ thân loadcell được chế tạo từ thép không gỉ 1.4542, đảm bảo khả năng chống ăn mòn tốt, phù hợp với môi trường:
-
Thực phẩm – đồ uống
-
Dược phẩm
-
Hóa chất và mỹ phẩm
Dải tải trọng đa dạng, linh hoạt ứng dụng
Loadcell PR 6241 Minebea Intec có dải tải trọng từ 100 kg đến 5 tấn, đáp ứng linh hoạt nhiều quy mô hệ thống cân khác nhau:
-
100 kg
-
200 kg
-
300 kg
-
500 kg
-
1 tấn
-
2 tấn
-
3 tấn
-
5 tấn
Nhờ dải tải rộng, PR 6241 có thể dùng cho cả bồn nhỏ trong phòng thí nghiệm lẫn bồn quy trình trong sản xuất công nghiệp.
Kết hợp bộ chuyển đổi Connexx – Giải pháp cân số hóa hiện đại
Loadcell PR 6241 có thể tích hợp bộ chuyển đổi Connexx®, mang lại nhiều lợi ích vượt trội cho hệ thống cân:
-
Chuyển tín hiệu analog sang tín hiệu số CANopen
-
Không cần sử dụng hộp nối tín hiệu truyền thống
-
Truyền tín hiệu ổn định lên đến 200 m
-
Cho phép giám sát từng loadcell riêng lẻ
Giải pháp này đặc biệt phù hợp với các hệ thống cân định lượng tự động và các dây chuyền sản xuất hiện đại.
Bộ gá lắp chuyên dụng cho Loadcell PR 6241
Minebea Intec cung cấp đầy đủ các bộ gá lắp đồng bộ cho PR 6241, giúp tối ưu hiệu suất và độ an toàn khi vận hành:
Các bộ gá này giúp:
Ứng dụng thực tế của Loadcell PR 6241 Minebea Intec
Nhờ độ chính xác cao và thiết kế bền bỉ, PR 6241 được ứng dụng rộng rãi trong nhiều ngành công nghiệp:
-
Cân bồn thực phẩm và đồ uống
-
Cân định lượng trong dược phẩm
-
Cân chiết rót hóa chất, mỹ phẩm
-
Cân quy trình trong ngành OEM – máy móc
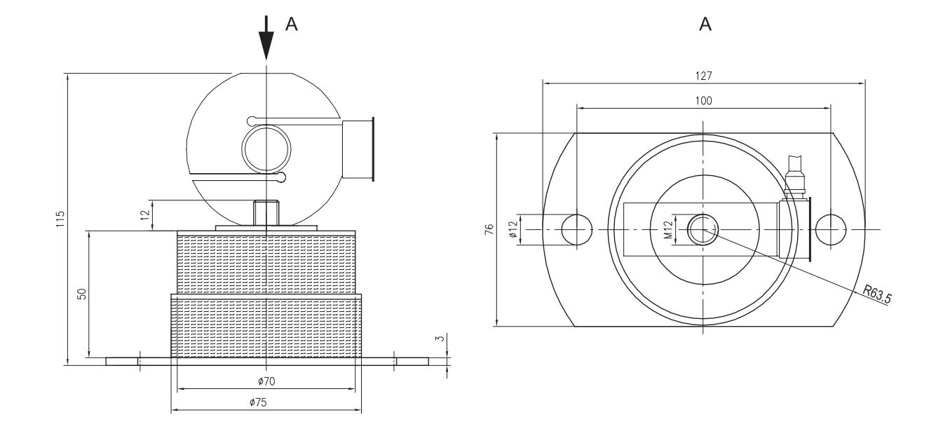
Thông số kỹ thuật Loadcell PR 6241 Minebea Intec
Vì sao nên chọn Loadcell PR 6241 Minebea Intec
So với các dòng loadcell nén cùng phân khúc, Loadcell PR 6241 Minebea Intec nổi bật nhờ:
-
Độ chính xác rất cao, phù hợp định lượng
-
Thiết kế S-type ổn định, giảm ảnh hưởng lực ngang
-
Hệ sinh thái phụ kiện và bộ gá đồng bộ
-
Khả năng tích hợp số hóa với Connexx®
Đây là giải pháp lý tưởng cho các doanh nghiệp cần hệ thống cân chính xác – ổn định – dễ mở rộng trong tương lai.
Quý khách có nhu cầu mua Loadcell PR 6241 Minebea Intec vui lòng liên hệ cân điện tử Thái Bình Dương để được tư vấn và báo giá sản phẩm miễn phí, nhanh và tốt nhất.
Hotline: 0908 608 666 Mr. Dũng - 0908 662 643 Mrs. Dung.
Chúng tôi rất hân hạnh khi được phục vụ quý khách!