Với thiết kế thép không gỉ toàn phần, khả năng chống nước IP68/IP69K cùng độ chính xác cao đạt chuẩn OIML C3, SB14 Flintec không chỉ mang lại độ tin cậy tuyệt đối mà còn đảm bảo tuổi thọ hoạt động dài lâu trong môi trường khắc nghiệt như nhà máy chế biến thực phẩm, hóa chất, dược phẩm hay logistics.

Đặc điểm nổi bật của Loadcell SB14 Flintec
Được nghiên cứu và sản xuất bởi Flintec – thương hiệu hàng đầu thế giới trong lĩnh vực cảm biến đo lực, SB14 hội tụ nhiều ưu điểm vượt trội cả về kỹ thuật lẫn độ bền sử dụng. Những đặc điểm nổi bật gồm:
-
Cấu tạo thép không gỉ toàn phần (Stainless Steel 17-4 PH): Đảm bảo khả năng chống ăn mòn, phù hợp cho môi trường có độ ẩm cao, hóa chất hoặc bụi bẩn.
-
Kín hoàn toàn theo chuẩn IP68/IP69K: Hoạt động ổn định dưới nước sâu tới 2m và dễ dàng vệ sinh bằng áp lực nước cao, lý tưởng cho ngành thực phẩm hoặc dược phẩm.
-
Độ chính xác cao đạt chuẩn OIML C3, C3 MI6: Giúp cân hoạt động ổn định, tin cậy trong các ứng dụng yêu cầu đo lường chính xác cao.
-
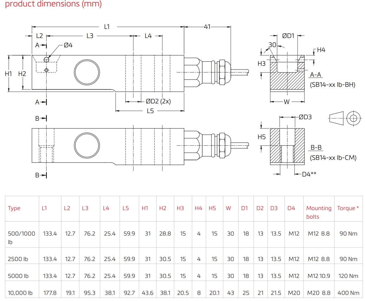
Phạm vi tải trọng rộng: Từ 500lb (227kg) đến 10,000lb (4,536kg), phù hợp cho nhiều loại cân từ nhỏ đến lớn.
-
Thiết kế đặc biệt với lỗ tải mù (blind-hole loading): Khi kết hợp với chân tự căn chỉnh (self-aligning feet) giúp phân bố lực đồng đều, giảm sai số khi lắp đặt.
-
Độ bền cơ học vượt trội: Chịu được tải trọng vượt mức đến 300% tải danh định, đảm bảo an toàn cho hệ thống cân khi xảy ra quá tải tạm thời.
-
Khả năng hiệu chuẩn chính xác: Được hiệu chuẩn theo giá trị mV/V/Ω, giúp dễ dàng đồng bộ trong hệ thống cân nhiều loadcell.
Ngoài ra, SB14 Flintec còn được chứng nhận ATEX và FM cho các khu vực nguy hiểm (Zone 0, 1, 2, 20, 21, 22), đảm bảo an toàn khi hoạt động trong môi trường có nguy cơ cháy nổ.
Ứng dụng của Loadcell SB14 Flintec
Với thiết kế nhỏ gọn nhưng mạnh mẽ, SB14 được ứng dụng rộng rãi trong nhiều hệ thống cân công nghiệp khác nhau, đặc biệt ở những nơi yêu cầu độ chính xác và độ bền cao:
-
Cân sàn công nghiệp: Giúp đo khối lượng hàng hóa, nguyên liệu hoặc pallet trong nhà máy.
-
Cân bồn và cân bể chứa: Dùng để giám sát khối lượng chất lỏng, nguyên liệu trong dây chuyền sản xuất.
-
Cân xe nâng pallet (Pallet truck scales): Cho phép đo trọng lượng hàng hóa khi di chuyển, tối ưu quy trình kho vận.
-
Cân định lượng, cân đóng gói và hệ thống trộn tự động: Đảm bảo tỷ lệ chính xác trong sản xuất thực phẩm, hóa chất, dược phẩm.
Với độ chính xác cao và khả năng chống nước toàn diện, Loadcell SB14 Flintec là lựa chọn lý tưởng cho mọi môi trường – từ nhà xưởng khô ráo đến khu vực ẩm ướt, thậm chí cả môi trường ngoài trời.


Cấu tạo và nguyên lý hoạt động
Loadcell SB14 thuộc loại thanh uốn (bending beam loadcell) – hoạt động dựa trên nguyên lý cầu điện trở Wheatstone. Khi có tải trọng tác dụng lên thân loadcell, lực này sẽ tạo ra biến dạng rất nhỏ trên thanh uốn. Các điện trở strain gauge được gắn trên bề mặt cảm biến sẽ thay đổi điện trở tương ứng với độ biến dạng, tạo ra tín hiệu điện áp tỉ lệ với khối lượng tải.
Nhờ thiết kế lỗ tải mù (blind-hole) cùng cơ chế chống xoắn, SB14 cho phép truyền lực nén chính xác vào tâm cảm biến, giúp hạn chế sai số và đảm bảo kết quả đo ổn định, ngay cả khi có sai lệch nhỏ trong lắp đặt.
Thông số kỹ thuật của Loadcell SB14 Flintec
| Thông số kỹ thuật | Giá trị / Đặc điểm |
| Tải trọng định mức (Emax) |
500 / 1,000 / 2,500 / 5,000 / 10,000 lb (227 – 4,536 kg) |
| Độ chính xác theo OIML |
C3, C3 MI6 (Y = 11,500 đến 23,000) |
| Độ tuyến tính (Non-linearity) |
±0.04% RO (C3) / ±0.0166% RO (C3 MI6) |
| Độ trễ (Hysteresis) |
±0.04% RO (C3) / ±0.0083% RO (C3 MI6) |
| Sai số tổng hợp (Combined Error) |
±0.05% RO (C3) / ±0.018% RO (C3 MI6) |
| Độ nhạy danh định (Rated Output) |
2 mV/V ±0.1% |
| Cân bằng điểm 0 (Zero Balance) |
±5% RO |
| Điện trở đầu vào (Input Resistance) |
1,100 ± 50 Ω |
| Điện trở đầu ra (Output Resistance) |
1,000 ± 2 Ω |
| Điện trở cách điện |
≥ 5,000 MΩ (100 VDC) |
| Giới hạn tải an toàn (Safe Load Limit) |
200% Emax |
| Giới hạn tải phá hủy (Ultimate Load) |
300% Emax |
| Tải lệch an toàn (Safe Side Load) |
100% Emax |
| Ảnh hưởng nhiệt độ đến độ nhạy (TCRO) |
±0.02% RO/10°C (C3), ±0.01% (C3 MI6) |
| Ảnh hưởng nhiệt độ đến điểm 0 (TC0) |
±0.04% RO/10°C (C3), ±0.0122% (C3 MI6) |
| Dải nhiệt độ bù |
-10°C đến +40°C |
| Dải nhiệt độ hoạt động |
-40°C đến +80°C (ATEX: -40°C đến +60°C) |
| Vật liệu chế tạo |
Thép không gỉ 17-4 PH (1.4548) |
| Cấp bảo vệ |
IP68 (ngâm nước 2m) / IP69K (rửa áp lực cao) |
| Chiều dài cáp tiêu chuẩn |
3 m (500–5,000 lb) / 4.5 m (10,000 lb), vỏ Polyurethane chống mài mòn |
| Cáp kết nối |
4 dây – AWG 24, có lớp chống nhiễu |
| Phụ kiện tùy chọn |
Chân tự căn chỉnh, tấm nén tải, bộ điện tử hiển thị tương thích |

Ưu điểm khi sử dụng Loadcell SB14 Flintec
Khi lựa chọn Loadcell SB14 Flintec, người dùng nhận được nhiều giá trị vượt trội không chỉ về mặt kỹ thuật mà còn ở hiệu quả vận hành:
-
Độ chính xác và ổn định cao giúp đảm bảo cân luôn cho kết quả tin cậy trong thời gian dài.
-
Chống nước tuyệt đối với chuẩn IP69K – phù hợp môi trường rửa thường xuyên như nhà máy thực phẩm.
-
Tuổi thọ cao, ít cần bảo trì, giảm chi phí vận hành.
-
Dễ lắp đặt và hiệu chuẩn, tương thích với nhiều bộ chỉ thị và hệ thống điều khiển cân hiện có.
-
Đạt nhiều chứng nhận quốc tế (OIML, NTEP, ATEX, FM) – bảo đảm chất lượng và an toàn.
Nhờ sự kết hợp giữa độ chính xác, độ bền và khả năng chống chịu môi trường, SB14 Flintec được xem là “chuẩn mực vàng” trong các dòng loadcell beam cao cấp hiện nay.
Kết luận
Loadcell SB14 Flintec là lựa chọn hoàn hảo cho mọi hệ thống cân yêu cầu độ chính xác cao, hoạt động bền bỉ và chống nước tuyệt đối. Với thiết kế thông minh, vật liệu cao cấp và chứng nhận quốc tế, sản phẩm mang đến hiệu suất vượt trội trong cả môi trường khô ráo lẫn khắc nghiệt.
Quý khách có nhu cầu mua Loadcell SB14 Flintec vui lòng liên hệ cân điện tử Thái Bình Dương để được tư vấn và báo giá sản phẩm miễn phí, nhanh và tốt nhất.
Hotline: 0908 608 666 Mr. Dũng - 0908 662 643 Mrs. Dung.
Chúng tôi rất hân hạnh khi được phục vụ quý khách!.